中心議題:
- 步進電機驅動器系統結構
- 系統設計中的幾個關鍵點
解決方案:
- 基于一種低成本的新型步進電機驅動器的研制
0 引 言
步進電機是由脈沖控制運行的特殊同步電動機,對應每一供電脈沖,都產生一個恒定量的步進運動,可以是角位移或線位移。步進電機可以實現信號變換,是數字控制系統中廣泛應用的執行元件。它具有一定的開環控制精度,步距誤差不長期積累,易于啟動、停止、正反轉及變速,與上位機接口簡單方便等特點。隨著電力電子技術、控制技術以及電機本體的發展,步進電機在辦公自動化、工業自動化機器、數控機械等眾多領域獲得更廣泛的應用。
同時步進電機驅動器也得到了很大的發展和改進。但是目前在工業應用中,多數驅動器體積較大,通用性不強,往往要求外接多路電源,而且成本不低。為此,本文提出了一種單一電源輸入、寬電壓、寬電流、低成本的兩相混合式步進電機驅動器設計方案,并通過試驗和實際使用驗證了其通用性強,控制簡單,可靠性高的特性。
1 步進電機驅動器系統結構
該驅動系統的主要指標要求:
(1)低成本、小體積;
(2)寬范圍單電源輸入:25~85Vdc
(3)輸出每相電流最大值:7A。
根據系統要求,設計的步進電機驅動控制系統框圖如圖1所示。該系統中,以單片步進電機控制器集成電路L297為控制核心,由于其內部集成了脈沖分配器、PWM斬波器以及輸出邏輯控制單元等豐富模塊,使系統控制更加方便簡單。采用由晶體三極管和功率MOS管組成的分立式的功率驅動電路代替集成塊電路,使系統成本降低,而且能夠滿足驅動寬電壓、大電流的步進電機的要求。以單片電流型PWM控制器集成電路SI9114A為核心,設計的高頻DC-DC變換電路解決了系統所需多路電源的需求,降低了系統功耗,減小了電源電路的體積,并且降低了成本。

圖1 步進電機驅動控制系統框圖
系統接收步進脈沖信號CP、方向信號DIR、脫機信號FREE以及工作方式選擇信號MODE,通過光耦隔離輸入給L297,然后按一定的規律進行分配并輸出邏輯控制信號,再經過功率驅動電路進行放大后加到步進電機各相輸入端,以驅動步進電機按指令運轉。此外系統還具有相電流大小選擇、半流鎖定以及過流保護等功能。
2 系統設計中的幾個關鍵點
2.1 步進電機控制電路的設計
步進電機控制電路以L297為核心。通過內部集成的脈沖分配器產生三種相序信號,對應于三種不同的工作方式:半步方式;基本步距,一相激勵方式;基本步距,兩相激勵方式。脈沖分配器內部是一個3位可逆計數器,加上一些組合邏輯,產生每周期8拍格雷碼時序信號,就是半步工作方式時的時序信號。而在基本步距工作方式時,則產生每周期4拍的時序信號。L297的另一個重要組成是由兩個PWM斬波器來控制相繞組電流,實現恒流斬波控制,已獲得良好的轉矩—頻率特性。每個斬波器由一個比較器、一個RS觸發器和外接采樣電阻組成,并設有一個通用振蕩器,向兩個斬波器提供觸發脈沖信號,而脈沖頻率由外接的 RC網絡決定。L297的CONTROL端用來選擇斬波信號的控制,將其置為低電平,以使斬波信號作用于INH1和INH2,而由A、B、C、D端來控制繞組的通斷與極性。相繞組電流峰值由VREF端來決定。
恒流斬波控制技術是目前步進電機控制的主流技術,驅動方式采用PWM等方式,使相繞組電流無論在低頻或高頻段工作時都保持基本恒定。由于電機的電磁轉矩只與電機相繞組電流相關,所以恒流斬波控制技術能夠保證電機牽出轉矩的平均值基本恒定。同時,電機的高頻響應得以提高,共振現象減弱。該兩相混合式步進電動機驅動器充分利用了L297的功能,采用恒流斬波驅動控制方法。通過采樣電阻反饋相繞組電流值與設定的相繞組電流峰值相比較,產生驅動控制信號,使電源電壓工作在開關狀態,進而使繞組電流保持在設定值附近波動。由于電源電壓并不是一直向繞組供電,而只是一個個窄脈沖,總的輸入能量是各脈沖時間的電壓與電流乘積的積分,取自電源的能量大幅度下降,降低了發熱量,具有較高的效率。
2.2 半流鎖定功能的實現
步進電機在運行過程中,為輸出較大的轉矩及具有快速響應,應保持繞組電流為額定值而不使其下降。但在電機的鎖定狀態通常沒必要輸出大的轉矩,為減少電機的發熱,提高系統的效率,減輕驅動器的負擔,可在鎖定狀態適當降低繞組電流。本驅動器設計的鎖定電流減半功能電路如圖2所示。圖中,CLK為步進脈沖信號CP經過光耦隔離后的信號。該電路中采用可重復觸發的單穩態觸發器74LS123,其輸出脈沖寬度TW為:
![]()
[page]
當CLK的周期小于或等于TW時,晶體管一直處于截止狀態,不存在鎖定時間。而當CLK的周期大于TW或處于靜止狀態時,晶體管導通,電阻R1并聯至參考電壓端,使參考電壓減半,即實現了電流減半的功能。

圖2 半流鎖定功能電路圖
2.3 分立式的功率驅動電路的設計
步進電機的功率驅動電路較為典型的設計一般都是采用集成電路,例如用雙H橋高電壓大電流功率集成電路L298,IR公司的MOSFET驅動集成電路等。然而對于 L298,雖然簡單方便,但是只可驅動母線電源電壓為46V、每相電流2A以下的步進電機,因而它的電源輸入范圍相對較窄,局限性較大;而對于IR公司的 MOSFET驅動集成電路,它的通用性很強,但是價格相對較貴,并不適于低成本的驅動器。為了避免上述集成電路的缺陷,在該步進電動機驅動器中,功率驅動電路采用分立器件來實現。
功率電路采用大功率雙H橋電路,上半橋使用P溝道功率MOSFET IRF9540,下半橋使用N溝道功率MOSFET IRF540。這樣可以滿足驅動母線電源電壓為85V、相電流7A的步進電機的要求。而且采用這種結構,可以簡化驅動電路電源的設計,因為再不需要多個隔離的驅動電源,可以使母線電源與驅動電源共地。對于上橋P溝道功率MOSFET的柵極驅動采用由NPN和PNP三極管構成的互補式驅動電路,使 MOSFET輸入電容充放電電路的電阻都很小,加速了功率管的通斷。并通過并接一個13V的穩壓二極管,使得當母線電壓較高時鉗位MOSFET的柵源驅動電壓,以避免其超過柵源擊穿電壓。而對于下橋N溝道功率MOSFET的柵極驅動采用簡單的NPN三極管驅動放大電路,這樣改善了MOSFET的開通過程,而且減少了驅動電源的功率;并在三極管的基極與發射極反并聯二極管,這樣就為輸入電容提供了放電回路,加速了功率管的關斷過程。當驅動電路直接來驅動功率 MOSFET時會引起被驅動功率MOSFET的快速開通和關斷,這就有可能造成被驅動功率MOSFET漏源極間電壓的振蕩。這樣,一則會引起射頻干擾;二則有可能造成功率MOSFET遭受過高的 而擊穿損壞。為解決這一問題,采用在被驅動功率MOSFET的柵極與驅動電路的輸出之間串聯一個15 的無感電阻。具體的上、下半橋驅動電路分別如圖3和圖4所示。L297輸出的載有斬波信號的INH1、INH2,與時序邏輯信號A、B、C、D經過邏輯門電路的恰當組合,產生PWM1和PWM2信號,作為驅動電路的斬波信號輸入端。

圖3 上半橋驅動電路

圖4 下半橋驅動電路
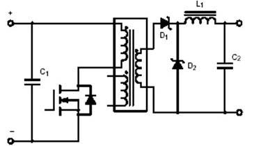
2.4 高頻開關電源電路的實現
該開關電源系統在結構上采用正激變換器的形式[5],如圖5所示。以VISHAY公司的SI9114A芯片為控制核心,用簡單的脈寬調制方式取代復雜的諧振方式設計出功率為12W、工作頻率為100kHz、輸入直流電壓范圍為25~85V、輸出直流電壓 12V的DC-DC變換電路。SI9114A采用占空比小于50%的恒頻電流控制模式,通過提高轉換頻率,可以進一步減小儲能元件的尺寸、降低系統的功耗、簡化分布式電源的結構。通過簡單的外接電阻ROSC和電容COSC配合芯片內部的振蕩電路以及二分頻電路設置系統工作頻率為100kHz。為了解決由于直流母線電壓與芯片控制電路電壓存在很大壓差所帶來的啟動問題,SI9114A采用了低功耗的BiC/DMOS電路和一種高壓耗盡型MOSFET,使啟動時的延遲以及需要大電容的問題得到解決。由于被檢測電流波形前沿常夾雜有噪聲電平,通過外接RC網絡構成的低通濾波電路來抑制毛刺而使整個波形不產生畸變。各電源端也需要并接100nF的陶瓷電容用作高頻旁路。輸出驅動采用N溝道和P溝道互補型輸出級,可以直接驅動功率MOSFET。另外還具有軟啟動和過壓、過流保護的功能。

圖5 正激變換器拓撲圖
3 試驗結果
該驅動器分別與型號為86BYG200、90BYG200的兩臺混合式步進電機相連接,進行了相關的矩頻特性試驗以及帶額定負載下的長時間運行試驗。試驗結果表明,該驅動器能夠達到與相應的專用驅動器相同的技術指標,并且在很寬的頻率下電機都能穩定運行,電磁噪聲和發熱量也較低。而該驅動器也具有許多專用驅動器所不具備的優勢,例如:單一電源輸入,不需要外接控制電源和驅動電源;適應25~85V寬范圍的輸入電源;體積較小,成本較低,相對于專用驅動器可節省成本約20%左右。
4 結束語
本文作者創新點:以單片步進電機控制器L297為控制核心,采用由晶體三極管和功率MOS管組成的分立式的功率驅動電路,以及以單片電流型脈寬調制(PWM)控制器SI9114A為核心的高頻開關電源電路構成并實現了一種通用性強、控制簡單、成本低廉的兩相混合式步進電機驅動器。通過在包裝機控制系統中的實際使用,進一步證明了該步進電機驅動器工作可靠,效率高,矩頻特性好??梢詮V泛應用于小型機電一體化設備中,有效的降低成本,更好的滿足需求。






