【導讀】對于很多新手來說,尋找一些資料來閱讀并進行分析,是比較有效率的一種學習方法,但不一定容易。。本篇文章針對新手,將LDO規格書當中的一些概念進行了解釋,幫助大家更好的從LDO規格書學到自己想要的知識。對于剛接觸電源設計的新手來說,肯定是一篇不可多得的資料文章。
對于很多新手來說,尋找一些資料來閱讀并進行分析,是比較有效率的一種學習方法。很多人會從LDO規格書開始入手,但是LDO規格書當中有很多較為專業的名詞,對于新手來說并不容易理解。本篇文章就將對LDO規格書中一些經常出現的一些概念進行解釋。
過熱保護電路

圖1
如圖1所示,以藍色橢圓形圈出的過熱保護電路,可在輸出引腳(VOUT)和接地引腳(GND)短路等狀況時檢測電壓調節器是否過熱,并停止電壓調節器的運行以防止其受損。如果電壓調節器結點的溫度超過150°C,則過熱保護電路會停止電壓調節器的運行。此外,如果電壓調節器停止運行后結點的溫度降至125°C 以下,則將重新開始電壓調節器的運行。(實際溫度會因產品而異)因此,過熱保護電路的操作將重復關閉和開啟電壓調節器,直至引起電壓調節器過熱的原因被消除。結果可能會產生脈沖形輸出電壓。請避免這種情況的發生。在規格書中,用過熱保護檢測溫度(TTSD)和過熱保護解除溫度(TTSR)來表示。
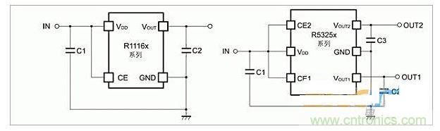
自動放電功能

圖2
當通過CE引腳將電壓調節器從工作模式切換至待機模式時,VOUT引腳電壓不會立即降至接地的水平,因為輸出電容需要時間來放電。為防止這種情況,理光在具有此功能的電壓調節器輸出電路(圖2中用藍色圓圈圈出)中增加了N型晶體管,以使輸出電容可以迅速放電。自動放電功能可以與系統關斷時序相結合。

圖3
如圖3所示,連接至VOUT引腳的電容在不帶自動放電功能的情況下放電需要2.73秒,而在自動放電功能的情況下放電則只需要126μs。
自動放電功能確保了當電壓調節器進入待機模式時輸出快速下降,同時也能防止當連接至VOUT引腳的輸出電容向外部系統放電時(如圖3中右圖所示)可能會產生的問題。
[page]
節電功能
諸如手機等越來越多的各種設備不僅僅具有通話模式(工作模式)和關閉模式這兩種狀態,同時還具有待機模式(休眠模式)等狀態。但是,在工作模式和休眠模式中,電壓調節器必須滿足完全不同的要求。在工作模式中,電壓調節器必須快速響應并具有高紋波抑制比,但在休眠模式中會消耗較低的消費電流。為了滿足這些相互沖突的條件,理光的電壓調節器具備了節電功能,可允許在快速響應模式和低功耗模式之間進行切換。

圖4
快速響應模式具有比低功耗模式快100倍的負載瞬態響應速度,而輸出電壓變化則為低功耗模式的1/10。
與快速響應模式相比,低功耗模式的消費電流僅為1/10。

圖5
快速響應模式中,1kHz時的紋波抑制比約為75dB,而在低功耗模式中,1kHz時的紋波抑制比將為約35dB。

圖6
[page]

圖7
浪涌電流限制電路

圖8
浪涌電流限制電路可防止電壓調節器啟動時的浪涌電流造成輸出電壓的波動。由于短路限流電路的作用,電壓調節器輸出電流和輸出電壓之間的關系圖呈折回形狀,如圖8所示。但是,啟動電壓調節器時,會有大量的電流在輸出電容充電前涌入。輸出電壓和輸出電流特性實例圖,大約會有1600mA的浪涌電流在流動。這種情況下,輸出電流將會受到影響,一旦浪涌電流停止,輸出電流將會立即猛增。為了避免這種情況的發生,浪涌電流限制電路會在電壓調節器啟動后的一定時間內將輸出電流限制在500mA以下。
[page]
浪涌電流限制時間可調
浪涌電流限制電路會在電壓調節器啟動時限制浪涌電流。但是當輸出電容較大時可能無法產生足夠的效果。當浪涌電流限制時間短于浪涌電流發生時間時就會出現這種情況。R1190x系列的浪涌電流限制電路通過連接電容至 DELAY引腳來設定浪涌電流限制的時間。浪涌電流限制時間(tD)和連接至DELAY引腳的電容器的電容CD(F)之間的關系可通過以下公式來計算:tD = <0.000198+ (3.79 x 107 x CD)> x VIN 即使電容沒有和 DELAY 引腳連接,浪涌電流也會被限制。這種情況下,CD=0,根據上述公式計算可得出浪涌電流限制時間。(tD=約200μs × VIN)

圖9
雙通道LDO電壓調節器
雙通道LDO 電壓調節器包括單路輸入類型和雙路輸入類型。單路輸入類型中兩個電壓調節器共享一個輸入引腳,由于減少了引腳的數量,因此其封裝較小。但是,在輸入電壓和輸出電壓之間存在較大的差異,由于兩個電壓調節器的輸入電壓相同,因此能耗和功耗會變大。

圖10
使用前的注意事項
特性實例

圖11
PCB 布線
確保VDD和GND導線的魯棒性。如果它們的阻抗過大,則可能會導致噪聲或使運行不穩定。在VDD和GND引腳之間連接一個大小適當的電容,并且盡可能的靠近引腳。
[page]
相位補償
在LDO(低輸入輸出電壓差)電壓調節器中具有相位補償,因此即使在負載電流變化時也能確保穩定運行。為此,采用了具有良好頻率特性和適宜的ESR(等效串聯電阻)的電容COUT。(陰影區域中為數據值)如果采用了鉭電容且電容的等效電阻值較大,則輸出可能會不穩定。評估電路時應將頻率特性考慮在內。根據電容尺寸、制造商和元件型號,電容的偏壓特性和溫度特性有所不同。評估電路時應將實際特性考慮在內。

圖12
短路限流電路
如圖13所示,藍色橢圓形中所示的短路限流電路作為“電流限制”,在輸出引腳(VOUT)和接地引腳(GND)短路時,通過限制輸出電流來保護電壓調節器免受損害。它由過流保護電路和短路電流保護電路組成。在特性實例中,在“輸出電壓和輸出電流”圖上,過流保護活動用藍色線條標出,短路電流保護活動用藍色圈圈出。過流保護的限制電流值在規格書中沒有定義。請參閱特性實例的圖表。短路電流保護的限制電流值在規格書中被定義為短路限流(Ilim)。在理光電壓調節器中,通常設定在 30mA 至 250mA 的范圍內。





