【導讀】“本文討論了SPWM發生器的實現,SPWM發生器是實現常用于電機控制和可再生能源等應用的功率逆變器的最廣泛使用的方法之一,本文包括了SPWM生成的每個步驟,以及如何在輸出端進行連接和濾波。
可再生能源仍然是世界范圍內的大趨勢。隨著捕獲風能、太陽能和其他形式的可再生能源的方法不斷發展,可再生能源系統的成本和效率對公司和消費者都越來越有吸引力。實際上,2016年,全球對可再生能源的資本投資跌到了多年來最低水平,但是卻創下了一年內可再生能源設備安裝數量最多的記錄。
在用于可再生能源系統的組件中,逆變器是一項尤其關鍵的系統組件。由于大多數可再生能源都是通過直流電(DC)產生的,因此逆變器在將直流電(DC)轉換為交流電(AC)以有效整合到現有電網中起著關鍵作用。在混合了不同可再生能源的混合動力系統和微電網系統中,逆變器至關重要。
可再生能源逆變器在使用單相和三相電機及其他旋轉機械的工業應用中也起著至關重要的作用。從逆變器獲得的可變頻率和電壓體現了此類設備中的自主控制原理。
為了實現功率轉換,DC-AC逆變器通常采用脈沖寬度調制(PWM)技術。這是一種很有用的技術,其中,功率MOSFET等開關由可變寬度的脈沖控制。為了獲得自動控制和調節,PWM技術用于將逆變器的AC電壓輸出及其頻率保持在標稱值,不受輸出負載影響。
為了從變頻器控制系統獲得更好的響應,已經開展了許多研究和開發了諸多技術。常規的逆變器根據負載的變化來改變輸出電壓。為了降低輸出電壓對負載變化的敏感度,基于PWM的逆變器通過改變以較高頻率產生的脈沖的寬度來調節輸出電壓。因此,輸出電壓取決于開關頻率和脈沖寬度,而開關頻率和脈沖寬度則根據輸出端連接的負載的值而變化。通過這種類型的調節,逆變器可提供恒定的標稱電壓和頻率,不受輸出功率影響。
有多種產生PWM的方法已經被研究過。逆變器的效率參數,例如開關損耗和諧波降低,是任何調制技術評估中考慮的主要因素。因此,正弦脈寬調制(SPWM)在功率電子中被廣泛用作逆變器設計的調制方法。
SPWM逆變器概念
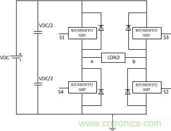
三相橋式逆變器是工業應用中最常用的逆變器拓撲。為了簡化概念,我們分析一下單相版本。單相設計包括H橋的每個橋臂上的開關晶體管或IGBT,具有反并聯續流二極管,可在開關關閉時放電。其原理圖如圖1所示。

圖1. 這個基礎H橋電路顯示了逆變器的關鍵組成部分
晶體管(通常為功率MOSFET)標識為S1、S2、S3和S4。切換開關以使同一橋臂上的兩個晶體管不會同時導通或斷開,從而防止短路。
為了在負載中產生交流電,晶體管必須成對工作:S1和S2導通,S3和S4斷開,反之亦然。表1列出了不同的開關狀態和對負載施加的電壓。

表1. 此表顯示了開關的邏輯
方波逆變器,已知為基礎逆變器,由兩個相位相反的方波運行,其頻率等于輸出端所需的頻率。其中一個波施加到S1和S2,另一個波施加到S3和S4。圖2顯示了如果使用這類逆變器,PWM控制信號和在負載中獲得的電壓。

圖2. 如果使用基礎逆變器,PWM控制信號和輸出電壓如圖所示
PWM技術基于恒定振幅脈沖的生成和通過改變占空比對脈沖持續時間的調制。參考信號或調制信號是所需的信號輸出(在逆變器輸出端的電壓波形為正弦波),載波信號的頻率必須比調制后的頻率大得多。這是使用正弦PWM(SPWM)作為PWM逆變器的調制方法的主要原因。
SPWM特性
SPWM基于恒定振幅的脈沖,每個周期具有不同的占空比。脈沖的寬度是通過調制載波來獲得的,從而獲得所需的輸出電壓并降低其諧波含量。
SPWM的載波信號通常是高頻的三角波,通常在幾kHz內。SPWM的調制信號是一個正弦波形,其頻率等于所需的輸出電壓頻率,通常為50 Hz或60 Hz。
在圖3中,顯示了正弦調制的簡化示意圖。通過比較正弦波形和三角載波波形來生成開關信號。當正弦電壓大于三角電壓時,比較器輸出為高電平。比較器的輸出脈沖用作剛才介紹的H橋的選通脈沖。

圖3. 該簡化原理圖顯示了SPWM如何產生開關信號
為了獲得更好的結果,三角波形和正弦波形之間的頻率比必須為整數N = fC/fS,其中fC是載波頻率或三角波,fS是調制頻率或正弦波。在這種情況下,每個半周期的電壓脈沖數為N/2。在圖4中可以看到這種效果,其中顯示了三角波、正弦波和PWM輸出波形。

圖4. 三角波形和正弦波形之間的頻率比必須為整數
占空比的調制過程被設計為調制指數m等于或小于1。如果m高于1,那么在三角信號的部分周期中,將不存在載波信號和調制信號的交叉點。對輸出信號的影響如圖5所示。但是,必須注意,有時會使用一定量的過調制來獲得較高的交流電壓幅值。

圖5. 有時需要一定量的過調制以提高AC電壓幅值
根據波形質量分析SPWM時,必須考慮諧波。SPWM在電壓波形中產生幾個數量級的不同諧波。然而,主要的是N和N±2階,而N被定義為fC/fS。如果考慮過調制,則輸出電壓具有較高的諧波含量,這是在產生較高電壓時的權衡。通過改變正弦電壓,可以調節輸出電壓。
具有固定振幅和頻率的三角波形,以及具有等于輸出頻率的固定頻率和可變振幅的正弦波形等這些概念,是本文闡述的實現SPWM發生器的基礎。SPWM發生器如圖6的框圖所示。

圖6. 該框圖顯示了SPWM發生器的設計和實現方式
高頻三角波形是產生SPWM信號的必要因素。這項任務通過有限狀態機(FSM)、計數器和D觸發器實現,在上圖中被稱為HF三角波發生器。該發生器基于AN-CM-265可編程PWM,可產生占空比呈三角變化的PWM。由于需要三角波,因此應用低通濾波器來消除方波的很高頻率。
使用GreenPAK模擬比較器將該三角波形與外部50或60 Hz低壓正弦波形進行比較。通過該比較,可以如前一節所述實現PWM的正弦調制。最后,使用逆變器為SPWM輸出生成互補信號。

圖7. SPWM發生器的輸出連接到H橋
如圖7所示,SPWM輸出及其互補信號連接到同一橋臂的每個晶體管。H橋的輸出包含一個LC濾波器,從而對SPWM的高頻分量進行了濾波,最后,將50或60 Hz的正弦波施加到負載。
實現SPWM發生器
SPWM發生器的實現基于Dialog半導體公司的SLG46826V,它是一種可配置的混合信號IC(CMIC),其中包含FSM數字計數器、高速模擬比較器和高頻振蕩器。這使該CMIC能夠用于生成所需的三角波形和正弦調制。
如上面所述,高頻三角波形發生器基于AN-CM-265可編程PWM。圖8中顯示了在GreenPAK Designer軟件中實現該發生器。

圖8. 三角波形發生器在GreenPAK Designer軟件中的實現
發生器使用內部25 MHz振蕩器,并配置為12.5 MHz的輸出頻率。該時鐘與宏單元CNT1和CNT2相結合,生成具有所需占空比的相應方波。
通過這種配置,三角波的周期為1 ms,因此可獲得1-kHz三角波。在此設計中,實現了50 Hz SPWM逆變器,但可以通過更改三角波形的周期將其修改為60 Hz或其他頻率。
具三角變化的高頻PWM連接到PIN 16,并連接了相應的外部低通濾波器。該濾波器基于一階RC濾波器,具有1.5 kΩ電阻和10 nF電容器,因此該濾波器的截止頻率為10.6 kHz。
濾波器的輸出(如圖6所示)連接到高速模擬比較器ACMP0H。ACMP0H的配置如圖9所示。

圖9. 高速模擬比較器的這種配置顯示了奇數輸出控制
該配置用于比較PIN 20和PIN 3之間的電壓。為了獲得最佳性能,必須禁用hysteresis和帶寬限制選項。因此,必須將一個低壓正弦波形發生器連接到PIN 3,以便獲得正弦PWM調制(圖10)。

圖10. 該框圖顯示了實現正弦PWM調制的調制器
為了生成針對PWM輸出的互補信號,將3-L1查找表配置為邏輯逆變器。最后,PWM輸出連接到PIN 5和PIN6。由于PIN 8和PIN 9連接到GreenPAK芯片的I2C模塊,因此有必要使用上拉電阻將它們連接到VDD。整個SPWM實現圖如圖11所示。

圖11. 這是SPWM發生器實現的完整視圖
測試SPWM的實現
為了測試SPWM的實現,我們組裝了整個系統,并使用示波器進行了分析。50 Hz正弦波信號是由功能信號發生器產生的,具有相應的振幅和偏移,可以將其直接連接到SLG46826V CMIC。整個系統如圖12所示。

圖12. 用于測試SPWM發生器的實現的整個系統
本文討論了SPWM發生器的實現,SPWM發生器是實現常用于電機控制和可再生能源等應用的功率逆變器的最廣泛使用的方法之一,本文包括了SPWM生成的每個步驟,以及如何在輸出端進行連接和濾波。
免責聲明:本文為轉載文章,轉載此文目的在于傳遞更多信息,版權歸原作者所有。本文所用視頻、圖片、文字如涉及作品版權問題,請聯系小編進行處理。
推薦閱讀:






