【導讀】在產品設計時,倘若沒有考慮應用環境對電源隔離的要求,產品到了應用時就會出現因設計方案的不當導致的系統不穩定,甚至出現高壓損壞后級負載的情況,以及出現危害人身財產安全的情況。因此產品設計是否需要隔離至關重要。
“南航一名23歲空姐在iPhone5充電時打電話被電死”,新聞在網上引起廣泛關注。充電器也能能危害生命?專家分析手機充電器內部變壓器漏電,220VAC的交流電漏電到直流端,并通過數據線傳導到了手機金屬殼上,最終導致觸電身亡,發生無可挽回的悲劇。
那么手機充電器輸出端為什么會帶有220V的交流電呢?隔離電源的選型要注意哪些事項?如何區分電源是隔離與非隔離?業內通用的看法是:
1、隔離電源:電源的輸入回路和輸出回路之間沒有直接的電氣連接,輸入和輸出之間是絕緣的高阻態,沒有電流回路,如圖1所示:

圖1 采用變壓器的隔離電源
2、非隔離電源:輸入和輸出之間有直接的電流回路,例如,輸入和輸出之間是共地的。以隔離的反激電路和非隔離的BUCK電路為例,如圖2所示。

圖2 非隔離電源

一、隔離電源與非隔離電源的優缺點
由上述概念可知,對于常用的電源拓撲而言,非隔離電源主要有:Buck、Boost、Buck-Boost等;而隔離電源主要有各種帶隔離變壓器的反激、正激、半橋、LLC等拓撲。
結合常用的隔離與非隔離電源,我們從直觀上就可得出它們的一些優缺點,兩者的優缺點幾乎是相反的。
使用隔離或非隔離的電源,需了解實際項目對電源的需求是怎樣的,但在此之前,可了解下隔離和非隔離電源的主要差別:
①隔離模塊的可靠性高,但成本高,效率差點。
②非隔離模塊的結構很簡單,成本低,效率高,安全性能差。
因此,在如下幾個場合,建議用隔離電源:
①涉及可能觸電的場合,如從電網取電,轉成低壓直流的場合,需用隔離的AC-DC電源;
②串行通信總線通過RS-232、RS-485和控制器局域網(CAN)等物理網絡傳送數據,這些相互連接的系統每個都配備有自己的電源,而且各系統之間往往間隔較遠,因此,我們通常需要隔離電源進行電氣隔離來確保系統的物理安全,且通過隔離切斷接地回路,來保護系統免受瞬態高電壓沖擊,同時減少信號失真;
③對外的I/O端口,為保證系統的可靠運行,也建議對I/O端口做電源隔離。
總結的表如表1所示,兩者的優缺點幾乎是相反的。
表1 隔離電源和非隔離電源的優缺點

二、隔離電源與非隔離電源的選擇
通過了解隔離與非隔離電源的優缺點可知,它們各有優勢,對于一些常用的嵌入式供電選擇,我們已可做成準確的判斷:
①系統前級的電源,為提高抗干擾性能,保證可靠性,一般用隔離電源。
② 電路板內的IC或部分電路供電,從性價比和體積出發,優先選用非隔離的方案。
③ 對安全有要求的場合,如需接市電的AC-DC,或醫療用的電源,為保證人身的安全,必須用隔離電源,有些場合還必須用加強隔離的電源。
④ 對于遠程工業通信的供電,為有效降低地電勢差和導線耦合干擾的影響,一般用隔離電源為每個通信節點單獨供電。
⑤ 對于采用電池供電,對續航力要求嚴苛的場合,采用非隔離供電。
通過了解隔離與非隔離電源的優缺點可知,它們各有優勢,對于一些常用的嵌入式供電設計,我們可總結出其選擇的場合。
1、隔離電源
● 系統前級的電源,為提高抗干擾性能,保證可靠性,一般用隔離電源;
● 對安全有要求的場合,如需接市電的AC-DC,或醫療用的電源和白色家電,為保證人身的安全, 必須用隔離電源,如MPS的MP020,為原邊反饋隔離型AC-DC,適合于1~10W應用 ;
● 對于遠程工業通信的供電,為有效降低地電勢差和導線耦合干擾的影響,一般用隔離電源為每個通信節點單獨供電。
2、非隔離電源
電路板內的IC或部分電路供電,從性價比和體積出發,優先選用非隔離的方案;如MPS的MP150/157/MP174系列buck型非隔離AC-DC,適合于1~5W應用;
對于工作電壓低于36V,采用電池供電,對續航力要求嚴苛的場合,優先采用非隔離供電,如MPS的MP2451/MPQ2451。
隔離電源與非隔離電源優缺點

通過了解隔離與非隔離電源的優缺點可知,它們各有優勢,對于一些常用的嵌入式供電選擇,我們可遵循以下判斷條件:
對安全有要求的場合,如需接市電的AC-DC,或醫療用的電源,為保證人身的安全,必須用隔離電源,有些場合還必須用加強隔離的電源。
一般場合使用對模塊電源隔離電壓要求不是很高,但是更高的隔離電壓可以保證模塊電源具有更小的漏電流,更高的安全性和可靠性,并且EMC特性也更好一些,因此目前業界普遍的隔離電壓水平為1500VDC以上。
三、隔離電源模塊選型的注意事項
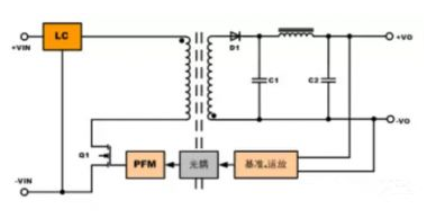
電源的隔離耐壓在GB-4943國標中又叫抗電強度,這個GB-4943標準就是我們常說的信息類設備的安全標準,就是為了防止人員受到物理和電氣傷害的國家標準,其中包括避免人受到電擊傷害、物理傷害、爆炸等傷害。如下圖為隔離電源結構圖。

隔離電源結構圖
作為模塊電源的重要指標,標準中也規定了隔離耐壓相關測試方法,簡單的測試時一般采用等電位連接測試,連接示意圖如下:

隔離耐壓測試示意圖
測試方法:
將耐壓計的電壓設為規定的耐壓值,電流設為規定的漏電流值,時間設為規定的測試時間值;
操作耐壓計開始測試,開始加壓,在規定的測試時間內,模塊應無擊穿,無飛弧現象。
注意在測試時焊接電源模塊要選取合適的溫度,避免反復焊接,損壞電源模塊。
除此之外還要注意:
1、要注意是AC-DC還是DC-DC。
2、隔離電源模塊的隔離耐壓。例如隔離1000V DC 是否滿足絕緣要求。
3、隔離電源模塊是否有進行全面的可靠性測試。電源模塊要經過性能測試、容差測試、瞬態條件測試、可靠性測試、EMC電磁兼容測試、高低溫測試、極限測試、壽命測試、安規測試等。
4、隔離電源模塊的生產工廠產線是否規范。電源模塊生產線需要通過ISO9001, ISO14001,OHSAS18001等多項國際認證,如下圖3所示。

圖3 ISO認證
5、隔離電源模塊是否有應用在工業、汽車等惡劣環境。電源模塊不僅僅大量應用與惡劣的工業環境,同時在新能源汽車的BMS管理系統中也游刃有余。
四、關于隔離電源與非隔離電源的感悟
首先闡述一個誤區:很多人認為非隔離電源不如隔離電源好,因為隔離電源貴,所以肯定貴的就好。
為什么現在大家的印象當中用隔離電源比用非隔離的要好,其實不然,這種想法都是停留在幾年前的想法當中。因為前幾年非隔離的穩定性確實沒有隔離穩定,但隨著研發技術的更新,現如今非隔離已經非常成熟,日漸穩定。說到安全性,其實現在非隔離電源也是很安全的,只要在結構稍微做下改動,對人體還是很安全的,同樣的道理,非隔離電源也是可以過很多安規標準,例如:ULTUVSAACE等。
實際上非隔離電源損壞的根源就是電源AC線兩端的浪涌電壓所致,也可以這么說,雷擊浪涌吧,這種電壓是加在電壓AC線兩端的瞬間高壓,有時高達三千伏,但時間很短,能量卻極強,在打雷時會發生,或是在同一條AC線上,當一個大的負載斷開瞬間,因為電流慣性的原因也會發生,這個電壓進入電源,對于非隔離BUCK電路,會瞬間傳達到輸出,擊壞恒流檢測環,或是進一步擊壞芯片,造成300v直通,而燒掉整條燈管。對于隔離反激電源,會擊壞MOS,現象就是保管,芯片,MOS管全燒壞。現在LED驅動電源,在使用過程中壞的,80%以上都是這兩種類似現象。而且,小型開關電源,就算是電源適配器,也經常損壞的是這個現象,均是浪涌電壓所致,而在LED電源里,表現的更加普遍,這是因為LED的負載特性是特別的怕浪涌電壓的。
如果按照一般的理論來講,電子電路里,元器件越少,可靠性越高,相應越多的元件的電路板可靠性則越低。實際上非隔離電路的元件是比隔離電路要少的,為什么隔離電路可靠性高。其實說白了,不是什么可靠性,而是非隔離電路對于浪涌太敏感,抑制能力差,隔離電路,因為能量是先進入變壓器,然后從變壓器再輸送到LED負載的。BUCK電路是輸入電源一部分直接加在了LED負載上,故前者對浪涌抑制和衰減能力強,所以浪涌來時損壞的機率小而已。實際上,不隔離電源的問題主要是在于浪涌問題,目前這個問題,因為只有LED燈具在大批量應用時,從概率上才能看出其解決的程度,所以很多人沒有提出好的防治辦法,更多的人則是不知道浪涌電壓為何物,很多人。LED燈具壞了,也找不到原因,最后只能一句,什么此電源不穩定就了結了,具體哪里不穩定,他不知道。
非隔離電源一是效率,二是成本上比較有優勢。
非隔離電源適合的場合:首先,是室內的燈具,這種室內用電環境較好,浪涌影響小。第二,使用的場合是高壓小電流,低壓大電流用非隔離沒有意義,因為低壓大電流非隔離的效率并不比隔離的高,成本也低不到多少去。三,電壓相對較穩定的環境中使用非隔離電源。當然,如果有辦法解決掉抑制浪涌的問題,那么非隔離電源的應用范圍將大大拓寬!
隔離電源因為浪涌的問題,損壞率也不可小覷,一般那種返修回來,擊壞保險,芯片,MOS的第一個應該想到是浪涌問題。為了減少損壞率,在設計時就行要考慮到浪涌的因素進去,或是在使用時要告戒用戶,盡量避免浪涌發生。(如室內燈具,打雷時暫時先關掉)
綜合所述,使用隔離與非隔離很多時候都是因為浪涌這個問題,而浪涌問題和用電環境是息息相關的,所以很多時候使用隔離電源和非隔離電源不能一刀切,非隔離電源在節能,成本上都是很有優勢的,所以要科學的選用非隔離還是隔離作為LED驅動電源。
五、總結
本文介紹了隔離電源和非隔離電源的區別,以及各自的優缺點、適應場合,以及隔離電源的選型注意事項,希望工程師在產品設計時能以此為參考,正確應用電源在產品的研發中,以及在產品出現故障后,快速定位問題所在。
免責聲明:本文為轉載文章,轉載此文目的在于傳遞更多信息,版權歸原作者所有。本文所用視頻、圖片、文字如涉及作品版權問題,請聯系小編進行處理。
推薦閱讀:



