變壓器鐵芯的磁滯損耗,實際上就是流過變壓器初級線圈勵磁電流產生的磁場在鐵芯中產生的一部分能耗;但并不是所有勵磁電流的能量都轉化為磁滯損耗,還有一部分勵磁電流的能量要轉化反電動勢輸出。變壓器初級線圈產生的反電動勢同時也會在變壓器鐵芯中感應產生渦流損耗電流,即當輸入電壓為0時刻,在變壓器鐵芯中還存在很短暫時間的渦流損耗;由于這種渦流損耗是由反電動勢提供能量來維持的,它將隨著反電動勢能量的衰減很快就衰減到0
我們在前面《開關電源變壓器磁滯損耗分析》章節中已經指出,變壓器鐵芯的磁滯損耗,實際上就是流過變壓器初級線圈勵磁電流產生的磁場在鐵芯中產生的一部分能耗;但并不是所有勵磁電流的能量都轉化為磁滯損耗,還有一部分勵磁電流的能量要轉化反電動勢輸出;因此,只要求出勵磁電流總的損耗,再減去反電動勢輸出的損耗,剩余之值就是磁滯損耗。



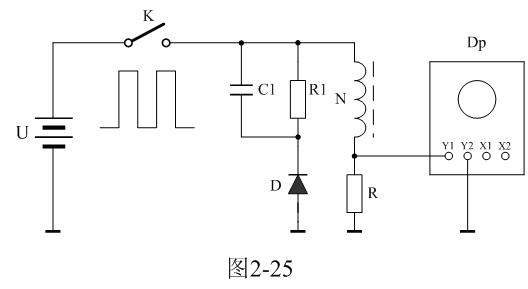
根據(2-65)式和(2-66)式以及圖2-19和圖2-20的分析結果,我們可以用圖2-25電路來測試單激式開關變壓器的磁滯損耗和渦流損耗,以及勵磁電流反激輸出的功耗。


[page]
圖2-25中,U是電源電壓,通過控制開關K不斷地接通和關斷,就可以把電源電壓調制成單極性電壓脈沖;N為變壓器初級線圈,D為反激輸出整流二極管;R1為反激輸出負載電阻;C1為濾波電容;R為取樣電阻,通過測量R兩端的電壓,就可以知道流過變壓器初級線圈的電流;取樣電壓被送到示波器Dp進行顯示。
圖2-26是圖2-25電路中變壓器初級線圈兩端電壓以及電流波形圖。圖2-25中,通過改變控制開關K的占空系數,可使變壓器初級線圈正好工作于電流臨界連續狀態或電流斷續狀態,即:流過變壓器初級線圈中的電流在下一次控制開關K接通之前為0。
圖2-26中是控制開關K的占空系數約等于0.5時,變壓器初級線圈兩端的電壓和電流波形。當控制開關K的占空系數約為0.5時,圖2-25電路基本工作于電流臨界連續或電流微斷續狀態。

圖2-25中,C1濾波電容的作用是取反電動勢的平均值,以便于測量;勵磁電流產生反激輸出的波形如圖2-26-a中虛線所示,不過此波形是半波平均值,并且其幅度受負載電阻大小的影響很大,其幅值就是濾波電容C1兩端直流電壓的幅值,此值一般小于輸入電壓幅度。

在對電流、電壓、功率進行進行計算或測量的時候,最好采用半波平均值(或半周平均值)概念,以便與開關電源工作的時間對應。半周平均值概念請參看(2-19)式和(2-20)式;半波平均值概念請參看第一章的內容。這里再重復一次半波平均值的計算方法。

[page]


磁滯損耗半波平均功率Pc可根據(2-76)式或(2-77)式求得,不過在求Pc時,還須先求反激輸出電壓在負載電阻R1上的半波平均功率Pr1;而計算反激輸出電壓在負載電阻R1上的半波平均功率Pr1時,還得先求反激輸出電壓在負載電阻R1上的全波平均值Pra;而全波平均值Pra就是反激輸出電壓在負載電阻R1上損耗的功率。
計算反激輸出電壓在負載電阻R1上的功率Pra時,需要測量濾波電容C1兩端的電壓Uc;不過C1兩端的電壓是一個直流,相當于反激輸出電壓的平均值;反激輸出電壓的幅值也是濾波電容C1兩端的直流電壓幅值,不過這個幅值不是通過一次反激電壓輸出就能積分出來的,它需要經過很多次反激電壓輸出,并經過多次積分后,才能使輸出電壓最后穩定下來。
C1兩端的電壓的測量比較容易,用普通電壓表就可以測量,但最好用示波器的直流檔來測量;因為,普通電壓表的內阻比較小,會影響測量精度。

(2-79)式中,Pra為反激輸出功率的全波平均值,Uc為濾波電容兩端的電壓,R1為負載電阻。
算出平均值Pra后,還要把它轉換成半波功率Pr1,即變壓器初級線圈加電壓時勵磁電流為反激輸出存儲的功率。Pr1與Pra的關系是:

[page]
因為單激式開關電源變壓器的輸入電壓的正負半周是不對稱的,因此,把磁滯損耗分成半波磁滯損耗平均功率和全波磁滯損耗平均功率更容易理解。
從(2-81)式和(2-82)式還很難看出,單激式開關電源變壓器的磁滯損耗主要與誰相關,因為等式右邊的減數和被減數與輸入電壓、脈沖寬度都有相同變化的趨向。實際上在脈沖寬度固定的情況下,單激式開關電源變壓器的磁滯損耗是很小的,此結果在《開關電源變壓器磁滯損耗分析》的章節中已經分析過。
單激式開關電源變壓器的磁滯損耗主要出現在脈沖寬度不斷變化的時候,這個結果從(2-81)式和(2-82)式也可以看得出來。由于(2-81)和(2-82)兩式中減數與被減數在變化速率上相差很多個周期;當輸入脈沖寬度不斷變化的時候,就不能說它們之間的變化都是同一趨向,(2-81)式和(2-82)式中減數項的U2電壓大小以及相位變化都要受到輸入脈沖寬度進行調制;因此,它們之間的差也是不斷跟隨輸入脈沖寬度的大小而變化的。
下面我們再來分析單激式開關電源變壓器的渦流損耗。

由于單激式開關電源變壓器的輸入電壓的正負半周是不對稱的,因此,把渦流電流產生的半波平均功率和全波平均功率更容易理解。
從(2-83)式和(2-84)式以及(2-66)式可以看出,單激式開關電源變壓器的渦流損耗功率,與輸入電壓脈沖的寬度成正比,與輸入電壓的平方成正比。
順便指出:(2-84)式的結果,是認為渦流損耗在t1-t2期間(圖2-26-b)完全等于0而求得的,但實際上,在t1-t2期間變壓器初級線圈產生的反電動勢同樣也會在變壓器鐵芯中感應產生渦流損耗電流,即當輸入電壓為0時刻,在變壓器鐵芯中還存在很短暫時間的渦流損耗;由于這種渦流損耗是由反電動勢提供能量來維持的,它將隨著反電動勢能量的衰減很快就衰減到0。
既然,渦流損耗會從反電動勢中攝取一部分能量,那么,反電動勢輸出給負載R1的能量就會要減少同樣一部分;即,渦流損耗的一部分能量被劃分到磁滯損耗那邊去了。因此,渦流損耗與磁滯損耗總是有點糾纏不清,要把它完全分開還是比較難的。
另外,工作于反激式輸出的大功率單激式開關電源變壓器,其初級線圈的電感相對比較小,因此,其勵磁電流比較大,要精確測試其磁滯損耗和渦流損耗也是比較困難的。因為,如果按實際工作的條件來測試,反電動勢輸出的功率非常大,因此,在負載R1上損耗的功率也將很大;如果用小功率進行測試,離實際工作條件相差太遠,測量出來的結果就沒有實際意義。
因此,(2-81)、(2-82)、(2-83)、(2-84)式最好只用于對正激式輸出的單激式開關電源變壓器進行磁滯損耗和渦流損耗功率測試,因為其初級線圈的電感相對比較大,勵磁電流比較小;如果需要對反激式輸出的單激式開關電源變壓器進行測試,最好只用于對小功率開關電源進行對比測試。
比如要對一個100瓦以上的反激式開關電源進行磁滯損耗和渦流損耗測試,我們可以用一個功率只有5瓦或10瓦的小開關電源來進行對比試驗,然后把試驗結果或優化措施移植到大功率開關電源之中。當然開關變壓器的伏秒容量以及工作電壓和頻率應該基本一樣,試驗才會有效。



