【導讀】利用二極管的單向導電性可以設計出好玩、實用的電路。分享本文,分析限幅電路和鉗位電路,是如何用二極管來實現的。
利用二極管的單向導電性可以設計出好玩、實用的電路。分享本文,分析限幅電路和鉗位電路,是如何用二極管來實現的。
限幅電路
如下圖所示,當在正半周期,并且VIN大于等于0.7V,二極管正向導通。此時,VOUT會被鉗位在0.7V上。
而當VIN小于0.7V時二極管是截止狀態,在負半周期時相當于電流反向,二極管也是截至狀態,此時VOUT=VIN,VOUT波形跟隨VIN變化。

限輻電路示意圖
根據上面限輻電路的原理,可以設計如下雙向限輻電路。

雙向限輻電路示意圖
然而有時候0.7V電壓不能滿足要求,那么,怎么產生不同大小的限幅電壓?
在電路中加入偏置電壓VBIAS,只有當VIN大于等于VBIAS時二極管才能導通。此時VOUT被鉗位,其值是0.7V+VBIAS,如下圖所示。

偏壓限幅電路示意圖
鉗位電路
下面是二極管結合電容實現的鉗位電路。分析中不考慮二極管的導通壓降,假設RC時間常數足夠大,從而使輸出波形不會失真。
鉗位電路原理
當輸入Vin在負半周期為負時,電流如下圖中紅色箭頭所示。二極管導通,電容逐漸充電至V,在此過程中Vout=0。
當輸入Vin在正半周為正時,電流如藍色箭頭所示。二極管截止,Vout等于電容上電壓加上正半周電壓V,此時Vout=2V。

鉗位電路原理
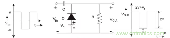
偏壓鉗位電路
跟限幅電路類似的,為了獲得所需要的鉗位值,要在電路中加入偏置電壓,如下圖所示。

偏壓鉗位電路
當所加的偏壓與二極管導通方向一致,鉗位值會提高V1,Vout=2V+V1。
雙向二極管鉗位電路應用舉例
在某些電路中會利用兩個二極管的鉗位作用進行保護,如下圖所示,假設0.7V為D1和D2的導通電壓。
Vin大于等于Vmax,D1導通,Vout會被鉗位在Vmax
Vin小于等于Vmin時,Vout被鉗位在Vmin

二極管鉗位保護電路
免責聲明:本文為轉載文章,轉載此文目的在于傳遞更多信息,版權歸原作者所有。本文所用視頻、圖片、文字如涉及作品版權問題,請電話或者郵箱聯系小編進行侵刪。
推薦閱讀:
射頻元件——LC諧振電路
提高設施電力可用性和可靠性的五大途徑
仿真,測試和驗證三步解決5G RF設計問題
基于單片機的函數發生器的設計
眾口難調翻篇兒,了解最新USB4標準測試要求和挑戰
射頻元件——LC諧振電路
提高設施電力可用性和可靠性的五大途徑
仿真,測試和驗證三步解決5G RF設計問題
基于單片機的函數發生器的設計
眾口難調翻篇兒,了解最新USB4標準測試要求和挑戰



