【導讀】電子通信領域正在迅速擴展到日常生活的方方面面。數據的檢測、傳輸和接收需要各種各樣的器件,例如光學傳感器、RF MEMS、PIN二極管、APD、激光二極管和高壓DAC等。在許多情況下,這些器件需要數百伏才能工作,因此需要滿足嚴格的效率、空間和成本要求的DC-DC轉換器。
電子通信領域正在迅速擴展到日常生活的方方面面。數據的檢測、傳輸和接收需要各種各樣的器件,例如光學傳感器、RF MEMS、PIN二極管、APD、激光二極管和高壓DAC等。在許多情況下,這些器件需要數百伏才能工作,因此需要滿足嚴格的效率、空間和成本要求的DC-DC轉換器。
ADI公司的LT8365是一款多功能單芯片升壓轉換器,集成了150 V、1.5 A開關,非常適合通信領域的高壓應用,包括便攜式設備。從低至 2.8 V 和高至 60 V 的輸入可輕松產生高壓輸出。它具有可選的擴頻頻率調制功能,有助于降低EMI,以及數據手冊中詳述的許多其他常用功能。
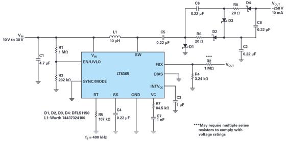
圖1和圖2所示的轉換器用于從12 V輸入源為高壓DAC、MEMS、RF開關和高壓運算放大器提供正負電壓軌。這些轉換器在非連續導通模式(DCM)下工作,可提供高達10 mA的電流,輸出電壓為+250 V和–250 V,轉換效率約為80%。
圖1.12 V 輸入至 250 V 輸出 2 級升壓轉換器。
圖2.12 V輸入至–250 V輸出2級反相轉換器。
升壓比 > 1:40
升壓轉換器中DCM操作的一個好處是能夠實現與占空比無關的高升壓比。此外,電感和輸出電容的值和物理尺寸可以減小,從而減小PCB上的整體尺寸解決方案。圖3中的電路可輕松安裝在小于1 cm的區域內2.
在某些情況下,只有一個非常低的輸入源可用,并且需要高輸出電壓。圖3所示的轉換器可用于驅動各種雪崩光電二極管、PIN二極管和其他需要高偏置電壓的器件。該升壓轉換器從3 V輸入源產生125 V電壓,負載電流高達3 mA。
圖3.3 V輸入至125 V輸出升壓轉換器。
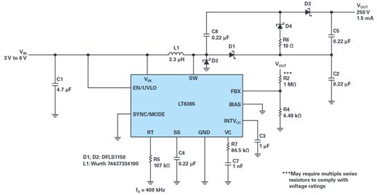
圖4所示轉換器從3 V輸入源將125 V輸出擴展至250 V,支持約1.5 mA電流。通信領域有許多器件需要來自低輸入電壓源的如此高的偏置電壓。
圖4.3 V 輸入至 250 V 輸出 2 級升壓轉換器。
你能走多高或多低?
對于需要非常高電壓(無論是正電壓還是負電壓)的情況,升壓轉換器可以使用乘法器級將輸出升壓 2×、3× 或更高。圖1和圖2中的轉換器顯示了如何在正負兩個方向上使開關電壓加倍。圖5所示的3級升壓轉換器采用12 V輸入源提供375 V/8 mA電壓。
請注意,可用輸出電流必須隨著輸出電壓的增加而降低,因為開關能力不會改變。例如,設計為提供20 mA電流的單級轉換器在增加第二級時將提供約10 mA電流。添加其他級時,請始終確保峰值開關電流保持在保證的開關電流限值內。
圖5.12 V 輸入至 375 V 輸出 3 級升壓轉換器。
簡化輸出電壓檢測
LT8365 提供了一個用于檢測輸出電壓的單 FBX 引腳。連接到FBX引腳的簡單電阻分壓器檢測輸出電壓,與輸出極性無關,如本文介紹的所有原理圖所示。
結論
LT8365支持需要從低至2.8 V的輸入電壓進行緊湊、高效、高輸出電壓升壓轉換的應用,這在通信領域很常見。它還可以用作反相轉換器和流行的拓撲結構,如CUK和SEPIC轉換器。LT8365 采用小型、耐熱性能增強型 16 引腳 MSOP 封裝。
免責聲明:本文為轉載文章,轉載此文目的在于傳遞更多信息,版權歸原作者所有。本文所用視頻、圖片、文字如涉及作品版權問題,請聯系小編進行處理。
推薦閱讀:






