【導讀】源極跟隨器(Source Follower)是一種常見的放大電路,也被稱為電壓跟隨器或共射跟隨器。它的名稱源自其特性:輸出跟隨輸入電壓(也就是源極電壓)。
為什么叫源極跟隨器
源極跟隨器(Source Follower)是一種常見的放大電路,也被稱為電壓跟隨器或共射跟隨器。它的名稱源自其特性:輸出跟隨輸入電壓(也就是源極電壓)。
源極跟隨器的基本結構包括一個NPN晶體管或場效應管的晶體管(BJT或FET)和負載電阻。輸入信號作用在晶體管的基極或柵極上,而輸出信號則從晶體管的源極(對于BJT)或漏極(對于FET)處獲得。
名稱“源極跟隨器”有以下幾個原因:
1. 源極電壓跟隨輸入電壓:源極跟隨器的輸出電壓幾乎等于其輸入電壓,因此可以說輸出電壓緊跟著輸入電壓的變化,跟隨器起到輸入電壓的驅動作用。
2. 源極電流跟隨輸入電流:源極跟隨器的輸出電流幾乎等于其輸入電流,輸入信號的電流變化會被跟隨器的輸出電流所反映。
3. 源極是信號源:在某些電路中,源極跟隨器的輸入電壓直接提供給下游電路作為信號源,因此它作為信號源的功能可以從它的名稱中推斷出來。
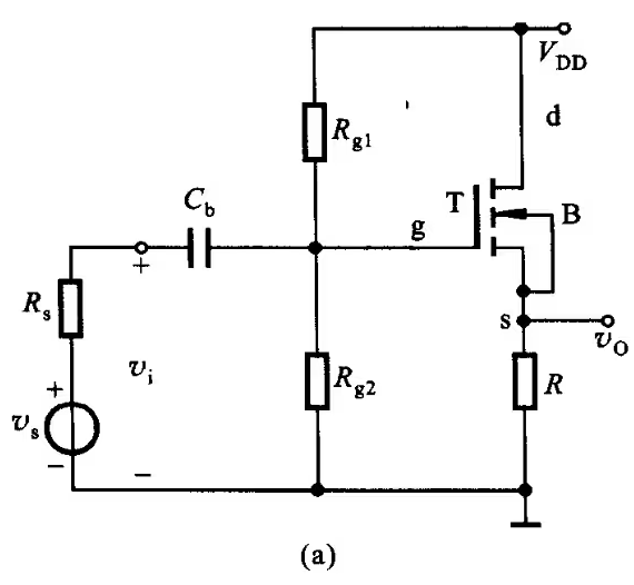
圖所示為公漏極(源極跟隨器)放大電路。其工作原理與射極跟隨器相似。具有輸入阻抗特別高、輸出阻抗低、電壓放大倍數近似為1的特點。在測量儀器的輸入端,常采用場效應晶體管源極跟隨器作阻抗變換。

源極跟隨器的特點
源極跟隨器(Source Follower)具有以下幾個主要特點:
1. 增益小:源極跟隨器的電壓增益接近于1,即幾乎沒有電壓放大作用。這是因為輸出電壓跟隨輸入電壓,所以當輸入電壓變化時,輸出電壓也會相應變化,但幅度上幾乎不會有放大。
2. 噪聲小:由于源極跟隨器的輸入電阻相對較高,輸出電阻相對較低,噪聲會被分壓和阻尼。因此,源極跟隨器通常具有較低的噪聲水平。
3. 輸入-輸出阻抗匹配:源極跟隨器具有較低的輸出阻抗和較高的輸入阻抗。這種阻抗特性使其能夠在電路之間提供良好的匹配,減少信號的失真和反射。
4. 高電流傳遞能力:源極跟隨器可以提供較大的輸出電流,因為它的輸出電流幾乎等于輸入電流。這使得它可以驅動相對較大的負載。
5. 高穩定性:源極跟隨器具有較好的溫度穩定性和較低的漂移。這是因為其工作點主要由源極電壓控制,源極電壓在許多情況下相對穩定。
源極跟隨器也有一些限制。例如,它的電壓增益較小,不能實現較大的電壓放大。此外,由于其工作原理,源極跟隨器的輸出電壓會降低一個晶體管的閾值電壓。
源極跟隨器的作用
源極跟隨器(Source Follower)在電路中有多種應用和作用,主要包括以下幾個方面:
1. 緩沖放大器:源極跟隨器作為緩沖放大器使用時,可以將輸入信號的電壓跟隨并放大到較低的輸出阻抗,以提供一個能夠驅動后續電路的穩定信號源。
2. 信號隔離器:通過源極跟隨器,輸入信號的電壓驅動源極電流,從而在輸出端產生與輸入信號相關的電流,實現電壓到電流的轉換。這種電流輸出特性可以用于信號隔離和驅動要求較高電流的電路。
3. 電壓級移器:源極跟隨器可以將輸入信號的電壓級別移動到較低的電壓范圍,例如將高電平信號轉換為低電平信號。這在某些電路和系統設計中是非常有用的。
4. 阻抗轉換器:源極跟隨器的輸入阻抗相對較高,輸出阻抗相對較低,因此它可以用作阻抗轉換器,將高阻抗的輸入信號轉換為低阻抗的信號輸出,以匹配不同電路之間的阻抗。
5. 運算放大器的電平平移:在某些運算放大器電路中,源極跟隨器可以用作輸入級別移動器,將輸入信號的電平移動到更適合運算放大器的輸入范圍內。
源極跟隨器作為一種常見的放大電路,在電子設備和電路設計中具有廣泛的應用。它可以實現信號的緩沖放大、電平轉換、阻抗匹配和信號隔離等功能。
源極跟隨器基本原理
源極跟隨器的基本原理是利用晶體管或場效應管的工作特性,實現輸入電壓與輸出電壓的跟隨關系。
以晶體管為例,源極跟隨器的基本原理如下:
1. 輸入信號作用于晶體管的基極,通過基極電流驅動晶體管的放大作用。
2. 當輸入信號的電壓增加時,基極電流也相應增加。在NPN晶體管中,基極電流會導致集電極電流的增加。
3. 增加的集電極電流會通過晶體管的放大作用,導致晶體管中的PN結(發射結)的電流也增加。這個電流通過晶體管的發射極,由負載電阻來接收。
4. 負載電阻會將通過晶體管的發射極流過的電流轉換為相應的輸出電壓。由于負載電阻相對較低,輸出電壓可以近似等于集電極電壓,即源極電壓。
源極跟隨器的基本原理是,輸入信號通過晶體管的放大作用,驅動輸出電流流過負載電阻,產生與輸入電壓相近的輸出電壓。輸出電壓幾乎與輸入電壓一致,所以可以說輸出信號跟隨輸入信號的變化。相比于輸入端,輸出端具有較低的阻抗,可以提供較大的輸出電流。
免責聲明:本文為轉載文章,轉載此文目的在于傳遞更多信息,版權歸原作者所有。本文所用視頻、圖片、文字如涉及作品版權問題,請聯系小編進行處理。
推薦閱讀:



