【導讀】對一個給定的直流開關電源來說,保護電路是否完善并按預定設置工作,對電源裝置的安全性和可靠性至關重要。因為開關電源的保護方案和電路結構具有多樣性,所以對具體電源裝置而言,應選擇合理的保護方案和電路結構。在實際應用中,通常選用幾種保護方式加以組合的方式構成完善的保護系統,確保直流開關電源的正常工作。
隨著科學技術的發展,電力電子設備與人們的工作、生活的關系日益密切,而電子設備都離不開可靠的電源,因此直流開關電源開始發揮著越來越重要的作用,并相繼進入各種電子、電器設備領域,程控交換機、通訊、電子檢測設備電源、控制設備電源等都已廣泛地使用了直流開關電源。同時隨著許多高新技術,包括高頻開關技術、軟開關技術、功率因數校正技術、同步整流技術、智能化技術、表面安裝技術等技術的發展,開關電源技術在不斷地創新,這為直流開關電源提供了廣泛的發展空間。但是由于開關電源中控制電路比較復雜,晶體管和集成器件耐受電、熱沖擊的能力較差,在使用過程中給用戶帶來很大不便。為了保護開關電源自身和負載的安全,根據了直流開關電源的原理和特點,設計了過熱保護、過電流保護、過電壓保護以及軟啟動保護電路。文中主要討論了直流開關電源內部器件的各種保護方式,并介紹了一些具體電路。
開關電源的原理及特點
1.工作原理
直流開關電源由輸入部分、功率轉換部分、輸出部分、控制部分組成。功率轉換部分是開關電源的核心,它對非穩定直流進行高頻斬波并完成輸出所需要的變換功能。它主要由開關三極管和高頻變壓器組成。圖1畫出了直流開關電源的原理圖及等效原理框圖,它是由全波整流器,開關管V,激勵信號,續流二極管Vp,儲能電感和濾波電容C組成。實際上,直流開關電源的核心部分是一個直流變壓器。

圖1:直流開關電源原理
2.特點
為了適應用戶的需求,國內外各大開關電源制造商都致力于同步開發新型高智能化的元器件,特別是通過改善二次整流器件的損耗,并在功率鐵氧體(Mn-Zn)材料上加大科技創新,以提高在高頻率和較大磁通密度下獲得高的磁性能,同時SMT技術的應用使得開關電源取得了長足的進展,在電路板兩面布置元器件,以確保開關電源的輕、小、薄。因此直流開關電源的發展趨勢是高頻、高可靠、低耗、低噪聲、抗干擾和模塊化。
直流開關電源的缺點是存在較為嚴重的開關干擾,適應惡劣環境和突發故障的能力較弱。由于國內微電子技術、阻容器件生產技術以及磁性材料技術與一些技術先進國家還有一定的差距,因此直流開關電源的制作技術難度大、維修麻煩和造價成本較高,
直流開關電源的保護
基于直流開關電源的特點和實際的電氣狀況,為使直流開關電源在惡劣環境及突發故障情況下安全可靠地工作,本文根據不同的情況設計了多種保護電路。
1.過電流保護電路
在直流開關電源電路中,為了保護調整管在電路短路、電流增大時不被燒毀。其基本方法是,當輸出電流超過某一值時,調整管處于反向偏置狀態,從而截止,自動切斷電路電流。如圖1所示,過電流保護電路由三極管BG2 和分壓電阻R4、R5組成。電路正常工作時,通過R4與R5的壓作用,使得BG2 的基極電位比發射極電位高,發射結承受反向電壓。于是BG2 處于截止狀態(相當于開路),對穩壓電路沒有影響。當電路短路時,輸出電壓為零,BG2 的發射極相當于接地,則BG2 處于飽和導通狀態(相當于短路),從而使調整管BG1 基極和發射極近于短路,而處于截止狀態,切斷電路電流,從而達到保護目的。

圖2:過電流保護電路
2.過電壓保護電路
直流開關電源中開關穩壓器的過電壓保護包括輸入過電壓保護和輸出過電壓保護。如果開關穩壓器所使用的未穩壓直流電源(諸如蓄電池和整流器)的電壓如果過高,將導致開關穩壓器不能正常工作,甚至損壞內部器件,因此開關電源中有必要使用輸入過電壓保護電路。

圖3:過電壓保護電路
圖3為用晶體管和繼電器所組成的保護電路,在該電路中,當輸入直流電源的電壓高于穩壓二極管的擊穿電壓值時,穩壓管擊穿,有電流流過電阻R,使晶體管T導通,繼電器動作,常閉接點斷開,切斷輸入。輸入電源的極性保護電路可以跟輸入過電壓保護結合在一起,構成極性保護鑒別與過電壓保護電路。
[page]
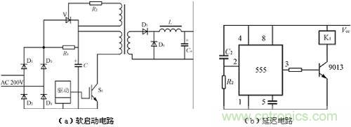
3. 軟啟動保護電路
開關穩壓電源的電路比較復雜,開關穩壓器的輸入端一般接有小電感、大電容的輸入濾波器。在開機瞬間,濾波電容器會流過很大的浪涌電流,這個浪涌電流可以為正常輸入電流的數倍。這樣大的浪涌電流會使普通電源開關的觸點或繼電器的觸點熔化,并使輸入保險絲熔斷。另外,浪涌電流也會損害電容器,使之壽命縮短,過早損壞。為此,開機時應該接入一個限流電阻,通過這個限流電阻來對電容器充電。為了不使該限流電阻消耗過多的功率,以致影響開關穩壓器的正常工作,而在開機暫態過程結束后,用一個繼電器自動短接它,使直流電源直接對開關穩壓器供電,這種電路稱之謂直流開關電源的“軟啟動”電路 。

圖4:軟啟動保護電路
如圖4(a)所示,在電源接通瞬間,輸入電壓經整流橋(D1~D4)和限流電阻R1對電容器C充電,限制浪涌電流。當電容器C充電到約80%額定電壓時,逆變器正常工作。經主變壓器輔助繞組產生晶閘管的觸發信號,使晶閘管導通并短路限流電阻R1,開關電源處于正常運行狀態。為了提高延遲時間的準確性及防止繼電器動作抖動振蕩,延遲電路可采用圖4(b)所示電路替代RC延遲電路。
4.過熱保護電路
直流開關電源中開關穩壓器的高集成化和輕量小體積,使其單位體積內的功率密度大大提高,因此如果電源裝置內部的元器件對其工作環境溫度的要求沒有相應提高,必然會使電路性能變壞,元器件過早失效。因此在大功率直流開關電源中應該設過熱保護電路。

圖5:過熱保護電路
本文采用溫度繼電器來檢測電源裝置內部的溫度,當電源裝置內部產生過熱時,溫度繼電器就動作,使整機告警電路處于告警狀態,實現對電源的過熱保護。如圖5(a)所示,在保護電路中將P型控制柵熱晶閘管放置在功率開關三極管附近,根據TT102的特性(由Rr值確定該器件的導通溫度,Rr越大,導通溫度越低),當功率管的管殼溫度或者裝置內部的溫度超過允許值時,熱晶閘管就導通,使發光二極管發亮告警。倘若配合光電耦合器,就可使整機告警電路動作,保護開關電源。該電路還可以設計成如圖5(b)所示,用作功率晶體管的過熱保護,晶體開關管的基極電流被N型控制柵熱晶閘管TT201旁路,開關管截止,切斷集電極電流,防止過熱。



