【導讀】在柵源短接,漏-源額定電壓(VDSS)是指漏-源未發生雪崩擊穿前所能施加的最大電壓。根據溫度的不同,實際雪崩擊穿電壓可能低于額定VDSS。關于V(BR)DSS的詳細描述請參見靜電學特性。
最大額定參數
最大額定參數,所有數值取得條件(Ta=25℃)

VDSS 最大漏-源電壓
在柵源短接,漏-源額定電壓(VDSS)是指漏-源未發生雪崩擊穿前所能施加的最大電壓。根據溫度的不同,實際雪崩擊穿電壓可能低于額定VDSS。關于V(BR)DSS的詳細描述請參見靜電學特性。
VGS 最大柵源電壓
VGS額定電壓是柵源兩極間可以施加的最大電壓。設定該額定電壓的主要目的是防止電壓過高導致的柵氧化層損傷。實際柵氧化層可承受的電壓遠高于額定電壓,但是會隨制造工藝的不同而改變,因此保持VGS在額定電壓以內可以保證應用的可靠性。
ID - 連續漏電流
ID定義為芯片在最大額定結溫TJ(max)下,管表面溫度在25℃或者更高溫度下,可允許的最大連續直流電流。該參數為結與管殼之間額定熱阻RθJC和管殼溫度的函數:

ID中并不包含開關損耗,并且實際使用時保持管表面溫度在25℃(Tcase)也很難。因此,硬開關應用中實際開關電流通常小于ID 額定值@ TC = 25℃的一半,通常在1/3~1/4。補充,如果采用熱阻JA的話可以估算出特定溫度下的ID,這個值更有現實意義。
IDM - 脈沖漏極電流
該參數反映了器件可以處理的脈沖電流的高低,脈沖電流要遠高于連續的直流電流。定義IDM的目的在于:線的歐姆區。對于一定的柵-源電壓,MOSFET導通后,存在最大的漏極電流。如圖所示,對于給定的一個柵-源電壓,如果工作點位于線性區域內,漏極電流的增大會提高漏-源電壓,由此增大導通損耗。長時間工作在大功率之下,將導致器件失效。因此,在典型柵極驅動電壓下,需要將額定IDM設定在區域之下。區域的分界點在Vgs和曲線相交點。

因此需要設定電流密度上限,防止芯片溫度過高而燒毀。這本質上是為了防止過高電流流經封裝引線,因為在某些情況下,整個芯片上最“薄弱的連接”不是芯片,而是封裝引線。
考慮到熱效應對于IDM的限制,溫度的升高依賴于脈沖寬度,脈沖間的時間間隔,散熱狀況,RDS(on)以及脈沖電流的波形和幅度。單純滿足脈沖電流不超出IDM上限并不能保證結溫不超過最大允許值。可以參考熱性能與機械性能中關于瞬時熱阻的討論,來估計脈沖電流下結溫的情況。
PD - 容許溝道總功耗
容許溝道總功耗標定了器件可以消散的最大功耗,可以表示為最大結溫和管殼溫度為25℃時熱阻的函數。
TJ, TSTG - 工作溫度和存儲環境溫度的范圍
這兩個參數標定了器件工作和存儲環境所允許的結溫區間。設定這樣的溫度范圍是為了滿足器件最短工作壽命的要求。如果確保器件工作在這個溫度區間內,將極大地延長其工作壽命。
EAS - 單脈沖雪崩擊穿能量
如果電壓過沖值(通常由于漏電流和雜散電感造成)未超過擊穿電壓,則器件不會發生雪崩擊穿,因此也就不需要消散雪崩擊穿的能力。雪崩擊穿能量標定了器件可以容忍的瞬時過沖電壓的安全值,其依賴于雪崩擊穿需要消散的能量。
定義額定雪崩擊穿能量的器件通常也會定義額定EAS。額定雪崩擊穿能量與額定UIS具有相似的意義。
EAS標定了器件可以安全吸收反向雪崩擊穿能量的高低。
L是電感值,iD為電感上流過的電流峰值,其會突然轉換為測量器件的漏極電流。電感上產生的電壓超過MOSFET擊穿電壓后,將導致雪崩擊穿。雪崩擊穿發生時,即使 MOSFET處于關斷狀態,電感上的電流同樣會流過MOSFET器件。電感上所儲存的能量與雜散電感上存儲,由MOSFET消散的能量類似。
MOSFET并聯后,不同器件之間的擊穿電壓很難完全相同。通常情況是:某個器件率先發生雪崩擊穿,隨后所有的雪崩擊穿電流(能量)都從該器件流過。
EAR - 重復雪崩能量
重復雪崩能量已經成為“工業標準”,但是在沒有設定頻率,其它損耗以及冷卻量的情況下,該參數沒有任何意義。散熱(冷卻)狀況經常制約著重復雪崩能量。對于雪崩擊穿所產生的能量高低也很難預測。
額定EAR的真實意義在于標定了器件所能承受的反復雪崩擊穿能量。該定義的前提條件是:不對頻率做任何限制,從而器件不會過熱,這對于任何可能發生雪崩擊穿的器件都是現實的。在驗證器件設計的過程中,最好可以測量處于工作狀態的器件或者熱沉的溫度,來觀察MOSFET器件是否存在過熱情況,特別是對于可能發生雪崩擊穿的器件。
IAR - 雪崩擊穿電流
對于某些器件,雪崩擊穿過程中芯片上電流集邊的傾向要求對雪崩電流IAR進行限制。這樣,雪崩電流變成雪崩擊穿能量規格的“精細闡述”;其揭示了器件真正的能力。

靜態電特性

V(BR)DSS:漏-源擊穿電壓(破壞電壓)
V(BR)DSS(有時候叫做VBDSS)是指在特定的溫度和柵源短接情況下,流過漏極電流達到一個特定值時的漏源電壓。這種情況下的漏源電壓為雪崩擊穿電壓。
V(BR)DSS是正溫度系數,溫度低時V(BR)DSS小于25℃時的漏源電壓的最大額定值。在-50℃, V(BR)DSS大約是25℃時最大漏源額定電壓的90%。
VGS(th),VGS(off):閾值電壓
VGS(th)是指加的柵源電壓能使漏極開始有電流,或關斷MOSFET時電流消失時的電壓,測試的條件(漏極電流,漏源電壓,結溫)也是有規格的。正常情況下,所有的MOS柵極器件的閾值電壓都會有所不同。因此,VGS(th)的變化范圍是規定好的。VGS(th)是負溫度系數,當溫度上升時,MOSFET將會在比較低的柵源電壓下開啟。
RDS(on):導通電阻
RDS(on)是指在特定的漏電流(通常為ID電流的一半)、柵源電壓和25℃的情況下測得的漏-源電阻。
IDSS:零柵壓漏極電流
IDSS是指在當柵源電壓為零時,在特定的漏源電壓下的漏源之間泄漏電流。既然泄漏電流隨著溫度的增加而增大,IDSS在室溫和高溫下都有規定。漏電流造成的功耗可以用IDSS乘以漏源之間的電壓計算,通常這部分功耗可以忽略不計。
IGSS - 柵源漏電流
IGSS是指在特定的柵源電壓情況下流過柵極的漏電流。
動態電特性

Ciss:輸入電容
將漏源短接,用交流信號測得的柵極和源極之間的電容就是輸入電容。Ciss是由柵漏電容Cgd和柵源電容Cgs并聯而成,或者Ciss = Cgs +Cgd。當輸入電容充電致閾值電壓時器件才能開啟,放電致一定值時器件才可以關斷。因此驅動電路和Ciss對器件的開啟和關斷延時有著直接的影響。
Coss:輸出電容
將柵源短接,用交流信號測得的漏極和源極之間的電容就是輸出電容。Coss是由漏源電容Cds和柵漏電容Cgd并聯而成,或者Coss = Cds +Cgd對于軟開關的應用,Coss非常重要,因為它可能引起電路的諧振。
Crss:反向傳輸電容
在源極接地的情況下,測得的漏極和柵極之間的電容為反向傳輸電容。反向傳輸電容等同于柵漏電容。Cres =Cgd,反向傳輸電容也常叫做米勒電容,對于開關的上升和下降時間來說是其中一個重要的參數,他還影響這關斷延時時間。電容隨著漏源電壓的增加而減小,尤其是輸出電容和反向傳輸電容。

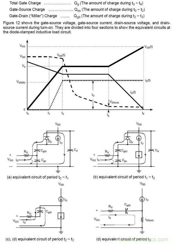
Qgs,Qgd,和Qg:柵電荷
柵電荷值反應存儲在端子間電容上的電荷,既然開關的瞬間,電容上的電荷隨電壓的變化而變化,所以設計柵驅動電路時經常要考慮柵電荷的影響。
Qgs從0電荷開始到第一個拐點處,Qgd是從第一個拐點到第二個拐點之間部分(也叫做“米勒”電荷),Qg是從0點到VGS等于一個特定的驅動電壓的部分。

漏電流和漏源電壓的變化對柵電荷值影響比較小,而且柵電荷不隨溫度的變化。測試條件是規定好的。柵電荷的曲線圖體現在數據表中,包括固定漏電流和變化漏源電壓情況下所對應的柵電荷變化曲線。在圖中平臺電壓VGS(pl)隨著電流的增大增加的比較小(隨著電流的降低也會降低)。平臺電壓也正比于閾值電壓,所以不同的閾值電壓將會產生不同的平臺電壓。
下面這個圖更加詳細,應用一下:

td(on):導通延時時間
導通延時時間是從當柵源電壓上升到10%柵驅動電壓時到漏電流升到規定電流的10%時所經歷的時間。
td(off):關斷延時時間
關斷延時時間是從當柵源電壓下降到90%柵驅動電壓時到漏電流降至規定電流的90%時所經歷的時間。這顯示電流傳輸到負載之前所經歷的延遲。
tr:上升時間
上升時間是漏極電流從10%上升到90%所經歷的時間。
tf:下降時間
下降時間是漏極電流從90%下降到10%所經歷的時間。




