【導讀】印制電路板(PCB)布線在高速電路中具有關鍵的作用,但它往往是電路設計過程的最后幾個步驟之一。高速PCB布線有很多方面的問題,關于這個題目已有人撰寫了大量的文獻。本文主要從實踐的角度來探討高速電路的布線問題。
主要目的在于幫助新用戶當設計高速電路PCB布線時對需要考慮的多種不同問題引起注意。另一個目的是為已經有一段時間沒接觸PCB布線的客戶提供一種復習資料。由于版面有限,本文不可能詳細地論述所有的問題,但是我們將討論對提高電路性能、縮短設計時間、節省修改時間具有最大成效的關鍵部分。
雖然這里主要針對與高速運算放大器有關的電路,但是這里所討論的問題和方法對用于大多數其它高速模擬電路的布線是普遍適用的。當運算放大器工作在很高的射頻(RF)頻段時,電路的性能很大程度上取決于PCB布線。“圖紙”上看起來很好的高性能電路設計,如果由于布線時粗心馬虎受到影響,最后只能得到普通的性能。在整個布線過程中預先考慮并注意重要的細節會有助于確保預期的電路性能。
原理圖
盡管優良的原理圖不能保證好的布線,但是好的布線開始于優良的原理圖。在繪制原理圖時要深思熟慮,并且必須考慮整個電路的信號流向。如果在原理圖中從左到右具有正常穩定的信號流,那么在PCB上也應具有同樣好的信號流。在原理圖上盡可能多給出有用的信息。因為有時候電路設計工程師不在,客戶會要求我們幫助解決電路的問題,從事此工作的設計師、技術員和工程師都會非常感激,也包括我們。
除了普通的參考標識符、功耗和誤差容限外,原理圖中還應該給出哪些信息呢?下面給出一些建議,可以將普通的原理圖變成一流的原理圖。加入波形、有關外殼的機械信息、印制線長度、空白區;標明哪些元件需要置于PCB上面;給出調整信息、元件取值范圍、散熱信息、控制阻抗印制線、注釋、扼要的電路動作描述……(以及其它)。
誰都別信
如果不是你自己設計布線,一定要留出充裕的時間仔細檢查布線人的設計。在這點上很小的預防抵得上一百倍的補救。不要指望布線的人能理解你的想法。在布線設計過程的初期你的意見和指導是最重要的。你能提供的信息越多,并且整個布線過程中你介入的越多,結果得到的PCB就會越好。給布線設計工程師設置一個暫定的完成點——按照你想要的布線進展報告快速檢查。這種“閉合環路”方法可以防止布線誤入歧途,從而將返工的可能性降至最低。
需要給布線工程師的指示包括:電路功能的簡短描述,標明輸入和輸出位置的PCB略圖,PCB層疊信息(例如,板子有多厚,有多少層,各信號層和接地平面的詳細信息——功耗、地線、模擬信號、數字信號和RF信號);各層需要那些信號;要求重要元件的放置位置;旁路元件的確切位置;哪些印制線很重要;哪些線路需要控制阻抗印制線;哪些線路需要匹配長度;元件的尺寸;哪些印制線需要彼此遠離(或靠近);哪些線路需要彼此遠離(或靠近);哪些元器件需要彼此遠離(或靠近);哪些元器件要放在PCB的上面,哪些放在下面。永遠不要抱怨需要給別人的信息太多——太少嗎?是;太多嗎?不。
一條學習經驗:大約10年前,我設計一塊多層的表面貼電路板——板子的兩面都有元件。用很多螺釘將板子固定在一個鍍金的鋁制外殼中(因為有很嚴格的防震指標)。提供偏置饋通的引腳穿過板子。該引腳是通過焊接線連接到PCB上的。這是一個很復雜的裝置。板子上的一些元件是用于測試設定(SAT)的。但是我已經明確規定了這些元件的位置。你能猜出這些元件都安裝在什么地方嗎?對了,在板子的下面。當產品工程師和技術員不得不將整個裝置拆開,完成設定后再將它們重新組裝的時候,顯得很不高興。從那以后我再也沒有犯過這種錯誤了。
位置
正像在PCB中,位置決定一切。將一個電路放在PCB上的什么位置,將其具體的電路元件安裝在什么位置,以及其相鄰的其它電路是什么,這一切都非常重要。
通常,輸入、輸出和電源的位置是預先確定好的,但是它們之間的電路就需要“發揮各自的創造性”了。這就是為什么注意布線細節將產生巨大回報的原因。從關鍵元件的位置入手,根據具體電路和整個PCB來考慮。從一開始就規定關鍵元件的位置以及信號的路徑有助于確保設計達到預期的工作目標。一次就得到正確的設計可以降低成本和壓力——也就縮短了開發周期。
旁路電源
在放大器的電源端旁路電源以便降低噪聲是PCB設計過程中一個很重要的方面——包括對高速運算放大器還是其它的高速電路。旁路高速運算放大器有兩種常用的配置方法。
電源端接地:這種方法在大多數情況下都是最有效的,采用多個并聯電容器將運算放大器的電源引腳直接接地。一般說來兩個并聯電容就足夠了——但是增加并聯電容器可能給某些電路帶來益處。
并聯不同的電容值的電容器有助于確保電源引腳在很寬的頻帶上只能看到很低的交流(AC)阻抗。這對于在運算放大器電源抑制比(PSR)衰減頻率處尤其重要。該電容器有助于補償放大器降低的PSR。在許多十倍頻程范圍內保持低阻抗的接地通路將有助于確保有害的噪聲不能進入運算放大器。圖1示出了采用多個并聯電容器的優點。在低頻段,大的電容器提供低阻抗的接地通路。但是一旦頻率達到了它們自身的諧振頻率,電容器的容性就會減弱,并且逐漸呈現出感性。這就是為什么采用多個電容器是很重要的原因:當一個電容器的頻率響應開始下降時,另一個電容器的頻率響應開始其作用,所以能在許多十倍頻程范圍內保持很低的AC阻抗。

圖1:電容器的阻抗與頻率的關系。
直接從運算放大器的電源引腳入手;具有最小電容值和最小物理尺寸的電容器應當與運算放大器置于PCB的同一面——而且盡可能靠近放大器。電容器的接地端應該用最短的引腳或印制線直接連至接地平面。上述的接地連接應該盡可能靠近放大器的負載端以便減小電源端和接地端之間的干擾。圖2示出了這種連接方法。

圖2:旁路電源端和地的并聯電容器。
對于次大電容值的電容器應該重復這個過程。最好從0.01 µF最小電容值開始放置,并且靠近放置一個2.2 µF(或大一點兒)的具有低等效串聯電阻(ESR)的電解電容器。采用0508外殼尺寸的0.01 µF電容器具有很低的串聯電感和優良的高頻性能。
電源端到電源端:另外一種配置方法采用一個或多個旁路電容跨接在運算放大器的正電源端和負電源端之間。當在電路中配置四個電容器很困難的情況下通常采用這種方法。它的缺點是電容器的外殼尺寸可能增大,因為電容器兩端的電壓是單電源旁路方法中電壓值的兩倍。增大電壓就需要提高器件的額定擊穿電壓,也就是要增大外殼尺寸。但是,這種方法可以改進PSR和失真性能。
因為每種電路和布線都是不同的,所以電容器的配置、數量和電容值都要根據實際電路的要求而定。
寄生效應
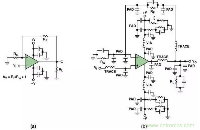
所謂寄生效應就是那些溜進你的PCB并在電路中大施破壞、頭痛令人、原因不明的小故障(按照字面意思)。它們就是滲入高速電路中隱藏的寄生電容和寄生電感。其中包括由封裝引腳和印制線過長形成的寄生電感;焊盤到地、焊盤到電源平面和焊盤到印制線之間形成的寄生電容;通孔之間的相互影響,以及許多其它可能的寄生效應。圖3(a)示出了一個典型的同相運算放大器原理圖。但是,如果考慮寄生效應的話,同樣的電路可能會變成圖3(b)那樣。

圖3:典型的運算放大器電路,(a)原設計圖,(b)考慮寄生效應后的圖。
在高速電路中,很小的值就會影響電路的性能。有時候幾十個皮法(pF)的電容就足夠了。相關實例:如果在反相輸入端僅有1 pF的附加寄生電容,它在頻率域可以引起差不多2 dB的尖脈沖(見圖4)。如果寄生電容足夠大的話,它會引起電路的不穩定和振蕩。

圖4:由寄生電容引起的附加尖脈沖。
當尋找有問題的寄生源時,可能用得著幾個計算上述那些寄生電容尺寸的基本公式。公式(1)是計算平行極板電容器(見圖5)的公式。
(1)C表示電容值,A表示以cm2為單位的極板面積,k表示PCB材料的相對介電常數,d表示以cm為單位的極板間距離。

圖5:兩極板間的電容。
帶狀電感是另外一種需要考慮的寄生效應,它是由于印制線過長或缺乏接地平面引起的。式(2)示出了計算印制線電感(Inductance)的公式。參見圖6。
(2)W表示印制線寬度,L表示印制線長度,H表示印制線的厚度。全部尺寸都以mm為單位。

圖6:印制線電感。
圖7中的振蕩示出了高速運算放大器同相輸入端長度為2.54 cm的印制線的影響。其等效寄生電感為29 nH(10-9H),足以造成持續的低壓振蕩,會持續到整個瞬態響應周期。圖7還示出了如何利用接地平面來減小寄生電感的影響。

圖7:有接地平面和沒有接地平面的脈沖響應。
通孔是另外一種寄生源;它們能引起寄生電感和寄生電容。公式(3)是計算寄生電感的公式(參見圖8)。
(3)T表示PCB的厚度,d表示以cm為單位的通孔直徑。

圖8:通孔尺寸。
公式(4)示出了如何計算通孔(參見圖8)引起的寄生電容值。
(4)εr表示PCB材料的相對磁導率。T表示PCB的厚度。D1表示環繞通孔的焊盤直徑。D2表示接地平面中隔離孔的直徑。所有尺寸均以cm為單位。在一塊0.157 cm厚的PCB上一個通孔就可以增加1.2 nH的寄生電感和0.5 pF的寄生電容;這就是為什么在給PCB布線時一定要時刻保持戒備的原因,要將寄生效應的影響降至最小。
接地平面
實際上需要討論的內容遠不止本文提到的這些,但是我們會重點突出一些關鍵特性并鼓勵讀者進一步探討這個題。
接地平面起到公共基準電壓的作用,提供屏蔽,能夠散熱和減小寄生電感(但它也會增加寄生電容)的功能。雖然使用接地平面有許多好處,但是在實現時也必須小心,因為它對能夠做的和不能夠做的都有一些限制。
理想情況下,PCB有一層應該專門用作接地平面。這樣當整個平面不被破壞時才會產生最好的結果。千萬不要挪用此專用層中接地平面的區域用于連接其它信號。由于接地平面可以消除導體和接地平面之間的磁場,所以可以減小印制線電感。如果破壞接地平面的某個區域,會給接地平面上面或下面的印制線引入意想不到的寄生電感。
因為接地平面通常具有很大的表面積和橫截面積,所以使接地平面的電阻保持最小值。在低頻段,電流會選擇電阻最小的路徑,但是在高頻段,電流會選擇阻抗最小的路徑。
然而也有例外,有時候小的接地平面會更好。如果將接地平面從輸入或者輸出焊盤下挪開,高速運算放大器會更好地工作。因為在輸入端的接地平面引入的寄生電容,增加了運算放大器的輸入電容,減小了相位裕量,從而造成不穩定性。正如在寄生效應一節的討論中所看到的,運算放大器輸入端1 pF的電容能引起很明顯的尖脈沖。輸出端的容性負載——包括寄生的容性負載——造成了反饋環路中的極點。這會降低相位裕量并造成電路變得不穩定。
如果有可能的話,模擬電路和數字電路——包括各自的地和接地平面——應該分開。快速的上升沿會造成電流毛刺流入接地平面。這些快速的電流毛刺引起的噪聲會破壞模擬性能。模擬地和數字地(以及電源)應該被連接到一個共用的接地點以便降低循環流動的數字和模擬接地電流和噪聲。
在高頻段,必須考慮一種稱為“趨膚效應”的現象。趨膚效應會引起電流流向導線的外表面——結果會使得導線的橫截面變窄,因此使直流(DC)電阻增大。雖然趨膚效應超出了本文討論的范圍,這里還是給出銅線中趨膚深度(Skin Depth)的一個很好的近似公式(以cm為單位):
(5)低靈敏度的電鍍金屬有助于減小趨膚效應。
布線和屏蔽
PCB上存在各種各樣的模擬和數字信號,包括從高到低的電壓或電流,從DC到GHz頻率范圍。保證這些信號不相互干擾是非常困難的。
回顧前面“誰都別信”部分的建議,最關鍵的是預先思考并且為了如何處理PCB上的信號制定出一個計劃。重要的是注意哪些信號是敏感信號并且確定必須采取何種措施來保證信號的完整性。接地平面為電信號提供一個公共參考點,也可以用于屏蔽。如果需要進行信號隔離,首先應該在信號印制線之間留出物理距離。下面是一些值得借鑒的實踐經驗:
減小同一PCB中長并聯線的長度和信號印制線間的接近程度可以降低電感耦合。減小相鄰層的長印制線長度可以防止電容耦合。需要高隔離度的信號印制線應該走不同的層而且——如果它們無法完全隔離的話——應該走正交印制線,而且將接地平面置于它們之間。正交布線可以將電容耦合減至最小,而且地線會形成一種電屏蔽。在構成控制阻抗印制線時可以采用這種方法。高頻(RF)信號通常在控制阻抗印制線上流動。就是說,該印制線保持一種特征阻抗,例如50Ω(RF應用中的典型值)。兩種最常見的控制阻抗印制線,微帶線4和帶狀線5都可以達到類似的效果,但是實現的方法不同。
微帶控制阻抗印制線,如圖13所示,可以用在PCB的任意一面;它直接采用其下面的接地平面作為其參考平面。

圖13:微帶傳輸線。
公式(6)可以用于計算一塊FR4板的特征阻抗。
(6)H表示從接地平面到信號印制線之間的距離,W表示印制線寬度,T表示印制線厚度;全部尺寸均以密耳(mils)(10-3英寸)為單位。εr表示PCB材料的介電常數。
帶狀控制阻抗印制線(參見圖14)采用了兩層接地平面,信號印制線夾在其中。這種方法使用了較多的印制線,需要的PCB層數更多,對電介質厚度變化敏感,而且成本更高——所以通常只用于要求嚴格的應用中。

圖14:帶狀控制阻抗印制線。
用于帶狀線的特征阻抗計算公式如公式(7)所示。
(7)保護環,或者說“隔離環”,是運算放大器常用的另一種屏蔽方法,它用于防止寄生電流進入敏感結點。其基本原理很簡單——用一條保護導線將敏感結點完全包圍起來,導線保持或者迫使它保持(低阻抗)與敏感結點相同的電勢,因此使吸收的寄生電流遠離了敏感結點。
圖15(a)示出了用于運算放大器反相配置和同相配置中的保護環的原理圖。圖15(b)示出用于SOT-23-5封裝中兩種保護環的典型布線方法。

圖15:保護環。(a)反相和同相工作。(b)SOT-23-5封裝。
還有很多其它的屏蔽和布線方法。欲獲得有關這個問題和上述其它題目的更多信息,建議讀者閱讀下列參考文獻。
結論
高水平的PCB布線對成功的運算放大器電路設計是很重要的,尤其是對高速電路。一個好原理圖是好的布線的基礎;電路設計工程師和布線設計工程師之間的緊密配合是根本,尤其是關于器件和接線的位置問題。需要考慮的問題包括旁路電源,減小寄生效應,采用接地平面,運算放大器封裝的影響,以及布線和屏蔽的方法。
1.在PCB設計時,芯片電源處旁路濾波等電容應盡可能的接近器件,典型距離是小于3MM。
2.運算放大器芯片電源處的小陶瓷旁路電容在放大器處于輸入高頻信號時可以為放大器的高頻特性提供能量電容值的選擇根據輸入信號的頻率與放大器的速度選擇例如,一個400MHz的放大器可能采用并連安裝的0.01uF和1nF電容。
3.當我們購買電容等器件時,還需要注意他的自諧振蕩頻率,自諧振頻率在此頻率(400MHz)上下的電容毫無益處。
4.在畫PCB時,放大器的輸入輸出信號腳以及反饋電阻的下面不要在走其他線,這樣可以減小不同線之間的寄生電容的相互影響讓放大器更穩定
5.表面貼裝器件的高頻新能比較好同時又體積小
6.電路板布線時走線盡可能的短同時還要注意的他的長與寬讓寄生效應最小化
7.對于電源線的處理電源線寄生特性最壞的直流電阻與自感所以我們在布電源線的時候盡可能的加寬些
8.對于放大器輸入輸出連接線上面的電流非常小所以這樣他們是很容易受影響的寄生性效應對他們危害很大
9.對于超過1CM的信號路徑最好是用受控阻抗和兩端終接(匹配電阻)的傳輸線
10.放大器驅動阻容性負載為了解決穩定性的問題一種常用的技術是引入一個電阻ROUT 同時最好靠近運放 這樣利用串聯輸出電阻實現對容性負載的隔離。




