【導讀】電子產品的應用隨著可見,那么電子產品的靜電防護成為了電子產品設計中必不可少的工作。在有外部接口的電子產品中,幾乎都會有ESD防護器件。
電子產品的應用隨著可見,那么電子產品的靜電防護成為了電子產品設計中必不可少的工作。在有外部接口的電子產品中,幾乎都會有ESD防護器件。

高速電路設計的系統工程師或者硬件工程師必須仔細選擇在設計中所需要的所有元器件,選擇合適的ESD保護元件就具有比以前更大的挑戰性,因為ESD器件在一些高速電路接口上已經變得不再是一個簡單的ESD器件,還包含了雜散的寄生參數,以及安裝到PCB板上時的寄生電感等參數。如下圖左是一個典型的ESD保護器件,右圖是安裝在PCB板上的一個簡化的等效電路圖:

顯然電路變得更加的復雜啦。這里還沒有計算ESD器件的IO電容。下圖是某TVS管的datasheet中標識的IO寄生電容:

下面以大家都非常熟知的USB3.0為例子,在ADS中搭建一個仿真的原理圖(使用ADS的example即可):

仿真獲得的眼圖如下圖【】所示:

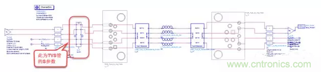
在原始的原理圖中添加一個防ESD的TVS管的S參數之后,原理圖如下圖所示:

其它條件都保持與前面一樣,仿真獲得的眼圖如下圖【】所示:

從眼圖上看,兩者有明顯的差別,再觀察其測量項,顯然,帶ESD器件TVS管的模型時,其結果更差。在此文中雖然結果還是符合USB3.0的規范要求,但是已經變得很差,如果在沒有考慮TSV管的影響下結果就很差,那么在加上TVS管之后,很有可能就會導致結果不滿足設計的要求。
下圖是一個TVS管器件的S參數:

顯然,當信號速率比較低時,其損耗比較小,但是隨著速率的提升,顯然損耗會變大很多。雖然目前很多公司都無法提供ESD器件的S參數,但是對于高速電路而言,這確實是需要考慮的影響因子之一。所以在選擇器件時,不僅僅要看器件的防護等級,還需要注意其寄生效應。
什么是高速串行與并行總線?
振動傳感器如何選型?
解析PCBA組裝中PCB的斷路缺陷的幾種原因
分析放大電路的頻率特性
一“粘”二“包”,包裝膠帶打造多樣化的用戶體驗






