【導讀】鎖相環(PLL)是一種反饋系統,其中電壓控制振蕩器(VCO)和相位比較器相互連接,使得振蕩器可以相對于參考信號維持恒定的相位角度。在使用PLL的過程中您都遇到過哪些問題呢?咱們工程師整理了PLL芯片接口方面最常見的11個問題,這里分享給大家!
鎖相環(PLL)是一種反饋系統,其中電壓控制振蕩器(VCO)和相位比較器相互連接,使得振蕩器可以相對于參考信號維持恒定的相位角度。在使用PLL的過程中您都遇到過哪些問題呢?咱們工程師整理了PLL芯片接口方面最常見的11個問題,這里分享給大家!
1. 參考晶振有哪些要求?該如何選擇參考源?
波形: 可以使正弦波,也可以為方波。
功率: 滿足參考輸入靈敏度的要求。
穩定性: 通常用 TCXO,穩定性要求< 2 ppm。這里給出幾種參考的穩定性指標和相位噪聲指標。
頻率范圍: ADI 提供的 PLL 產品也可以工作在低于最小的參考輸入頻率下,條件是輸入信號的轉換速率要滿足給定的要求。
建議
在PLL 頻率綜合器的設計中,我們推薦使用溫度補償型晶振(TCXO)。在需要微調參考的情況下使用 VCXO,需要注意 VCXO 靈敏度比較小,比如 100Hz/V,所以設計環路濾波器的帶寬不能很大(比如 200Hz),否則構成濾波器的電容將會很大,而電阻會很小。普通有源晶振,由于其溫度穩定性差,在高精度的頻率設計中不推薦使用。
2. 能詳細解釋下控制時序、電平及要求嗎?
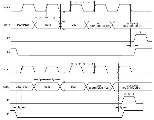
ADI 的所有鎖相環產品控制接口均為三線串行控制接口,如圖 1所示。要注意的是:在 ADI 的PLL 產品中,大多數的時序圖如圖 1中上面的圖所示,該圖是錯誤的,正確的時序圖如圖 1中下面的圖所示,LE 的上升沿應跟 Clock 的上升沿對齊,而非 Clock 的下降沿。
圖 1. PLL 頻率合成器的串行控制接口(3 Wire Serial Interface)
控制接口由時鐘 CLOCK,數據 DATA,加載使能 LE 構成。加載使能 LE 的下降沿提供起始串行數據的同步。串行數據先移位到 PLL 頻率合成器的移位寄存器中,然后在 LE 的上升沿更新內部相應寄存器。注意到時序圖中有兩種 LE 的控制方法。
SPI 控制接口為 3V/3.3V CMOS 電平。另外,需要注意的是對 PLL 芯片的寄存器進行寫操作時,需要按照一定的次序來寫,具體請參照芯片資料中的描述。特別地,在對 ADF4360 的寄存器進行操作時,注意在寫控制寄存器和 N計數器間要有一定的延時。
控制信號的產生,可以用 MCU,DSP,或者 FPGA。產生的時鐘和數據一定要干凈,過沖小。當用 FPGA 產生時,要避免競爭和冒險現象,防止產生毛刺。如果毛刺無法避免,可以在數據線和時鐘線上并聯一個 10~47pF 的電容,來吸收這些毛刺。
3. 控制多片 PLL 芯片時,串行控制線是否可以復用?
一般地,控制 PLL 的信號包括:CE,LE,CLK,DATA。CLK 和 DATA 信號可以共用,即占用2 個 MCU 的 IO 口,用 LE 信號來控制對哪個 PLL 芯片進行操作。多個 LE 信號也可以共用一個MCU 的 IO 口,這時需要用 CE 信號對芯片進行上電和下電的控制。
4. 可否簡要介紹環路濾波器參數的設置?
ADIsimPLL V3.3 使應用工程師從繁雜的數學計算中解脫出來。我們只要輸入設置環路濾波器的幾個關鍵參數,ADIsimPLL 就可以自動計算出我們所需要的濾波器元器件的數值。這些參數包括,鑒相頻率 PFD,電荷泵電流 Icp,環路帶寬 BW,相位裕度,VCO 控制靈敏度 Kv,濾波器的形式(有源還是無源,階數)。計算出的結果往往不是我們在市面上能夠買到的元器件數值,只要選擇一個最接近元器件的就可以。
●通常環路的帶寬設置為鑒相頻率的 1/10 或者 1/20。
●相位裕度設置為 45 度。
●濾波器優先選擇無源濾波器。
濾波器開環增益和閉環增益以及相位噪聲圖之間的關系。閉環增益的轉折頻率就是環路帶寬。相位噪聲圖上,該點對應于相位噪聲曲線的轉折頻率。如果設計的鎖相環噪聲太大,就會出現頻譜分析儀上看到的轉折頻率大于所設定的環路帶寬。
5. 環路濾波器采用有源濾波器還是無源濾波器?
有源濾波器因為采用放大器而引入噪聲,所以采用有源濾波器的 PLL 產生的頻率的相位噪聲性能會比采用無源濾波器的 PLL 輸出差。因此在設計中我們盡量選用無源濾波器。其中三階無源濾波器是最常用的一種結構。PLL 頻率合成器的電荷泵電壓 Vp 一般取 5V 或者稍高,電荷泵電流通過環路濾波器積分后的最大控制電壓低于 Vp 或者接近 Vp。
如果VCO/VCXO 的控制電壓在此范圍之內,無源濾波器完全能夠勝任;如果VCO/VCXO 的控制電壓超出了 Vp,或者非常接近 Vp 的時候,就需要用有源濾波器。在對環路誤差信號進行濾波的同時,也提供一定的增益,從而調整VCO/VCXO控制電壓到合適的范圍。
那么如何選擇有源濾波器的放大器呢?這類應用主要關心一下的技術指標:
●低失調電壓(Low Offset Voltage) [通常小于 500uV]
●低偏流(Low Bias Current) [通常小于 50pA]
如果是單電源供電,需要考慮使用軌到軌(Rail-to-Rail)輸出型放大器。
6PLL 對于 VCO 有什么要求?如何設計 VCO 輸出功率分配器?
選擇 VCO 時,盡量選擇 VCO 的輸出頻率對應的控制電壓在可用調諧電壓范圍的中點。選用低控制電壓的 VCO 可以簡化 PLL 設計。
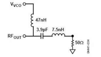
VCO 的輸出通過一個簡單的電阻分配網絡來完成功率分配。從 VCO 的輸出看到電阻網絡的阻抗為 18+(18+50)//(18+50)=52ohm。形成與 VCO 的輸出阻抗匹配。下圖中 ABC 三點功率關系。B,C 點的功率比 A 點小 6dB。
如下圖是 ADF4360-7 輸出頻率在 850MHz~950MHz 時的輸出匹配電路,注意該例是匹配到 50 歐的負載。如果負載是 75 歐,那么匹配電路無需改動,ADF4360-7 的輸出級為電流源,負載值的小變動不會造成很大的影響,但要注意差分輸出端的負載需相等。
7. 如何設置電荷泵的極性?
在下列情況下,電荷泵的極性為正。
●環路濾波器為無源濾波器,VCO 的控制靈敏度為正(即,隨著控制電壓的升高,輸出頻率增大)。
在下列情況下,電荷泵的極性為負。
●環路濾波器為有源濾波器,并且放大環節為反相放大;VCO 的控制靈敏度為正。
●環路濾波器為無源濾波器,VCO 的控制靈敏度為負。
●PLL分頻應用,濾波器為無源型。即參考信號直接 RF 反饋分頻輸入端,VCO 反饋到參考輸入的情況。
8. 鎖定指示電路如何設計?
PLL 鎖定指示分為模擬鎖定指示和數字鎖定指示兩種。
鑒相器和電荷泵原理圖
數字鎖定指示:
當 PFD 的輸入端連續檢測到相位誤差小于 15ns 的次數為 3(5)次,那么 PLL 就會給出數字鎖定指示。
數字鎖定指示的工作頻率范圍:通常為 5kHz~50MHz。在更低的 PFD 頻率上,漏電流會觸發鎖定指示電路;在更高的頻率上,15ns 的時間裕度不再適合。在數字鎖定指示的工作頻段范圍之外,推薦使用模擬鎖定指示。
模擬鎖定指示:
對電荷泵輸入端的 Up 脈沖和 Down 脈沖進行異或處理后得出的脈沖串。所以當鎖定時,鎖定指示電路的輸出為帶窄負脈沖串的高電平信號。圖為一個典型的模擬鎖定指示輸出(MUXOUT 輸出端單獨加上拉電阻的情況)。
模擬鎖定指示的輸出級為 N 溝道開漏結構,需要外接上拉電阻,通常為 10KOhm~160kohm。我們可以通過一個積分電路(低通濾波器)得到一個平坦的高電平輸出,如圖所是的藍色框電路。
誤鎖定的一個條件:
參考信號REFIN信號丟失。當REFIN信號與PLL頻合器斷開連接時,PLL顯然會失鎖;然而,ADF41xx 系列的 PLL,其數字鎖定指示用 REFIN 時鐘來檢查是否鎖定,如果 PLL 先前已經鎖定,REFIN 時鐘突然丟失,PLL 會繼續顯示鎖定狀態。解決方法是使用模擬鎖定指示。
當 VCXO 代替 VCO 時,PLL 常常失鎖的原因。以 ADF4001 為例說明。VCXO 的輸入阻抗通常較小(相對于 VCO 而言),大約為 100kohm。這樣 VCXO 需要的電流必須由 PLL 來提供。PFD=2MHz, Icp=1.25mA,Vtune=4V,VCXO 輸入阻抗=100kohm,VCXO 控制口電流=4/100k=40uA。在 PFD 輸入端,用于抵消 VCXO 的輸入電流而需要的靜態相位誤差
16ns>15ns,所以,數字鎖定指示為低電平。
解決方法1,使用模擬鎖定指示。
解決方法2,使用更高的電荷泵電流來減小靜態相位誤差。增大環路濾波器電容,使放電變緩。
9. PLL 對射頻輸入信號有什么要求?
頻率指標:可以工作在低于最小的射頻輸入信號頻率上,條件是 RF 信號的 Slew Rate 滿足要求。
例如,ADF4106 數據手冊規定最小射頻輸入信號 500MHz,功率為-10dBm,這相應于峰峰值為200mV,slew rate=314V/us。如果您的輸入信號頻率低于 500MHz,但功率滿足要求,并且slew rate 大于 314V/us,那么 ADF4106 同樣能夠正常工作。通常 LVDS 驅動器的轉換速率可以很容易達到 1000V/us。
10. PLL 芯片對電源的要求有哪些?
要求 PLL 電源和電荷泵電源具有良好的退耦,相比之下,電荷泵的電源具有更加嚴格的要求。具體實現如下:
在電源引腳出依次放置 0.1uF,0.01uF,100pF 的電容。最大限度濾除電源線上的干擾。大電容的等效串聯電阻往往較大,而且對高頻噪聲的濾波效果較差,高頻噪聲的抑制需要用小容值的電容。下圖可以看到,隨著頻率的升高,經過一定的轉折頻率后,電容開始呈現電感的特性。不同的電容值,其轉折頻率往往不同,電容越大,轉折頻率越低,其濾除高頻信號的能力越差。
另外在電源線上串聯一個小電阻(18ohm)也是隔離噪聲的一種常用方法。
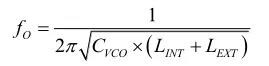
11. 集成VCO 的ADF4360-x ,其中心頻率如何設定?
VCO 的中心頻率由下列三個因素決定。
1)VCO 的電容 C VCO
2)由芯片內部 Bond Wires 引入的電感 L BW
3)外置電感 L EXT 。即
其中前2項由器件決定,這樣只要給定一個外置電感,就可以得到VCO的輸出 中心頻率。VCO的控制靈敏度在相應的數據手冊上給出。作為一個例子,下圖給出了 ADF4360-7 的集成 VCO 特性。
ADF4360-7 VCO 輸出中心頻率與外置電感的關系
ADF4360-7 VCO 的靈敏度與外置電感的關系
電感的選取,最好選用高 Q 值的。Coilcraft 公司是不錯的選擇。市面上常見的電感基本在 1nH以上。更小的電感可以用 PCB 導線制作。這里給出一個計算 PCB 引線電感的簡單公式,如下圖所示。
導線電感的模型
免責聲明:本文為轉載文章,轉載此文目的在于傳遞更多信息,版權歸原作者所有。本文所用視頻、圖片、文字如涉及作品版權問題,請電話或者郵箱聯系小編進行侵刪。
推薦閱讀:






