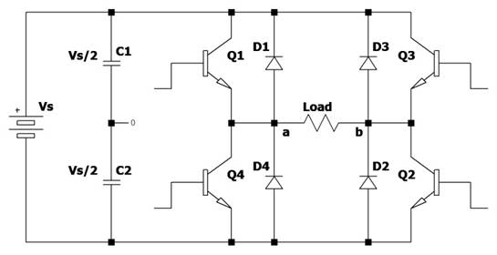
【導讀】如前所述,單相全橋逆變器用于將直流電轉換為交流電。在該電路中,電子開關成對工作,在一個半波中,只有S1和S2閉合,而在另一個半波中,S3和S4閉合。逆變器的輸出是可變頻率的交流電壓,取決于驅動設備的波形頻率。圖 1 顯示了該逆變器的一般操作圖。實際上,電路的“a”部分中的電子開關與“b”部分中的電子開關互補控制。在這種情況下,開關是理想的設備。
如前所述,單相全橋逆變器用于將直流電轉換為交流電。在該電路中,電子開關成對工作,在一個半波中,只有S1和S2閉合,而在另一個半波中,S3和S4閉合。逆變器的輸出是可變頻率的交流電壓,取決于驅動設備的波形頻率。圖 1 顯示了該逆變器的一般操作圖。實際上,電路的“a”部分中的電子開關與“b”部分中的電子開關互補控制。在這種情況下,開關是理想的設備。這兩個信號使用相等且相反的參考電壓進行調制。通常,相同的電載波用于兩個驅動信號。
圖1:單相全橋逆變器原理圖
單相全橋電壓發生器逆變器由四個斬波電路組成,如圖 2 所示。其中有四個晶體管或 MOSFET(Q1、Q2、Q3 和 Q4)。它們可以單獨和獨立地驅動,因此終的操作會根據順序以及電子開關的打開和關閉方式而有所不同。由于其電子元件形成的奇特圖形形狀,該設備也被稱為“H 橋”。終結果是使用相同電源電壓的兩個單相、兩電平逆變器的組合。我們將在下面檢查不同的激活序列:
如果開關元件 Q1 和 Q2 都閉合,則負載(存在于節點“a”和“b”之間)承受等于 Vs 的電壓,并且恰好在節點“a”處存在大約 Vs 的電壓值并且在節點“b”有一個大約GND的電壓值
如果開關元件 Q3 和 Q4 都閉合,則負載(存在于節點“a”和“b”之間)承受等于 Vs 的電壓,但這次極性相反,恰好在節點“a”處有一個大約 GND 的電壓值,而在節點“b”處有大約 Vs 的電壓值。
圖2:單相橋式VSI逆變器原理圖
流過負載的電流并不理想,但它受到電子開關電阻值的影響,正如我們所知,這也不是真實的。相反,流過按順序連接的兩個晶體管的電流,出于所有意圖和目的,必須穿過兩條電阻線,其值非常低但仍然很重要。圖 3 顯示了根據電子開關的不同邏輯狀態的電流路徑。
圖 3:在單相橋式逆變器中,電流路徑取決于電子開關的邏輯狀態
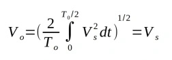
輸出電壓的理論有效值可使用以下等式確定:
方波控制允許以這樣的方式驅動橋式開關,即每個負載端子在半個周期內連接到直流電源的正極端子,在半個周期內連接到負極端子。以這種方式,橋的兩個分支被交叉驅動。我們現在將檢查四個電子開關(晶體管或 MOSFET)的四種開關操作狀態。下表給出了在各種操作模式下節點“a”和“b”上存在的不同電壓。下表證明了單相橋式逆變器的操作,其中列出了各種開關的邏輯條件,以及有關電壓和導通組件的其他信息。
值得注意的是,當二極管 D1 和 D2 導通時,循環電流作為正反饋返回到電壓發生器。在純電阻負載的情況下,瞬時功率值等于瞬時電壓乘以瞬時電流的乘積。另一方面,如果負載是電感性的,則其電流和電壓是正弦曲線。任何諧波都會返回電壓發生器,應該通過與電壓發生器并聯一個大電容來消除或減少諧波,不幸的是,這會增加此類逆變器的重量、體積和成本。為避免相反的開關同時導通,在兩個電源命令之間實現了一個小的死區時間。在這種接線方案中,優點是使用單一電源電壓。開關成對工作,在一個半波中只有 Q1 和 Q2 閉合,在另一個半波中 Q3 和 Q4 閉合。對于過時的 SCR,典型的工作頻率為 50 Hz 或 300 Hz,這些值都在可聽音頻頻譜范圍內,因此舊設備會產生令人不快的哨聲和聲學音符。使用新的電子元件,可以增加這個頻率。如果假設有強電感負載,則電流呈現對稱的三角形模式(參見圖 4 中的相應圖表)。圖中顯示了負載上的電壓和電流,在每個周期內,有四個不同的導通區間,對應一個確定的電路。切換后,感性負載上的電流不能突變,瞬間反轉方向,方波呈現幅度較大的諧波和其他奇次諧波,諧波失真率約為48%。使用特殊濾波器可以大大減少這些諧波。
圖 4:負載上的電壓和電流圖
結論
2999) 組件可以幫助提高電子設備的效率。它們是半導體材料,與傳統硅相比具有更優異的電性能,例如更高的耐溫性和更低的內阻。這意味著基于SiC和 GaN 的電子設備可以更快地運行并且能量損失更少,從而提高整體效率。它們可以設計用于太陽能系統中的大量使用,因為它們可以處理可變的直流輸入電壓并產生非常穩定的交流輸出電壓。此外,它們可以處理非線性負載,例如電感負載、電容負載和混合負載,因此非常適合用于住宅和工業應用。
免責聲明:本文為轉載文章,轉載此文目的在于傳遞更多信息,版權歸原作者所有。本文所用視頻、圖片、文字如涉及作品版權問題,請聯系小編進行處理。
推薦閱讀:





