【導讀】在電源轉換器設計中,為確保電源晶體管的性能評估準確性,選擇合適的器件至關重要。理想情況下,功率半導體供應商提供的數據表應包含一致且可比較的動態參數。然而,在實際操作中,尤其是針對表征寬帶gap(WBG)功率晶體管的動態開關特性測試,實現使寄生蟲保持較小且從系統之間保持一致的挑戰。本文聚焦于設計一套標準化的雙脈沖測試(DPT)系統,旨在實現不同測試系統間動態特性結果的可關聯性。文中詳細闡述了在設計此類系統時需考慮的關鍵因素,包括如何最小化寄生參數影響及確保系統間測試條件的一致性。
在電源轉換器設計中,為確保電源晶體管的性能評估準確性,選擇合適的器件至關重要。理想情況下,功率半導體供應商提供的數據表應包含一致且可比較的動態參數。然而,在實際操作中,尤其是針對表征寬帶gap(WBG)功率晶體管的動態開關特性測試,實現使寄生蟲保持較小且從系統之間保持一致的挑戰。本文聚焦于設計一套標準化的雙脈沖測試(DPT)系統,旨在實現不同測試系統間動態特性結果的可關聯性。文中詳細闡述了在設計此類系統時需考慮的關鍵因素,包括如何最小化寄生參數影響及確保系統間測試條件的一致性。
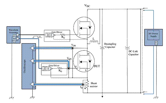
原則上,DPT設置很簡單,如圖1所示。測試工程師通常通過用二極管替換“高側”晶體管來簡化系統。但是,在仔細觀察并考慮不斷提高WBG設備的開關速度之后,系統中需要考慮許多重要的外部寄生組件(圖2)。
DPT設置的簡化圖。
圖1:DPT設置的簡化圖。
許多外部寄生蟲,尤其是三個主要回路 - 電源回路,柵極環和直流鏈路循環 - 主要是因為它們引入了波形。我們在以前的文章中對此進行了詳細的討論。但是,寄生蟲也極大地影響了提取的開關參數。外部影響,例如電源循環和柵極循環LSS共有的電感,外部柵極電阻RG,外柵極電感LG和負載電感寄生蟲會影響功率半導體的開關速度。此外,測得的開關能量受當前分流器的載荷電感和寄生電感(LSHUNT)的寄生能力(CIND)的影響。
圖2:具有一些重要的外部寄生蟲的DPT設置
正如我們上一篇文章所討論的那樣,分流帶寬對開關能量有重大影響。寄生元件在轉啟動過程中導致較高的測量電流峰,并放大測得的電流信號的所有高頻成分。表征用于測量的分流有助于地降低Lshunt的影響,以便在適當補償時不必考慮它以進行可比性。
功率半導體數據表顯示了有關用于提取開關參數的DPT系統的幾乎沒有信息。除了測試參數(例如VDS,ID,VGS)外,通常還指定RG和LIND。所有這些參數都可以在系統中輕松控制和更改。
一些數據表還顯示了負載電感器和總功率環電感的寄生電容(CIND)。 CIND是一個重要的參數,因為它與高側設備并行引入了額外的電容。在上交期間,這種額外的電容會導致比設備的實際反恢復電流更高的測量峰值電流,從而增加了轉盤期間的開關能量。燈具布局本身還可以引入具有相似效果且從未指定的寄生電容。可以在圖3中看到此效果,顯示了VD和ID的轉式波形。具有較高電感器的測量值較高,較長且稍長于電流峰和延遲的降落邊緣。這導致開關能量的增加為4.5%。因此,保持CIND并引入布局寄生能力很重要。
兩種電感器之間的轉式波形比較有不同的cind
圖3:兩個有不同CIND的電感器之間的轉式波形比較
總功率循環電感很重要,因為它在i d的轉盤邊緣在i d的轉盤邊緣中產生了下垂,vds,vds,drop = lpowerloop·did/dt [1]
對于具有陡峭電流坡度的快速開關設備,這種電壓下垂變得很重要,必須考慮進行上升時間計算。將功率循環電感分為其組件LS和LDS很重要,因為它們以不同的方式影響系統和測量結果。 LSS在柵極環中產生負反饋時會降低開關速度。這減慢了轉交和關閉過渡的輸出電流斜率。較慢的電流斜率也會減小鈴聲。相比之下,是所有信號(VD,ID,VGS)上響起的主要來源,但實際上對開關速度沒有影響。重要的是要了解LSS和LD,因為它們的影響具有相反的影響。
在我們的上一篇文章中,我們還討論了示波器輸入時間偏斜的影響以及如何地減少它。信號偏斜對于依賴兩個不同信號(例如開關能量和延遲時間)的參數很重要。考慮這些參數的探針位置很重要。可以將探針放置在接近測試的設備(DUT)的附近或遠處,因此將痕量長度更改為探針。由于信號傳播延遲,這會導致系統中的額外偏斜。一個簡單的測試表明,將其位置更改為幾厘米,導致延遲時間的變化增加了0.5 ns(圖4)。對于延遲時間> 50 ns的較慢的開關設備,這可能并不重要。但是,新的,更快的設備顯示延遲時間為5 ns或以下,轉化為10%或更高的誤差。
覆蓋具有不同位置的v_gs探針(藍色)的覆蓋波形。
圖4:覆蓋的轉式波形具有不同位置的V_GS探針(藍色)。
設計DPT系統可比結果
目前,半導體制造商使用自制DPT系統來獲取開關參數。但是,許多制造商無法將系統的結果與系統相關聯。有兩種方法可以在多個系統測試WBG功率晶體管之間獲得可比較的結果。對于種方法,制造商對其DPT系統的寄生蟲進行了特征,并將其納入指定特征的測試條件。但是,很難知道并共享有關所有寄生蟲(布局,電感器等)的信息。這并不容易,甚至可能以高精度測量其中一些寄生蟲。即使所有條件都具有很高的精度并陳述,仍然很難量化這些寄生蟲對結果的確切影響。
表1顯示了一個簡化的示例,說明了比較在兩個不同DPT系統上獲得的測量結果的難度。該示例僅顯示一些測試條件。一個逼真的表顯示所有必要的測試條件將列出更多參數。在相同的測試電壓,電流和相同的柵極電阻值以相同的測試電壓下測量兩個設備,但在不同的DPT系統上測量。與設備B相比,設備A清楚地顯示了轉交和更高的開關能量。但是,如前所述,開關速度和能量的主要影響之一是LSS。與設備B的測試系統相比,用于表征設備A的測試系統具有更高的LSS。沒有模擬和詳細的分析,很難比較設備并知道哪種設備更快,并且在目標應用程序中消耗了更少的開關能量。

表1:簡化的示例,顯示了在不同測試系統上獲得的可比數據的難度
由于難以測量所有寄生蟲,并將它們的影響與獲得的測量結果進行比較,因此我們必須研究另一種實現目標的方法。
獲得可比結果的第二種方法是保持DPT寄生蟲恒定,因此需要標準DPT系統。通過設計良好且易于使用的DPT系統將潛在的人為錯誤降至,所有寄生蟲和其他影響因素仍然相對穩定。使用這樣的標準系統獲得多個設備的設備參數清楚,可以使供應商之間的設備更加容易。
必須解決幾個問題以保持寄生蟲的穩定,同時提供一個可靠且靈活的系統。在考慮DUT接口和柵極驅動程序連接時,將它們焊接在PCB上是可靠的方法。但是,工程師失去了靈活性。如果工程師想更改DUT或門電阻,則有必要將舊部分和焊料固定在新部分中。經過幾次設備更改后,PCB可能會損壞,并且獲得的測量結果不再可比。具有緊密插座類型連接器的特殊設計的DUT接口板使工程師無需焊接即可輕松更換晶體管(例如TO247軟件包)。因此,一個DUT板可用于數千個插入(圖5)。
標準TO247測試板,以提高設備和門驅動器更改的靈活性
獲得門驅動器靈活性的一種簡單方法是擁有一個可單獨的可交換板(具有不同的值),可以將其插入同一DUT板。柵極駕駛員板允許與DUT板的重復且一致的連接。
不同門電阻器的理想情況是擁有一個帶有可切換電阻器或可變電阻器的門駕駛員板。門環中引入開關會增加寄生門電感,因此不是。具有可變的整孔電阻的情況也是如此,因為寄生電感遠高于表面載體電阻。此外,其處理太容易出錯,因為可以輕松混合電阻器,從而導致測試結果文檔故障。正確維護小且恒定的門和電源循環的實用方法是擁有具有可變標準的門駕駛員板的標準DUT板設計。這有助于在多個系統之間創建可比的結果。
從DC-LINK電容器銀行到DUT,將寄生電感降至,LDCLINK1和LDCLINK2需要權衡。散裝電容器很大,并且不可行,可以安裝在DUT板上。將它們放在單獨的主電容器板上,以使不同的DUT板(TO247-4,D2PAK-7等)更加靈活。但是,這增加了LDCLINK1和LDCLINK2。取而代之的是,每個DUT測試板都包括解耦電容器,以使電源循環盡可能小而不會失去靈活性。精心設計的解耦電容器值地減少了較大的LDClink值的影響。
在使柵極和功率回路常數中寄生電感后,剩下的影響因素是主要電感器本身。關于電感器有多種因素需要考慮。
電感器的布局或設計顯然會影響其直流電阻和寄生能力。建議為每個系統使用相同的設計來創建可比的結果。
電感器周圍產生磁場。系統中電感器位置的變化可能會導致對被誘導的磁場的不同影響。因此,重要的是要有固定的電感器位置。
電感器的電纜長度和電纜定位也增加了寄生蟲。更長的電纜通常會導致更高的寄生蟲。因此,可靠的系統需要電感器的固定定位和連接。優選地,用戶不必執行任何更改即可在不同電感器值之間以及正常DPT或反向恢復測試之間切換。這樣,可以實現不同系統上測量之間的可比性。
免責聲明:本文為轉載文章,轉載此文目的在于傳遞更多信息,版權歸原作者所有。本文所用視頻、圖片、文字如涉及作品版權問題,請聯系小編進行處理。
推薦閱讀:




