中心議題:
- Buck系統的電磁干擾
- Buck系統電磁干擾的抑制措施
解決方案:
- Buck系統的濾波、接地、吸收和PCB布板分析和設計
開關電源通過改變開關器件的導通比來有效地控制輸出電壓和電流的大小。通常它在幾十kHz以上的開關頻率下工作,當開關導通時,它將流過浪涌電流Cdv/dt;當開關斷開時,其兩端將會產生浪涌電壓Ldi/dt,形成較強的電磁騷擾源。隨著半導體開關器件的不斷發展,開關頻率將提高到MHz數量級,使電磁騷擾更加嚴重。因此,必須采用相應的措施,加強開關電源的電磁兼容性(EMC)。
電磁兼容性是指在不損失有用信號所包含信息的條件下,信息和干擾共存的能力。電力電子裝置在其使用環境下,承受來自外部電磁干擾的同時也向周圍環境釋放干擾。在設計制造電力電子裝置時,應考慮到電力電子裝置在工作時所產生的電磁騷擾不對在同一環境中工作的其它電子設備的運行產生不良影響,同時來自外部環境的電磁干擾又不會影響電力電子裝置的工作。
1 Buck系統的電磁干擾
以下結合Buck變換器來具體討論電磁干擾產生的原因和條件,從而找出抑制和消除的方法。圖1是Buck變換器的原理結構圖。

圖1 Buck原理結構圖
主電路主要由功率開關管S、肖特基二極管D、濾波電容C、電感L、阻性負載Ro以及無感采樣電阻RL組成。此電路的基本參數是輸入端為36V鉛酸蓄電池,輸出要求為10A恒流,開關頻率為50kHz。控制芯片采用SG3525,驅動芯片采用TLP250。輔助電源采用反激。主電路選擇合適的閉環參數是重要的一步,合適的閉環參數可以使電路穩定,產生較小的EMD。
圖2是該系統的電磁兼容性示意圖,結合此圖分析系統所處的電磁環境及其相互作用的情況。顯然,電磁干擾既可發生在系統內部,又有可能發生在系統之間。

圖2 系統的電磁兼容性示意圖
從圖2中可以看出,任何一種EMI均由三部分組成:騷擾源、耦合路徑和受擾體。騷擾源產生的干擾經耦合途徑進入受擾體,若干擾水平超出受擾體的敏感程度就會影響其正常工作而構成干擾。與數字電路相比,由于開關電源功率開關管的高速開關動作,它產生的干擾強度較大;騷擾源主要集中在功率開關器件以及與之相連的高頻變壓器上;開關頻率不高,主要干擾形式是傳導干擾和近場干擾。一般解決EMD針對3方面:抑制騷擾源、切斷干擾途徑和提高受擾體的抗干擾能力。
[page]
由此可知Buck的主要騷擾源是開關管和功率二極管。由于開關頻率較高,傳輸的能量又大,故在開關過程中會產生很高的毛刺。
由于設計的開關電源的幾何尺寸遠小于30MHz電磁場對應的波長,因此,電磁干擾主要考慮的是傳導干擾。MOSFET在開關過程中產生的電壓尖峰和振蕩主要通過導線寄生電感和寄生電容干擾受擾體,開關過程越快,尖峰越高,振蕩越明顯,干擾越強。
2 電磁干擾的抑制措施
主要從濾波、接地、吸收、PCB布板幾個方面進行分析和設計。
2.1 濾波
由于電池存在一定的內阻抗,再加上入端引線上的寄生電感和內阻,將在輸入端引起一系列的高頻紋波。為了使輸入端成為滿足要求的恒壓源,需在電路進線端加上EMI濾波器,既抑制了外界對電路的干擾,也阻止了電路對電池的干擾。通常,在入端并聯電解電容和濾高頻紋波的電容。電解電容主要濾低頻紋波,濾高頻紋波的電容采用CBB電容。
由于輸出端對電流波形的要求,必須減小輸出紋波的大小,因此,也需要在輸出端并聯大容量的電解電容和較大容量的濾高頻紋波的CBB電容。
另外,需要對集成芯片的去耦濾波電容進行科學的配置。每塊集成芯片都接有去耦濾波電容器,在每次開關過程中都重新充電,以便為芯片供電,去耦電容器的取值一般在470pF~1000pF,采用瓷片或者是CBB電容,用于濾除高次紋波。去耦濾波電容器必須緊靠集成電路安裝,力求最短的電容器引線和最小的瞬態電流回路面積。同時要在整個集成芯片的PCB板上放置總體去耦電容器,由電源來對它充電,并應安裝在電源母線進入PCB板的地方。

圖3 采樣電流的波形
系統中最易受干擾的是電流采樣電阻,而采樣電流的精度將直接影響電路的輸出指標。采樣電流的波形如圖3所示。由于采樣電阻受到開關管導通和關斷的干擾,所以,需要對采樣電阻上的信號進行濾波,此電路中利用的RC二階無源濾波,電路如下圖4所示。

圖4 二階RC無源濾波電路
2.2 接地
一個系統的接地主要有安全地、信號地、機殼地和屏蔽地。這里只討論本系統的公共地的連接方法。
1) 接地系統須具有很低的公共阻抗,使系統中各路電流,通過該公共阻抗產生的直接傳導噪聲電壓最小。
2)在高頻電流的場合,保證“信號地”對“大地”有較低的共模電壓,使通過“信號地”產生的輻射噪音最低。
3)保證地線與信號線構成的電流回路具有最小的面積,避免由地線構成“地回路”,使外界干擾磁場穿過該回路產生的差模干擾電壓最小,同時,也避免由地電位差通過地回路引起過大的地電流,造成傳導干擾。
本系統中采用混合接地和浮空接地方式。主功率采用浮地方式,以便減小公共阻抗和大電流的通過。控制系統內部先串聯接地,然后再單點與主功率地連接。驅動電路則采用光耦隔離技術來驅動開關管的導通和關斷。
[page]
2.3 緩沖
在采用了以上措施后,發現MOSFET的開關過程中毛刺仍然較高,這是由于電路中流過的電流比較大,很小的寄生電感也能引起很大的毛刺。
緩沖電路的目的是對開關管產生的瞬態噪聲進行抑制。采用的是在開關管兩端并上R—C—D網絡進行抑制,它可以減緩開關管的漏極和源極之間的電壓上升率,如圖5所示。

圖5 R—C—D吸收電路
通過給開關管加緩沖電路后,可以得到比較理想的開關波形,如圖6所示。

圖6 開關管vDS波形
在關斷過程中由于功率二極管會有反向恢復,這是一個重要的騷擾源。
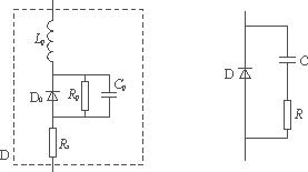
RC緩沖電路是解決功率二極管反向恢復問題的常用方法。在高頻下工作的功率二極管,要考慮寄生參數。圖7(a)為電路模型,其中D0為理想二極管,Lp為引線電感,Cp為結電容,Rp為并聯電阻(高阻值),Rs為引線電阻。如圖7(b)所示,將電容C和電阻R串聯后并聯到功率二極管D上。二極管反向關斷時,寄生電感中的能量對寄生電容充電,同時還通過緩沖電阻R對緩沖電容C充電。在同樣能量的情況下,緩沖電容越大,其上的電壓就越小;當二極管正向導通時,C通過R放電,能量絕大部分在R上消耗。
(a)等效模型 (b)RC緩沖電路

圖7 功率二極管等效模型及RC緩沖電路
通過在功率二極管上并R—C緩沖電路后,可以得到比較理想的開通和反向關斷波形,如圖8所示。

圖8 功率二極管上的波形[page]
2.4 PCB布板
印刷電路板上元器件的放置和布線設計對開關電源EMC性能有極大的影響,在高頻開關電源中,由于印刷板上既有低電平的小信號控制線,又有高壓大電流電源線,同時還有一些高頻功率開關、磁性元件。如何在印刷板有限的空間內合理地安排元器件位置,以及合理地布線將直接影響到電路中各元器件自身的抗干擾性和電路工作的可靠性。
通過分析印刷導線的特性阻抗,合理地選取布線的放置方式、長度、寬度以及總體布局。單根導線的特性阻抗由直流電阻R和自感L組成。
Z=R+jωL(1)
L=2lln
(2)
式中:l為印刷導線的長度;b為印刷導線的寬度。
可以看出印刷線l越短,直流電阻R越小,自感L也就越小;同時增加印刷線的寬度也可以降低直流電阻R和自感L。
多根印刷線的特性阻抗除了直流電阻R和自感L以外,還有互感M。
M=2l
(3)
式中:s為兩線之間的距離。
由以上分析可知,在設計印刷電路板時,應盡量降低電源線和地線的阻抗。因電源線、地線和其它印刷線都有電感,當電源電流變化較大時,會產生較大壓降,而地線壓降是形成公共阻抗干擾的重要因素,所以應盡量縮短地線,盡量加寬電源線和地線。
直流供電系統的實際等效電路如圖9所示。

圖9 直流供電系統等效電路
直流供電電路中產生的瞬態噪聲電壓,起源于電源負載電流的突變ΔiL。該電流變化是瞬時的,則因之產生的瞬變電壓的幅值ΔuL是電源供電傳輸線特征阻抗Z0的函數。
Z0=
(4)
ΔuL=ΔiLZ0(5)
為了減小ΔuL,必須使得Z0盡量低,由式(4)可知,要求Lt盡量小,Ct盡量大。為了減小Lt和增大Ct,供電母線應用矩形截面的導線,并使兩條母線盡量靠近,用兩條盡量寬的扁平印刷線。由于使用的是雙面印刷板,電源線和地線平行布線,使兩條功率線流過的電流方向相反,可以有效地減小感應磁通。同時也將其它正、負信號線分別布在印刷板的兩面,設法使兩個載流體導線彼此間保持平行,因為平行緊靠的正、負載流體導體所產生的外部磁場是趨向于相互抵消的。
對于元器件的放置,由于開關電源的輻射干擾(E)與電流通路中電流(I)的大小,通路的環路面積(A),以及電流頻率(f)的平方等三者的乘積成正比,即E=I·A·f2。運用這一關系的前提是通路尺寸遠小于頻率的波長(此電路符合條件)。
利用上述關系式,減小通路面積是減小輻射干擾的關鍵。在此Buck電路中,應該使輸入端電容、開關管、功率二極管彼此緊靠,且布線緊湊;同時使輸出端功率二極管、電感、輸出電容、采樣電阻彼此緊靠。
另外,在布線時使開關管的漏極連線盡量短、粗,以減小導線的寄生電感。選擇合適的濾高頻電容(樣機中使用了CBB電容),并使其盡量靠近MOSFET的漏極,電容引線盡量短,以減小導線電感。
根據以上的分析所得出的原則,實際設計的樣機主功率PCB板如圖10所示。

圖10 Buck電路的PCB板
3 結語
開關電源電磁兼容設計的目的,就是使所設計的產品不但能在一定的電磁干擾環境中正常工作,而且也使產品自身所產生的電磁騷擾不影響其它設備的工作。本文通過各個方面的分析,總結出設計Buck電路電磁兼容的原則,并依此原則制造出試驗樣機,從而在實踐的基礎上說明了這些原則的可行性和正確性,為以后開關電源的電磁兼容設計提供了很好的經驗。





