【導讀】LED樓道燈的電路如下圖所示。電路由電容降壓電路、整流電路、LED發光電路和光電控制電路等部分組成。
LED燈驅動電源電路圖(一)
電路工作原理
LED樓道燈的電路如下圖所示。電路由電容降壓電路、整流電路、LED發光電路和光電控制電路等部分組成。

LED燈驅動電源電路圖(二)
LED驅動電源的具體要求
LED是低壓發光器件,具有長壽命、高光效、安全環保、方便使用等優點。對于市電交流輸入電源驅動,隔離輸出是基于安全規范的要求。LED驅動電源的效率越高,則越能發揮LED高光效,節能的優勢。
同時高開關工作頻率,高效率使得整個LED驅動電源容易安裝在設計緊湊的LED燈具中。高恒流精度保證了大批量使用LED照明時的亮度和光色一致性。

圖1:基于AP3766的LED驅動電路原理圖
LED燈驅動電源電路圖(三)
分享一個用于2并5串(5S2P)組合的AR111LED燈的驅動器電路原理圖。MAX16819工作在buck-boost模式,電路工作電壓為12VAC,能夠為每串LED提供平均500mA驅動電流。
本電路以MAX16819為主控制器,可驅動總共10只LED-2串并聯、每串5只LED.輸入電壓為12VAC、容差±10%.肖特基二極管D1至D4構成全波整流電路,電容C1至C8用于電壓濾波。根據對LED閃爍的要求,可以去掉一些濾波電容以降低成本。這些電容中包含一個鉭電容,具有較好的溫度特性。
由于LED按照5S2P排列,不可能達到完全匹配的電流。假設LED燈具有良好的匹配度,使電流差異降至最小。控制每串LED的數量及混合架構的燈管數量,有助于減輕電流匹配度的影響。如下圖所示。

LED燈驅動電源電路圖(四)
本設計采用TNY279電源芯片作為開關電源的控制芯片,TNY279電源芯片在一個器件上集成了一個700V高壓MOSFET開關和一個電源控制器,與普通的PWM控制器不同,它使用簡單的開/關控制方式來穩定輸出電壓。
控制器包括一個振蕩器、使能電路、限流狀態調節器、5.8V穩壓器、欠電壓即過電壓電路、限流選擇電路、過熱保護、電流限流保護、前沿消隱電路。
該芯片具有自動重啟、自動調整開關周期導通時間及頻率抖動等功能。
電路的工作原理分析
電源的核心部分采用反激式變換器,結構簡單,易于實現。整體設計電路圖如圖1。

高頻變壓器設計
TNY279完全可以自供電的,但是使用偏置繞組,可以實現輸出過壓保護,在反饋出現開環故障時能夠保護負載,有效地減少對LED光源的產生的損害,在本設計中采用偏置繞組,如圖1,同時可由更低的偏置電壓向芯片供電,抑制了內部高壓電流源供電,在空載時功耗可降低到40MW以下。Y電容可降低電磁干擾。
反饋電路設計
次級采用恒流恒壓雙環控制。NCS1002是一款恒流恒壓次級端控制器。如圖2所示,它的內部集成了一個2.5V的基準和兩個高精度的運放。

圖2 NCS1002芯片內部結構
電壓基準和運放1是電壓控制環路的核心。運放2則是一個獨立運放,用于電流控制。在本設計中,電壓控制環路用于保證輸出電壓的穩定,電流反饋控制環路檢測LED平均電流,即電路中R17上的電流,將其轉換成電壓和2.5V基準比較,并將誤差反饋到TNY279中來調整導通。
LED燈驅動電源電路圖(五)
led驅動電源是把電源供應轉換為特定的電壓電流以驅動led發光的電源轉換器,通常情況下led驅動電源的輸入包括高壓工頻交流(即市電)、低壓直流、高壓直流、低壓高頻交流(如電子變壓器的輸出)等。

在目前的LED的電源驅動器中,必須使用電解電容,小型的電解電容壽命只能達到幾千小時。
但使用專利IC的驅動器,完全不需要使用電解電容,壽命達到4萬小時以上,是原來驅動器的10倍,而且專利IC驅動器的尺寸小,只有原來面積的四分之一,可輕易的放進LED燈泡內,不必改變原來燈泡的形狀,讓設計更加簡單化,也更能讓用戶接受和喜愛。
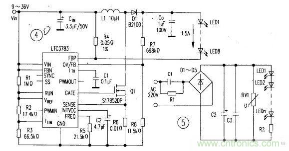
LED燈驅動電源電路圖(六)
在輸入電壓既可能高于,也可能低于LED或LED串的總電壓降時,就必須使用降壓/升壓變換器。基于LT℃3783的降壓/升壓型變換器驅動8只1.5A串聯LED的電路如圖4所示。
回掃變換器、單端初級電感變換器(SEPIC)和CUK穩壓器等,都可以升高或降低輸入電壓。
輸出與輸入電壓在極性上可以相同或相反。每種拓撲都有獨特的優勢,但效率都比降壓一升壓穩壓器低。




