- 介紹單擊式變壓器開關電源
- 單激式變壓器開關電源的工作原理
單激式變壓器開關電源
變壓器開關電源的最大優點是,變壓器可以同時輸出多組不同數值的電壓,改變輸出電壓和輸出電流很容易,只需改變變壓器的匝數比和漆包線截面積的大小即可;另外,變壓器初、次級互相隔離,不需共用同一個地。因此,變壓器開關電源也有人把它稱為離線式開關電源。這里的離線并不是不需要輸入電源,而是輸入電源與輸出電源之間沒有導線連接,完全是通過磁場偶合傳輸能量。
變壓器開關電源采用變壓器把輸入輸出進行電器隔離的最大好處是,提高設備的絕緣強度,降低安全風險,同時還可以減輕EMI干擾,并且還容易進行功率匹配。
變壓器開關電源有單激式變壓器開關電源和雙激式變壓器開關電源之分,單激式變壓器開關電源普遍應用于小功率電子設備之中,因此,單激式變壓器開關電源應用非常廣泛。而雙激式變壓器開關電源一般用于功率較大的電子設備之中,并且電路一般也要復雜一些。
單激式變壓器開關電源的缺點是變壓器的體積比雙激式變壓器開關電源的激式變壓器的體積大,因為單激式開關電源的變壓器的磁芯只工作在磁回路曲線的單端,磁回路曲線變化的面積很小。
單激式變壓器開關電源的工作原理

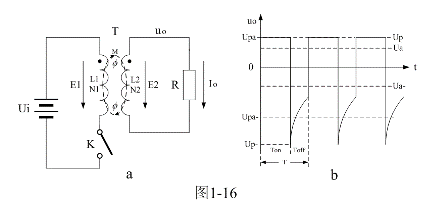
圖1-16-a是單激式變壓器開關電源的最簡單工作原理圖。圖1-16-a中,Ui是開關電源的輸入電壓,T是開關變壓器,K是控制開關,R是負載電阻。
當控制開關K接通的時候,直流輸入電壓Ui首先對變壓器T的初級線圈N1繞組供電,電流在變壓器初級線圈N1繞組的兩端會產生自感電動勢e1;同時,通過互感M的作用,在變壓器次級線圈N2繞組的兩端也會產生感應電動勢e2;當控制開關K由接通狀態突然轉為關斷狀態的時候,電流在變壓器初級線圈N1繞組中存儲的能量(磁能)也會產生反電動勢e1;同時,通過互感M的作用,在變壓器次級線圈N2繞組中也會產生感應電動勢e2。
因此,在控制開關K接通之前和接通之后,在變壓器初、次級線圈中感應產生的電動勢方向是不一樣的。
所謂單激式變壓器開關電源,是指開關電源在一個工作周期之內,變壓器的初級線圈只被直流電壓激勵一次。一般單激式變壓器開關電源在一個工作周期之內,只有半個周期向負載提供功率(或電壓)輸出。當變壓器的初級線圈正好被直流電壓激勵時,變壓器的次級線圈也正好向負載提供功率輸出,這種變壓器開關電源稱為正激式開關電源;當變壓器的初級線圈正好被直流電壓激勵時,變壓器的次級線圈沒有向負載提供功率輸出,而僅在變壓器初級線圈的激勵電壓被關斷后才向負載提供功率輸出,這種變壓器開關電源稱為反激式開關電源。
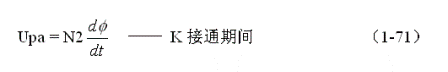
圖1-16-b是單激式變壓器開關電源輸出電壓的波形,由于輸出電壓是由變壓器的次級輸出,因此,在輸出電壓uo中完全沒有直流成份。輸出電壓正半波的面積與負半波的面積完全相等,這是單激式變壓器開關電源輸出電壓波形的特點。圖1-16-b中,當只輸出正半波電壓時,為正激式開關電源;反之,當只輸出負半波電壓時,為反激式開關電源。
順便指出,圖1-16-b中變壓器輸出電壓波形極性的正負,是可以通過調整變壓器線圈的饒線方向(相位)來改變的。嚴格地說,只有當控制開關的占空比等于0.5時,開關電源的輸出電壓才能稱為正、負半周電壓,但由于人們已習慣了正、負半周的叫法,所以,只要是有正、負電壓輸出的電源,我們還是習慣地把它們稱為正、負半周。但為了與占空比不等于0.5時的電壓波形相區別,我們有時特別把占空比不等于0.5時的電壓波形稱為正、負半波。因此,有些場合在不影響對正、負半波電壓的理解時,或占空比不確定時,我們也習慣地把正、負半波稱為正、負半周。
圖1-16-a中,在Ton期間,控制開關K接通,輸入電源Ui開始對變壓器初級線圈N1繞組加電,電流從變壓器初級線圈N1繞組的兩端經過,通過電磁感應會在變壓器的鐵心中產生磁場,并產生磁力線;同時,在初級線圈N1繞組的兩端要產生自感電動勢E1,在次級線圈N2繞組的兩端也會產生感應電動勢e2;感應電動勢e2作用于負載R的兩端,從而產生負載電流。因此,在初、次級電流的共同作用下,在變壓器的鐵心中會產生一個由流過變壓器初、次級線圈電流產生的合成磁場,這個磁場的大小可用磁力線通量(簡稱磁通量),即磁力線的數目 來表示。
如果用 1來表示變壓器初級線圈電流產生的磁通量,用 2來表示變壓器次級線圈電流產生的磁通量,由于變壓器初、次級線圈電流產生的磁場方向總是相反,則在控制開關K接通期間,由流過變壓器初、次級線圈電流在變壓器鐵心中產生的合成磁場的總磁通量 為:
其中變壓器初級線圈電流產生的磁通 1還可以分成兩個部分,一部分用來抵消變壓器次級線圈電流產生的磁通 2,記為 10,另一部分是由勵磁電流產生的磁通,記為Δ 1。顯然 10 =- 2,Δ 1 = 。即:變壓器鐵心中產生的磁通量 ,只與流過變壓器初級線圈中的勵磁電流有關,與流過變壓器次級線圈中的電流無關;流過變壓器次級線圈中的電流產生的磁通,完全被流過變壓器初級線圈中的另一部分電流產生的磁通抵消。[page]
根據電磁感應定律可以對變壓器初級線圈N1繞組回路列出方程:

同樣,可以對變壓器次級線圈N2繞組回路列出方程:

根據(1-61)和(1-62)可以求得:

上式中,Up為正激式開關電源變壓器次級輸出電壓的幅值(圖1-16-b中正半周);Ui為正激式開關電源變壓器初級線圈N1繞組的輸入電壓;n為變壓比,即:開關變壓器次級線圈輸出電壓與初級線圈輸入電壓之比,n也可以看成是開關變壓器次級線圈N2繞組與初級線圈N1繞組的匝數比,即:n = N2/N1。
由此可知,在控制開關K接通期間,正激式開關電源變壓器次級輸出電壓的幅值只與輸入電壓和變壓器的次/初級變壓比有關。
我們再來分析控制開關K關斷期間的情況。
在Toff期間,控制開關K關斷,流過變壓器初級線圈的電流突然為0。由于變壓器初級線圈回路中的電流產生突變,而變壓器鐵心中的磁通量 不能突變,因此,必須要求流過變壓器次級線圈回路的電流也跟著突變,以抵消變壓器初級線圈電流突變的影響,要么,在變壓器初級線圈回路中將出現非常高的反電動勢電壓,把控制開關或變壓器擊穿。
如果變壓器鐵心中的磁通 產生突變,變壓器的初、次級線圈就會產生無限高的反電動勢,反電動勢又會產生無限大的電流,而電流在線圈中產生的磁力線又會抵制磁通的變化,因此,變壓器鐵心中的磁通變化,最終還是要受到變壓器初、次級線圈中的電流來約束的。
因此,在控制開關K關斷的Toff期間,變壓器鐵心中的磁通 主要由變壓器次級線圈回路中的電流來決定,即:

式中負號表示反電動勢e2的極性與(1-62)式中的符號相反,即:K接通與關斷時變壓器次級線圈產生的感應電動勢的極性正好相反。對(1-64)式階微分方程求解得:

式中C為常數,把初始條件代入上式,就很容易求出C,由于控制開關K由接通狀態突然轉為關斷時,變壓器初級線圈回路中的電流突然為0,而變壓器鐵心中的磁通量 不能突變,因此,變壓器次級線圈回路中的電流i2一定正好等于控制開關K接通期間的電流i2(Ton+),與變壓器初級線圈回路中勵磁電流被折算到變壓器次級線圈回路電流之和。所以(1-65)式可以寫為:

(1-66)式中,括弧中的第一項表示變壓器次級線圈回路中的電流,第二項表示變壓器初級線圈回路中勵磁電流被折算到變壓器次級線圈回路的電流。
圖1-16-a單激式變壓器開關電源輸出電壓uo等于:

由(1-67)式可以看出,當t = 0時,即:K關斷瞬間,輸出電壓有最大值:

(1-68)式中的Up-就是反擊式輸出電壓的峰值,或輸出電壓最大值。由此可知,在控制開關K關斷瞬間,當變壓器次級線圈回路負載開路時,變壓器次級線圈回路會產生非常高的反電動勢。理論上需要時間t等于無限大時,變壓器次級線圈回路輸出電壓才為0,但這種情況一般不會發生,因為控制開關K的關斷時間等不了那么長。
從(1-63)和(1-67)式可以看出,開關電源變壓器的工作原理與普通變壓器的工作原理是不一樣的。當開關電源工作于正激時,開關電源變壓器的工作原理與普通變壓器的工作原理基本相同;當開關電源工作于反激時,開關電源變壓器的工作原理相當于一個儲能電感。[page]
如果我們把輸出電壓uo的正、負半波分別用平均值Upa、Upa-來表示,則有:


根據電磁感應定律可以對變壓器次級線圈N2繞組回路列出方程:


分別對(1-71)和(1-72)兩式進行積分得:


由此我們可以求得,單激式變壓器開關電源輸出電壓正半波的面積與負半波的面積完全相等,即:
(1-75)式就是用來計算單激式變壓器開關電源輸出電壓半波平均值Upa和Upa-的表達式。上面(1-73)、(1-74)、(1-75)式中,我們分別把Upa和Upa-定義為正半波平均值和負半波平均值,簡稱半波平均值,而把Ua 和Ua- 稱為一周平均值。從圖1-16-b可以看出,Upa正好等于Up,但Upa-并不等于Up- ,Upa- 小于Up- 。
半波平均值Upa和Upa-,以及一周平均值Ua 和Ua- ,對于分析開關電源的工作原理是一個非常重要的概念,下面經常用到,在這里務必記清楚。
在開關電源中,正激電壓和反激電壓是同時存在的,但在單激式開關電源中一般只能有一種電壓用于功率輸出。這是因為單激式開關電源一般都要求輸出電壓可調,即:通過改變控制開關的占空比來調整開關電源輸出電壓的大小。如:在正激式開關電源中,只有(1-75)式等號左邊Upa電壓向負載提供功率輸出,通過改變控制開關的占空比,可以改變其輸出電壓的平均值;在反激式開關電源中,只有(1-75)式等號右邊Upa-電壓向負載提供功率輸出,通過改變控制開關的占空比,可以改變其輸出電壓的半波平均值。
在(1-75)式中,如果把等號左邊的Upa看成是正激電壓,則等號右邊的Upa-就可以看成是反激電壓,反之則反。在正激式開關電源中,由于只有正激電壓Upa向負載提供功率輸出,所以反激電壓Upa-就相當于一個附屬產品需要另外回收;在反激式開關電源中,由于只有反激電壓Upa-向負載提供功率輸出,所以正激電壓Upa就相當于用來對能量進行存儲,以便于給反激電壓Upa-提供能量輸出。[page]
如果(1-75)式中正激電壓沒有電流輸出,就不能把正激電壓看成是正激式輸出電壓,我們應該把它看成是反激式輸出電壓的一個過程,就是為反激式輸出電壓存儲能量。這樣定義雖然有點勉強,但主要目的還是為了讓我們增強對開關電源工作原理的理解。
這是因為,(1-75)式中無論是正激電壓Upa或是反激電壓Upa-,都是由流過變壓器初級線圈的勵磁電流產生的磁通,通過互感的作用所產生的。但勵磁電流產生的磁通并不直接向正激電壓Upa提供能量輸出,因為(1-71)、(1-72)、(1-73)、(1-74)等式中的磁通 并不是由正激電壓產生的,而是由勵磁電流自己產生的。勵磁電流產生的磁通 雖然通過電磁感應會產生正激電壓,但不產生正激電流輸出,即:勵磁電流對正激式輸出電壓不提供功率輸出。不管正激式輸出功率或電流多大,變壓器初級線圈中的勵磁電流或磁通的變化只與輸入電壓和變壓器的初級電感量有關,而與正激式輸出功率或電流大小無關。
這是因為我們把變壓器鐵心中的磁通 分成了兩個部分,即:勵磁電流產生的磁通和正激電流產生的磁通,來進行分析的緣故。正激輸出電流產生的磁通與流過變壓器初級線圈電流產生的磁通,方向相反,互相可以抵消,而剩下來的磁通正好就是勵磁電流產生的;因此,只有勵磁電流產生的磁通才會產生反激式輸出電壓和電流。正激式輸出電壓只與變壓器的輸入電壓和變壓器的初、次級線圈的匝數比有關,兩種電壓輸出機理是不完全一樣的。
在變壓器開關電源中,正激式輸出電壓的計算比較簡單,而反激式輸出電壓的計算相對來說很復雜,因此,如果沒有十分必要,最好采用半波平均值的概念和(1-75)式,通過計算正激電壓的半波平均值,來推算反激式輸出電壓的半波平均值。因此,(1-75)式主要還是用來計算反激式輸出電壓的半波平均值的。
另外,還需特別注意:(1-75)式中,正激電壓的幅值或半波平均值是不會跟隨控制開關的接通時間Ton或占空比D的改變而改變的;而反激電壓的幅值或半波平均值則要跟隨控制開關的接通時間Ton或占空比D的改變而改變,占空比D越大,反激電壓的幅值或半波平均值就越高。正激式開關電源與反激式開關電源的區別不只是輸出電壓極性的不同,更重要的是變壓器的參數要求不一樣;在正激式開關電源中,反激式輸出電壓的能量與正激式輸出電壓的能量相比,一般都比較小,有時甚至可以忽略。
根據(1-63)式與半波平均值的定義,可以求得正激式開關電源輸出電壓為:


根據(1-70)式和(1-75)式,可以求得反激式開關電源輸出電壓為:


由(1-76)、(1-77)和(1-78)、(1-79)式看出:
當開關電源工作于正激式輸出狀態的時候,改變控制開關K的占空比D,只能改變輸出電壓(圖1-16-b中正半周)的平均值Ua ,而輸出電壓的幅值Up不變;當開關電源工作于反激式輸出狀態的時候,改變控制開關K的占空比D,不但可以改變輸出電壓uo(圖1-16-b中負半周)的幅值Up- ,而且也可以改變輸出電壓的平均值Ua- 。
這里還需提請注意,在決定反激式開關電源輸出電壓的(1-78)式中,并沒有使用反激輸出電壓最大值或峰值Up-的概念,而式使用的Up正好是正擊式輸出電壓的峰值,這是因為反激輸出電壓的最大值或峰值Up-計算比較復雜((1-68)式),并且峰值Up-的幅度不穩定,它會隨著輸出負載大小的變化而變化;而正擊式輸出電壓的峰值Up則不會隨著輸出負載大小的變化而變化。



