設計LED驅動方案,如果電流大于500 mA,通常使用開關穩壓器來驅動LED;若電流介于200 mA至500 mA之間,既可以采用開關穩壓器,也可以采用線性穩壓器;若電流低于200 mA,則可以采用線性穩壓器,或分立器件方案,如電阻驅動電路。
就低于200 mA的低電流LED照明應用的驅動方案而言,線性穩壓器或電阻驅動電路各有其優劣勢。例如,線性穩壓器結構比較簡單,易于設計,提供穩流及過流保護,具有外部電流設定點,且沒有電磁兼容性(EMC)問題,但功率耗散和成本較高,而能效較低。電阻型驅動器利用電阻這樣的簡單分立器件來限制LED串電流,是最本最低的LED驅動方案,同樣易于設計,且沒有EMC問題,但這種方案的突出問題是輸入電壓變化時電流隨之變化,從而引起亮度變化,不能保持恒定亮度。
從客戶需求角度出發,市場上許多客戶需要比線性穩壓器經濟、但在性能上又比電阻驅動電路高出許多的驅動方案。在這種背景下,安森美半導體運用正待批專利的自偏置晶體管(SBT)技術,結合自身超強的工藝控制能力,推出一種新的LED驅動方案——NSI45系列雙端線性恒流穩壓器(CCR)。
CCR的特性及應用優勢
安森美半導體的CCR可以表征為可變電阻。隨著CCR兩端電壓上升,內部阻抗也上升,從而維持接近穩流電流(Ireg)規格的電流。CCR還有負溫度系數,故在CCR耗散功率(溫度上升)時,內部阻抗增加,使電流減小。

圖1:CCR結合電阻型驅動器與線性穩壓器所長。
與電阻型驅動方案相比,安森美半導體的NSI45系列CCR具有突出的優勢,例如交流電壓增加時仍保持恒流、達到LED閾值電壓后LED導通無延遲、低電壓時LED保持明亮,以及保持LED免受電壓浪涌影響等。此外,得益于CCR的恒流特性, 客戶可以減少或消除源自不同供應商提供的不同LED的額外成本,降低系統總成本。
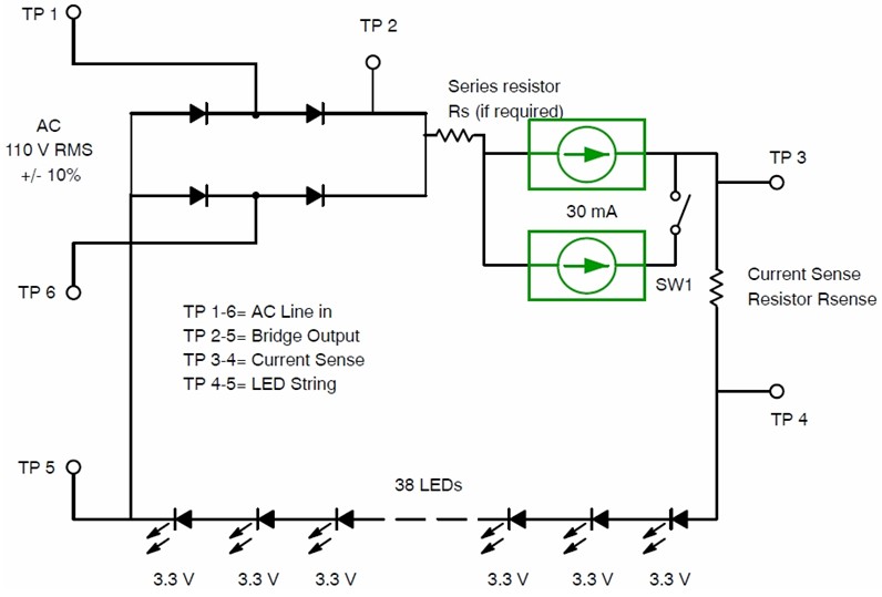
在各種低電流應用中,諸如裝飾照明、工作燈、室外照明、景觀照明、柜臺照明和LED平板照明等建筑物和通用照明中,也可以直接采用交流電源供電。交流市電輸入經過橋式整流后,只需要保證輸入電壓減去LED串總電壓后所剩下的電壓不超過CCR的最大陽極至陰極電壓(VAK)即可,顯示CCR非常易于用于設計。典型電路圖參見圖2。

圖2:基本LED交流應用原理圖。
CCR應用設計示例[page]
我們既可以采用CCR來開啟新的設計,也可以采用CCR來修改既有設計。本文將主要以新設計為例,探討采用SOT-223封裝的CCR器件在110 Vac及220 Vac均方根(RMS)輸入條件下在交流照明中的應用,簡述其設計過程。由于全波橋整流的脈沖工作,穩態電流為30 mA的CCR在交流應用中的均方根電流為22 mA。CCR在交流電路中的工作電壓范圍為1.8 V至45 V。LED導通時間取決于LED串的正向壓降(VF)。本應用的參考電路中,CCR導通時間約是峰值電壓導通時間的一半。因此,約有50%的時間內LED處于導通狀態。因此,LED均方根電流是穩流電流的約50%。
我們需要根據設計參數選定LED數量。設計參數是110 Vac RMS,±10%,HB LED (20 mA電流時VF為3.3 V)。先針對Vin=+10%(最大值)展開分析。
最大輸入電壓Vin (max)=110 V rms +10% = 120 V rms
整流峰值電壓Vpeak=120 V rms x 1.414 =170 V
LED串總正向壓降=170 V(peak Vin)-45 V(Vak max)=125 V (LED串VF )
故LED數量為:125 V/3.3 V=38 LED
再針對先針對Vin=-10%(最小值)展開分析。
測試最小輸入電壓Vin (min)=110 Vrms-10%=100 Vrms
整流峰值電壓Vpeak=100 Vrmsx1.414=141 V
CCR陽極至陰極電壓Vak=141 V-125 V=16 V
Vak范圍將隨著LED串中LED數量的變化而變化。另增3顆LED將使Vak范圍設定為6 V到35 V。增加的HB LED提供更高的流明輸出并減少CCR散熱。

圖3:CCR用于直接交流供電LED照明應用的電路圖。
交流均方根電壓經過全波整流后轉換為頻率為120 Hz的直流脈沖動。當這電壓超過LED串與橋整流器正向壓降之和時,CCR導通,控制電流,并將LED與峰值整流電壓隔離開來。
根據圖3,CCR的功率耗散計算公式如下:
P=(Vak rms)x(IREG*占空比)=(120 Vbr rms-(38x3.3 V LEDx0.707))x(30 mAx50%)
=31 V rms x 15 mA=465 mW
帶面積100平方毫米、重量1盎司的銅散熱片的SOT-223封裝工作溫度可達85℃。我們采用示波器測試了110 V±10%交流RMS輸入條件下38顆串聯LED應用電路板,穩流電流以100 Ω、精度1%的感測電阻來測量,相關跡線圖詳見參考設計方案(雙端線性恒流穩壓器CCR在交流供電低電流LED照明中的應用)。值得一提的是,CCR也可以并聯工作,從而增加提供給電路的穩流電流。當然,CCR電流越大,電路的功率耗散也隨之增加。
上述設計探討的是110 Vac設計條件。當然,CCR同樣也可以用于220 Vac設計,所要做的就是增加LED數量。LED數量的計算過程參照上述計算進行。
除了在新設計中使用CCR,也可以在既有設計中使用CCR,同樣非常簡單。我們假定這既有設計使用24顆LED(22 mA電流時VF為3.3 V),其它參數相同,即110 Vac RMS,±10%。為了將CCR保持在其工作電壓限制范圍(最大VAK為45 V)以內,我們需要在電路中增加一顆串聯降壓電阻(Rs),并計算其阻值。
同樣,最大輸入電壓為120 V rms,整流峰值電壓為170 V,而LED串正向壓降為24x3.3 V= 79.2 V。因此,串聯降壓電阻所要求的電壓降可用下述公式計算:
Vdrop, RS=Vpeak-(VF LEDs PK+VAK CCR pk+VRsense pk)
=170 V-(79.2 V+45 V+4V)=41.8 V
CCR峰值電流為34 mA;因此,Rs=41.8 V/0.034 A=1229 Ω。實際測試電路選擇的是1200 Ω的Rs。因此,功率耗散為VxI=1.42 W pk或1.0 W RMS。
使用1200 Ω串聯降壓電阻來在最小輸入電壓條件下測試。這時整流峰值電壓為100 Vrms x 1.414=142 V,故CCR Vak為141 V-(79.2 + 41.8 +4) =16 V,同樣保持在工作電壓限制范圍以內。
總結:
在建筑物及通用照明等可以采用交流供電的低電流LED照明應用中,安森美半導體的NSI45系列雙端線性恒流穩壓器與普通線性穩壓器相比成本更低,但性能上又比常見的電阻驅動電路方案高出許多,是一種高性價比及可靠的LED驅動方案,且設計過程非常簡單,既可用于新設計,也可非常方便地用于修改既有設計。
您可能感興趣的文章:


