- 現代控制系統對電網提出的要求
- 抑制高次諧波的主要指標與手段
- 加裝交流濾波裝置
- 利用多級逆變器的新拓撲
隨著電力電子(PE)技術的飛速發展,人們對電力系統供電的可靠性、安全性以及電能的質量,提出了越來越高的要求。然而,電網中存在包括化工、冶金、煤礦及家用電器等大量非線性負荷與沖擊負荷,尤其是大功率變流設備、晶閘管整流裝置、電弧爐等負荷,導致電網中暫態沖擊、無功功率、高次諧波及三相不平衡等問題日趨嚴重,對電網造成污染,增大能量損耗,劣化供電質量,不利于電力系統發、供、用電設備的安全、經濟運行。特別是高次諧波的干擾,已構成當前電網中影響電能質量的一大“公害”。因此,解決電力系統諧波抑制及無功補償、確保供電的質量,已成為大家關注的熱門課題。
高次諧波的危害及現代控制系統的要求
電力系統中三相交流發電機輸出的電壓,其波形基本為正弦波,即波形中近似無直流及高次諧波分量。就基波而言是對稱分量,三相向量之和為零,對外不形成電磁場。但諧波電流分量則因三相向量之和不為零,能形成較強的磁場,對電網產生各種有害的影響。
1對電能質量的影響
非線性負荷是諧波源,向電網注入整倍數于基波頻率的諧波電流分量。這些諧波電流在電網上產生諧波壓降,從而引起電網電壓和電流的波形畸變,導致電能質量的劣化。
2對配電網的影響
在有色金屬導體中,基波電流的分布可近似認為在整個截面內是均勻的。通過諧波電流時,由于集膚效應電流集中在導體表面薄層,增大了諧波電流回路的電阻,使導體的有效電阻增加,導致電網的功率損耗和能量損耗加大。高次諧波還可能使電力系統發生電壓諧振,從而在線路上引起高電壓,有可能擊穿線路設備的絕緣。
3對電力系統功率因數的影響
由于設備實際的功率因數小于設備在理想條件下的功率因數,故高次諧波增加了用電設備消耗的功率,降低了系統的功率因數。
4變頻調速系統的要求
變頻調速傳動系統的變頻器,因具有高效節能的特點而成為交流傳動中的重要組成部分,但變頻器的整流橋對電網來說是非線性負荷,其逆變器又大多采用PWM技術,當工作于開關模式并作高速切換時會產生大量的耦合性噪聲,EMI嚴重,致使變頻器運行于惡劣的電磁環境,其輸入和輸出側的電壓、電流含較多的高次諧波。故變頻器運行時既要防止外界干擾它,又要防止它干擾外界,即實現所謂的電磁兼容性(EMC)。
5現代交流電機控制系統的要求
隨著新的PE變換器拓撲結構的不斷涌現,要求的計算量和控制功能大幅度增加。隨著PE裝置高壓大容量化的發展,DSP(數字信號處理器)控制技術的應用將愈益廣泛。然而,PE系統和電機控制系統的電磁環境往往較為復雜,且因運行頻率很高,DSP的抗干擾能力通常比微處理器更弱。因此,提高DSP及周邊電路的抗干擾能力,對于保證系統的可靠運行密切相關,電網的“凈化”是現代PE系統及交流電機控制系統發展應用的重要前提。
抑制高次諧波的主要指標
1加裝交流濾波裝置(無源濾波器)
在配電系統中,傳統的諧波抑制和無功補償方法是將無源電力濾波器與需補償的非線性負荷并聯,為諧波提供一個低阻通路的同時,也提供負載所需的無功功率,這是最常見和實用的方法。該裝置利用電感和電容器貯能元件。根據諧振原理,通過濾波電路對需要消除的高次諧波進行調諧,使之發生諧振。以便其在諧振時得到阻抗最小的特性,有效消除指定次數的諧波,并在諧波源附件就地吸收諧波電流,從而不使其注入電網中去。該裝置的優點是投資少、效率高、結構簡單。運行可靠及維護方便,運行費用也低,不但起到濾波作用,還能進行無功補償。因此,無源濾波器是目前廣泛采用的抑制諧波及無功補償的重要手段。但該方法的補償特性受電網阻抗、頻率和運行工況的影響,只能起到對某幾次固定頻率諧波的抑制效果,而很可能對其它次諧波有放大作用,使濾波器過載甚至燒毀。另外,LC濾波電路會因系統阻抗參數變化而產生與系統并聯諧振問題,影響和后果嚴重。
[page]
2有源電力濾波器的應用
APF是一種新型可動態抑制諧波的PE裝置。其濾波方式為:先從補償對象中檢測出諧波電流,再利用可控的功率半導體器件(補償裝置)向電網注入與諧波源諧波分量(I或U)幅值相等、相位相反的諧波分量(I或U),使電源的總諧波為零,達到實時補償諧波的目的。經經驗證明,APF是抑制諧波和補償無功的理想和靈活的可行方案,下面予以重點介紹。
有源電力濾波器(APF)
APF是抑制電網諧波和補償無功功率、改善電網供電質量的最有效PE裝置。大多數APF拓撲均利用電壓源逆變器,并通常以電容器作為貯能器件如圖1所示。以適當選通可控的功率半導體開關,把直流電壓變換成交流電壓。雖然,為合成交流電壓能施加每半周的單脈沖,但對大部分應用中要求的動態性能,今天普遍采用的是脈寬調制(PWM)。

圖1電壓源逆變器的APF拓撲
為產生任意波形的交流電壓,將PWM技術應用到直流母線電壓斬波的電壓源逆變器上。現有很多能組成正弦波或任意波形的PWM技術,利用PWM技術,不僅允許控制逆變器作為電壓源,也可作為電流源以控制濾波器的交流輸出。圖2為所利用的最普通的三角載波(TC)技術,這是最簡單的線性控制方法,是將有固定幅值的和固定三角波的輸出電流誤差進行比較。迫使開關周期內的輸出電壓Va限定于Vcar的載波周期內,并等于調制波Varef的平均幅值。正弦調制波的合成電壓含正弦基波分量Va(f)和不希望的諧波分量,利用盡可能高的頻率載波,可使這些不想要的諧波成分減到最小,但這取決于半導體功率器件(IGBT、GTO或IGCT)的最大開關頻率。

圖2PWM載波技術(三角載波)
與傳統的無源LC濾波器相比,APF具有以下優點:
(1)對各次諧波和分數諧波均能有效抑制,且可提高功率因數;
(2)作為高次諧波電流源,不受系統阻抗的影響;
(3)無諧振現象,系統的結構、阻抗及頻率的變化不會影響補償效果;
(4)原理上比LC濾波器更優,起用1臺裝置就能完成各次諧波和基波無功的補償,還可抑制閃變,有1機多能的特點,性價比較合理;
(5)即使高次諧波的頻率變化也能準確地補償;
(6)由于裝置本身能完成輸出限制,故當高次諧波量增大時也不會過載。其主要特點是能對頻率和幅值都變化的諧波進行跟蹤補償,且補償特性不受系統阻抗的影響,具有自適應功能。同時對變化的無功功率有較好的預想補償效果。因此,APF是今后諧波抑制的首選方案。
APF大體上可分為并聯型和串聯型,串聯型適合補償電壓型諧波源負荷;并聯型只適合補償電流型諧波源負荷。此外還有并聯和串聯組合的并-串結構,而且在很多情況下還會與無源LC濾波器混合使用,以取得更好的綜合效果。
1并聯APF
圖3所示為并聯型APF產生的補償電流,利用了電流源逆變器三種不同的調制技術,分別為周期采樣(PS)、三角載波(TC)和滯環控制(HB)。PS法是在固定(采樣)頻率的方波時鐘轉移時,APF的功率晶體管開關動作。TC法利用一個三角波和高次諧波比較,從而得到不同時刻逆變器的開關狀態。此法的響應速度較快,但開關頻率不固定且較高,產生噪音和較大的開關損耗與高頻失真。HB法則是給定一個允許容差帶,只要高次諧波的大小超過這個容差帶,逆變器開關動作。但開關頻率、損耗及控制精度均受容差帶寬度的影響,容差帶寬越小,控制的精度越高。當然,開關頻率和開關損耗也加大了。通常,HB可獲得較好的控制性能,它兼有快速響應和簡單易行的特點而被廣泛使用。圖3顯示HB法是這一特定波形與應用中最好的方法,但在要求正弦波形時,TC法較優。
[page]

圖3不同調制技術下的電流波形
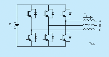
帶自控直流母線的并聯APF,有一類似于靜態補償器(STATCOM)的拓撲,STATCOM是用于電力系統中補償無功功率的。并聯的APF,以注入相等而反向的諧波電流對負荷電流的諧波進行補償。此時,并聯APF是作為注入諧波分量的電流源而工作的,諧波分量由負荷產生,但已移相180o。圖4為并聯APF的接線圖,圖5表示APF補償的工作原理。為能輸出圖5所示濾波器電流波形的IF,需要設置圖4中的控制電路,以便產生圖6所示的Vfab脈寬調制電壓圖。

圖4并聯型APF的拓撲

圖5產生的濾波器電流用以補償負荷電流諧波
圖5中:is為電網電流;iL為負荷電流;iF為補償電流;iL=基波分量iL1+高次諧波分量iLh+無功分量iLq。
圖5中各電流滿足關系式:is=iF+iL,如果由APF提供的補償電流iF=-iLh-iLq,則is=iL1,即電網電流只含基波分量,起到濾波作用。并聯型APF主要適用于電流型非線性負荷諧波電流的抵消以及補償無功和三相不平衡等。

圖6為補償負荷諧波的電流波形和PWM電壓
[page]
2串聯APF
串聯型APF是從1980年未引用于電網的,它主要作為電壓調節器及電網與非線性負荷之間的諧波隔離器而工作的。圖7為串聯APF的接線圖,通過匹配變壓器將APF串聯于電源和負荷之間,以消除電壓諧波、平衡或調正負荷的端電壓,可確保用戶供電的電壓質量,尤其適合于補償交流電源及小功率應用中的電壓不平衡與電壓的下陷。因不需能量貯備(蓄電池),元器件的總定額較小,對UPS更為經濟有效。串聯APF注入與電源電壓串聯的電壓分量,故可視為一可控的電壓源,補償負荷側的電壓下陷和上凸。但串聯型APF損耗較大,且各種保護電路也較復雜,故很少單獨使用。經常用它與無源LC濾波網絡組成混合型APF。
如圖7所示,無源LC濾波器與負荷并聯,串聯型APF的工作如同一臺諧波隔離器,迫使負荷電流諧波主要通過無源濾波器循環,而不經過配電系統。此方案的優點是:串聯APF的額定功率僅為負荷定額(KVA)的一小部分,通常為5%。但在電壓補償時,串聯APF的視在功率定額可能增加。圖8是串聯濾波器為補償負荷側電壓諧波的工作原理圖。串聯APF還可用于抗基波電壓的干擾。圖9所示為電源電壓偶然跌落時串聯APF所起的作用。如圖8所示,負荷電壓幾乎保持恒定,僅在電源電壓跌落的起始和最后瞬間,出現了很小的不穩定和振蕩。

圖7帶并聯無源濾波器的串聯型APF拓撲

圖8用于補償電壓干擾的濾波器電壓

圖9電源電壓干擾時,串聯APF的補償功能
3串-并型APF
串-并型APF為串聯APF與并聯APF之組合,圖10為其組合拓撲。并聯APF配置在負荷側,能用于補償負荷諧波,而串聯APF置于電源側,可起到諧波的阻隔過濾作用。該拓撲又稱為萬能APF或統一電能質量調節器(UPQC)。串聯部分補償電源電壓諧波及電壓不平衡,作為諧波的閉鎖過濾器,并抑制電力系統的振蕩。并聯部分補償負荷電流諧波、無功功率以及負荷電流的不平衡。此外,它能調節直流線路的電容電壓。由并聯部分提供或吸收的功率是串聯補償器所要求的功率及為補償損耗需要的功率。該類APF的主要問題是控制復雜、造價高。

圖10統一電能質量調節器(UPQC)
4利用多級逆變器的新拓撲
一直處于研究階段的多級逆變器,最近被用于APF拓撲中,圖11為配有三級逆變器的并聯APF,今天在大多數的逆變器應用領域,三級逆變器已愈益普及,例如功率因數補償器。多級變換器的優點是能降低APF產生的諧波含量。因與普通變頻器比較,能輸出更多(>2級)的電壓,這一特點有利于減少濾波器本身產生的諧波。另一優點是能減少半導體電壓或電流的定額,以及減少所需的開關頻率。

圖11采用3級逆變器的并聯型APF
[page]
多級逆變器應能建立多級的電壓,故輸出電壓的質量更佳。基于多段連接的“H”型變換器,并增配有3級不同的直流電壓源,這是產生很多級電壓的最新方法。利用該技術,僅需很少幾個串聯變換器即能獲得很好的電壓波形。在脈寬調制的同時,又能調幅。圖12所示,僅以每相4個“H”變換器(4段逆變器)就可產生81級電壓的調幅,故可實現“無諧波”的APF特性。圖13為在實驗室完成的“4段81級”并聯型有源電力濾波器。

圖12能調幅的“4段81級”逆變器(單相)

圖13并聯型有源電力濾波器
采用有源電力濾波器(APF)的抗干擾技術對抑制電力系統高次諧波,改善供電質量極其重要。文中介紹了采用有源電力濾波器(APF)的抗干擾技術,列舉了各種新穎實用的拓撲結構。隨著電力電子(PE)技術的飛速發展,這項技術仍在發展之中。



