中心議題:
- 能量收集系統及技術
- 新型能量收集器應用方案
解決方案:
- 新型 LTC3588-1 壓電能量收集電源
許多低功率工業傳感器和控制器正在逐步轉而采用可替代能源作為主要或輔助的供電方式。理想的狀況是:此類收集的能量將完全免除增設有線電源或電池的需要。利用現成的物理電源 (例如:溫差裝置 [熱電發生器或熱電堆]、機械振動 [壓電或機電裝置] 和光 [光伏器件]) 來產生電力的換能器正在成為諸多應用的適用電源。眾多的無線傳感器、遠程監視器和其他低功率應用正逐漸發展成為只使用收集能量和接近“零”功率 (常被有些人稱為“毫微功率”) 的設備。
雖然“能量收集”自 2000 年初就出現了 (當時為其萌芽期),但只是憑借近期的技術發展才將其推進至商業化階段。簡而言之,2010 年我們處在一個轉折點并將迎來其“成長”階段。運用能量收集技術的樓宇自動化傳感器應用已經在歐洲得到推廣,這表明其增長階段也許已經開始。
現有的應用證實了能量收集的商業可行性
盡管能量收集的概念廣為人知已有多年,但在某種真實環境中實現一個系統卻很麻煩、復雜和昂貴。不過,有些市場已經采用了能量收集方法,其中包括運輸基礎設施、無線醫療設備、輪胎壓力檢測,而迄今為止最大的市場便是樓宇自動化。就樓宇自動化而言,諸如人體感應傳感器、溫度自動調節器和光開關等系統能夠免除通常所需的電源或控制線路,而代之以一種機械或能量收集系統。
同樣,運用能量收集技術的無線網絡能夠將一幢建筑物內任意數目的傳感器連接起來,以通過在建筑物內無人的情況下切斷非必要區域的供電來降低采暖、通風和空調 (HVAC) 以及照明成本。此外,能量收集電子線路的成本常常低于使用電源線路的成本,因此,選用收集電能技術顯然會有經濟上的收益。
典型的能量采集系統或無線傳感器節點 (WSN) (由圖 1 所示的 4 個主要的電路系統模塊來表示) 通常包括一種免費能源,比如:連接在某個振動機械源 (如 HVAC 管道或窗玻璃) 上的壓電換能器。這些小型壓電器件能夠將很小的振動或應變差轉換為電能。該電能隨后可由一個能量收集電路 (圖 1 中的第二個模塊) 進行轉換并被變更為一種可用的形式,用于給下游電路供電。這些下游電子線路通常將包括某種類型的傳感器、模數轉換器和一個超低功率微控制器 (圖 1 中的第三個模塊)。上述元件可以獲取該收集能量 (如今以電流的形式存在) 并喚醒一個傳感器,以獲得一個讀數或測量結果,然后使該數據可通過一個超低功率無線收發器 (由圖 1 所示電路鏈中的第四個模塊來表示) 進行傳輸。
免費能源 能量收集器/管理器 傳感器、A/D、微控制器 無線發送器 / 接收器
圖 1:典型能量采集系統的四個主要模塊
有幾種因素影響能量收集系統或 WSN 的功耗特性。表 1 概要羅列了這些因素。
表 1:影響無線傳感器節點功耗的因素
[page]
當然,由能量收集源所提供的能量取決于它處于操作狀態的時間。因此,比較環境采集能量源的主要度量標準是功率密度,而不是能量密度。能量收集通常遇到的是低、易變和不可預知的可用功率等級,因而采用了一種與能量收集器和一個輔助電能儲存器相連的混合結構。能量收集器因其不受限制的能量供應和功率方面的欠缺而成為系統的能量源。輔助電能儲存器 (一個電池或一個電容器) 可產生較高的功率,但儲存的能量較少,它在需要的時候供電,而在除此之外的其他情況下則定期從收集器接收電荷。
最先進和現成可用的能量收集技術 (例如:振動能量收集和室內光生伏打技術) 在典型工作條件下能產生毫瓦量級的功率。雖然這么低的功率可能看似很有限,但是若干年來收集組件的工作可以說明,無論就能量供應還是就所提供的每能量單位成本而言,這種技術大體上與長壽命的主電池相當。除此之外,運用能量收集的系統一般能在電能耗盡之后重新充電,而這一點主電池供電的系統是做不到的。
正如已經討論的那樣,環境能量源包括光、熱差、振動波束、發射的 RF 信號,或者幾乎任何其他可通過換能器產生電荷的能量源。下面的表 2 列出了從不同的能量源可產生多少能量。
表 2:能量源及其所能產生的能量值
| 能量源 | 所產生的典型能量級別 | 典型應用 |
| 小型太陽能電池板 | 幾百mW/cm2 (直射陽光) | 手持式電子設備 |
| 小型太陽能電池板 | 幾百µW/cm2 (非直射陽光) | 遠程無線傳感器 |
| 塞貝克 (Seebeck) 器件 (用于將熱能轉換為電能) |
幾十µW/cm2 (體熱) | 遠程無線傳感器 |
| 塞貝克器件 (續) | 幾十mW/cm2 (高爐排氣煙囪) | 遠程無線執行器 |
| 壓電器件 (通過器件的擠壓或撓曲來產生能量) | 幾百µW/cm2 | 手持式電子設備或遠程無線執行器 |
| 來自天線的射頻 (RF) 能量 | 幾百pW/cm2 | 遠程無線傳感器 |
要成功設計一款完全獨立的無線傳感器系統,需要穩定供貨的節電型微控制器和換能器,并要求這些器件最低限度地消耗來自低能量環境的電能。圖 1 中,每個電路系統模塊 (能量源本身或許是個例外) 都特有一組迄今為止有損于其商業可行性的約束條件。低成本和低功率傳感器及微控制器面市已有幾年的時間;然而,超低功率收發器只是最近才剛剛提供商用產品。不過,該鏈路中處于落后狀態的則一直是能量收集器。
現有的能量收集器模塊實現方案往往采用低性能和復雜的分立型結構,通常包括 30 個或更多的組件。此類設計轉換效率低,靜態電流高。這兩個不足之處均導致最終系統的性能受損。低轉換效率將增加系統上電所需的時間,反過來又延長了從獲取一個傳感器讀數至傳輸該數據的時間間隔。高靜態電流則對能量收集源的輸出能達到的最低值有所限制,因為它必須首先提供自己工作所需的電流,多出來的功率才能提供給輸出。
新型壓電能量收集器
迄今為止,業界所缺少的一直是能收集和管理來自振動源或應變源的壓電能量、并具有低損耗全波橋式整流器的高集成度、高效率 DC/DC 降壓型轉換器。不過,凌力爾特推出的新型 LTC3588-1 壓電能量收集電源極大地簡化了從此類能源收集剩余能量的工作。
LTC3588-1 是一款完整的能量收集解決方案,專為包括壓電式換能器在內的低能量源而優化。壓電器件通過器件的擠壓或撓曲產生能量。視其尺寸和構造的不同,這些壓電元件能產生幾百 μW/cm2 的功率。

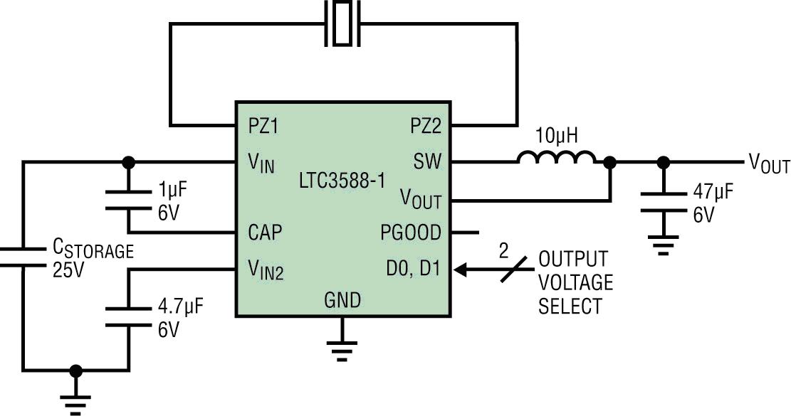
圖 2:LTC3588 的典型應用原理圖
應該指出的是:壓電效應是可逆的,即呈現直接壓電效應 (一加上壓力就產生電位) 的材料也呈現反向壓電效應 (一加上電壓就產生壓力和 / 或應力,即撓曲)。
LTC3588-1 在 2.7V 至 20V 的輸入電壓范圍內工作,從而非常適用于多種壓電傳感器及其他的高輸出阻抗能量源。其高效率降壓型 DC/DC 轉換器可提供高達 100mA 的連續輸出電流或者甚至更高的脈沖負載。其輸出可以設定為 4 種固定電壓之一 (1.8V、2.5V、3.3V 或 3.6V),以向無線發送器或傳感器供電。輸出處于穩定狀態 (無負載) 時,靜態電流僅為 950nA,從而最大限度地提高了總體效率。
LTC3588-1 專為直接與壓電或可替代高阻抗 AC 電源連接、給電壓波形整流以及在外部存儲電容器中存儲收集到的能量而設計,同時通過一個內部并聯穩壓器消耗過多的功率。具 1V ~ 1.4V 遲滯窗口的超低靜態電流 (450nA) 欠壓閉鎖 (UVLO) 模式使電荷能在存儲電容器上積累,直到降壓型轉換器能高效率地將部分存儲的電荷傳送至輸出為止。
結論
由于擁有模擬開關模式電源設計專長的人員在全球都處于短缺的局面,因此要想設計出如圖 1 所示的高效能量收集系統一直是很困難的事。不過,隨著具有集成型低損耗全波橋式整流器的壓電能量收集電源LTC3588-1的推出,這種狀況即將發生改變。這款革命性的器件能夠從幾乎所有的機械振動源或應變源提取能量。此外,憑借其全面的功能組合以及設計的簡易性,該器件還極大地簡化了能量收集鏈中難以完成的功率轉換設計。對于系統設計師而言這是個好消息,因為此類“有效振動”可用于為其能量收集系統供電,而無須去應付傳統的配置難題。



