- 有源電池平衡技術優勢的探討
- 解決電池狀態不匹配問題
- 采用電池平衡技術來解決
- 利用無源電池平衡與有源電池平衡技術
一些消費類應用要求單鋰離子電池(如手機),或者需要三節串聯和兩節并聯電池(如筆記本電腦)。這就引發了對更高功率、更高容量以及更加穩健電池組的需求。串聯安裝電池可以提高電壓,而并聯安裝的電池則可以增加容量。這些電池組數量不一,從筆記本電腦使用的六節電池到電動汽車中使用的數百節電池,這給電池設計人員帶來許多新的設計困難。
這些大容量電池需要先進的管理來確保獲得高品質的設計。我們必須考慮合適的溫度、電壓和電流測量。隨著鋰離子電池組越來越大型,要求更多地關注散熱管理、電池組可靠性、電池使用壽命和電池平衡。實際上,隨著電池組中所需電池數量的增加,電池單元之間的溫度、容量和串聯阻抗差異成為一個重要問題。本文將主要討論這些差異帶來的影響,以及如何在電池設計中控制這些差異。
問題:電池狀態不匹配
電池的作用是為其主機存儲和提供能量。我們想盡可能多地向(從)電池組存儲和獲取能量。妨礙多節電池組完成這一工作的主要方面是電池阻抗。讓我們來看一看其是如何影響向電池主機供電的。
在鋰離子電池組中,存在一些允許每節串聯電池達到的預定義電壓最小值和最大值。這是一種由電池組中IC控制的安全特性,請參見圖1A。只要每一節電池均保持在過壓和欠壓斷開范圍之間,則該電池組便能夠放電和充電。如果一節電池達到上述任何一個閾值,則整個電池組便會關閉(欠壓),從而讓主機本應可用的電池組處于無法充電狀態(請參見圖1B)。另外,它不允許充電器向電池組充入應有的大量能量(請參見圖1C)(過壓)。

電池不平衡的原因有很多:
* 非均勻熱應力
* 阻抗變量
* 低電池容量匹配
* 化學差別
[page]

解決方案:電池平衡技術
由于對能量供給的影響,以及串聯電池應用中存在鋰離子電池過充電的危險性,必須使用電池平衡技術來對失衡進行校正。共有兩類電池平衡技術:無源電池平衡技術和有源電池平衡技術。
無源電池平衡技術
被稱為“電阻泄漏”平衡的無源電池平衡方法使用一條簡單的電池放電路徑,在所有電池電壓相等以前一直為高壓電池放電。除其他電池管理功能以外,許多器件都具有電池平衡功能。
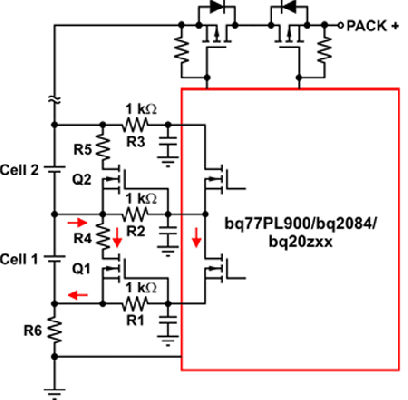
諸如bq77PL900等鋰離子電池組保護器主要用于許多無繩電池供電設備、助力自行車和輕便摩托車、不間斷電源以及醫療設備。其電路主要起到一個獨立電池保護系統的作用,使用5~10節串聯電池。除通過I2C端口控制的許多電池管理功能以外,還可將電池電壓同可編程閾值對比以便決定是否需要進行電池平衡。如果任何特定電池達到該閾值,則充電停止,并激活一條內部旁路。當高壓電池降至恢復極限值時,電池平衡停止,而繼續充電。

圖3
[page]

圖4
電池平衡算法只使用電壓發散作為平衡標準,具有過平衡(或欠平衡)的缺點,這是由于存在阻抗失衡影響(請參見圖3和圖4)。問題是,電池阻抗還會在充電期間引起電壓差異(VDiff_Start和VDiff_End)。簡單的電壓電池平衡并未區分是電量失衡還是阻抗失衡。因此,這種平衡不能保證完全充電后所有電池均獲得100%的電量。
一種解決方案是使用電池電量監測計,例如:bq2084等。它們都擁有改進的電壓平衡技術。由于電池間的阻抗差異會誤導算法,因此它只在充電周期末端附近進行平衡。這種方法最小化了阻抗差異的影響,這是因為當充電電流逐漸減弱至終止閾值時IRBAT壓降也變得更小。另外,這種IC還使平衡判斷基于所有電池電壓,所以它是一種更加高效的實施方法。盡管有了許多改進,但是單獨依靠電壓電平的這種需求將平衡操作限制在高充電狀態(SOC)區域,并且僅在充電時工作。
另一個例子是bq20zxx電池電量監測計產品系列,其使用阻抗追蹤平衡方法。這種電量計不再嘗試最小化電壓差異錯誤的影響,而是計算每節電池達到完全充電狀態所需要的電荷 (QNEED),見圖5。這種平衡算法,在充電期間開啟電池平衡FET,以提供要求的QNEED。這類電池電量監測計可輕松地實施基于QNEED的電池平衡方案,這是由于總電量和SOC在監測功能中均較穩定地處于可用狀態。因為電池平衡并未讓電池阻抗差異失真,所以它可以獨立于電池充電、放電甚至閑置狀態工作。更為重要的是,它獲得了最佳的平衡精度。

圖5:基于QNEED的電池平衡。
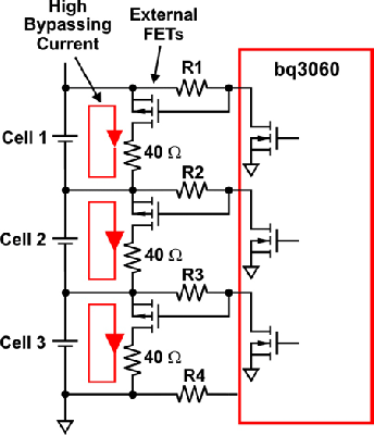
由于使用集成FET解決方案的無源電池平衡技術的平衡能力有限,因此電池差異或失衡率可能超過電池平衡。另外,由于存在低旁路電流,它可能會占用幾個周期來對一般失衡進行校正。利用現有組件設計一些外部旁路電路可以增強電池平衡(請參見圖6和圖7)。在圖6中,當決定對某節電池進行平衡時內部平衡MOSFET首先開啟。這便形成一條低電流通路,其通過連接電池端(電池1和電池2)及IC引腳的外部濾波器電阻。當內部FET柵-源電壓在電阻中形成,該外部MOSFET便被開啟。其缺點是,鄰近電池無法快速、同時獲得平衡。例如,如果鄰近內部FET被開啟,則Q2不能被開啟,因為沒有通過R2的電流。

圖6

圖7
圖7顯示了無源電池平衡的最新例子。它是一款低成本、單芯片電池電量監測計解決方案。與前面所述的電池電量監測計解決方案不同,這種IC沒有內部電池平衡,但需要一個類似的外部旁路電路來完成平衡。然而,由于該平衡實現電路是一個IC內部的開路漏極,因此它可以同時平衡包括鄰近電池在內的數節電池。這種平衡電路使用一種改進的電壓算法,正如圖6所示電路。但是,圖7中的外部FET驅動器描述了更為有效的電池平衡方法。
[page]
有源電池平衡
由于高能量電池中100%的多余能量都以熱的形式耗散掉了,因此無源平衡并非是放電期間的首選方法。有源電池平衡使用電容或電感電荷穿梭來轉移電池之間的電荷,這是一種極為高效的方法。這是因為,能量被轉至需要的地方,而非被放掉。這樣做的代價是會增加更多的部件和成本。
獲得專利的bq78PL114 PowerPump電池平衡技術是使用電感電荷傳輸的有源電池平衡的最新例子。它使用一對MOSFET(N通道和P通道)以及一個功率電感來實現在兩個鄰近電池之間建立電荷轉移電路。
電池組設計人員設定串聯電池之間的失衡閾值。如果IC測量到超出該閾值的失衡,它就會啟用PowerPump。圖8顯示的是使用了兩個MOSFET(Q1和Q2)及一個功率電感的降壓升壓電路簡圖。頂部電池(V3)需要將能量轉移至低位電池(V2),P3S信號(工作在約200kHz和30%占空比下)觸發該能量轉移,隨后能量通過Q1流至電感。當P3S信號重置時,Q1關閉,電感能量水平處在最高水平。因為電感電流必須不斷流動,因此Q2的體二極管被正向偏置,從而完成向V2位置電池的電荷轉移。需要注意的是,由于其串聯電阻較低,存儲于該電感中的能量只有輕微的損耗。

圖8:使用PowerPump技術的電池平衡。
假定串聯電池的長度和容量不定,則轉移電荷時有一些限制。一種考慮是在我們不再獲得能量供給優化之前,我們能將能量移至多遠?換句話說,在轉換器的低效率超過平衡電池的諸多好處以前,我們能將電荷移至多遠?在我們的測試中使用85%的估計效率,PowerPump 僅將能量轉移至不到6節電池遠的地方。但重要的是,忽略效率的情況下,在整個電池組可能達到完全平衡以前必須取得“區域平衡”。
除了這些明顯的優點以外,PowerPump電池平衡技術的好處是平衡可能忽略單個電池電壓。這意味著,如果你決定在兩節電池之間轉移電荷,它可以在任何電池工作模式序列(充電、放電和重置)期間進行。即使提供電荷的電池電壓比接收電荷的電池電壓低(例如,充電或放電時較低的電池電阻引起的低電壓)也可以完成轉移。相比“電阻泄漏”平衡,能量的熱損耗較小。
下列為三種可選平衡算法:
* 端壓(TV)抽取
* 開路電壓(OCV)抽取
* 充電狀態(SOC)抽取(預平衡)
TV抽取就像前面介紹的電壓無源電池平衡。正如圖4所示,充電期間的TV平衡并不總是產生一種趨向放電結束的平衡電量。這是由于我們前面提到過的電池阻抗不匹配。OCV抽取根據電池組電流和電池阻抗測量結果,通過估計OCV來補償阻抗差異。

圖9
[page]

圖10
SOC抽取以一種同阻抗追蹤器件類似的方式工作,它計算出每一節電池的精確電荷電平,并在電池之間轉移能量,這樣電池電量在充電結束時(EOC)就實現了平衡(請參見圖9*)。觀察放電OCV圖(見圖10*),我們將每一節電池預平衡到一個反映其電量的失調電壓。幾個百分點的電量差異會使該放電曲線中下方出現巨大差異。如果我們已知1%到2%的電量,我們便可以在放電結束時擁有極為接近的匹配性。這就是在充電完成和放電結束時,你想要利用有源平衡技術有效地讓電池獲得最佳平衡的區域。
相比傳統的無源平衡技術,PowerPump技術可以更好地校正電池失衡,這是由于可以通過改變組件值來控制更高的平衡電流。
筆記本電腦中,有效的平衡電流通常為25到50mA,其為內部旁路平衡的12到20倍。利用這個優勢,有源電池平衡可以在一個周期(95%時間)內對電量失衡進行校正。
在更大的電容式電池中,PowerPump技術的結果差異甚至更大。需要考慮到使用電壓無源平衡時一個電池組能夠獲得平衡的時間長短。唯一的電池能量電平即為一個充電周期放出部分中出現的正平衡。因此,大容量電池組整個壽命中,只有百分之幾的時間允許平衡。所以,許多電池組設計人員都選擇1安培電流平衡,甚至是10安培以上的電流。這就產生許多散熱問題,以及大型FET的成本問題。倘若利用PowerPump可獲得真正的不間斷平衡可能性,那么就可以最小化這些設計障礙。
外部組件的選擇決定你平衡電流的多少。峰值電感電流由電池電壓、電感和接通時間決定。整個周期來自電源電池的平均電流等于0.5x(峰值電流)×占空比。在正常抽取模式下,占空比為33%。例如:使用一個15uH的建議電感,并假設峰值電流約為460mA,則我們得到來自電源電池的平均電流為75mA。這個75mA的電流可長時間出現。這便讓整個系統維持在平衡狀態下,因此在充電完成和放電結束時我們交換了最多的能量。
問題不斷出現,“那么我需要多少平衡電流呢?”沒有人喜歡聽這個問題的答案,“這取決于幾方面!”首先,要知道一定時間下你期望的失衡漏電量。如果你的系統1小時20Ahr電池組放電后出現5%的失衡,則你就需要轉移大量的能量。PowerPump FET和電感需要相應地安排大小尺寸。另外,也可以使用最新固件的SuperPump選項。它讓你能夠擁有更大的占空比,以便在正常模式期間當某些測量暫停時移動能量。如前所述,在確定可以獲得多少平衡時,電池質量和散熱控制是重要的前提因素。
有源電池平衡的一個安全方面好處是,我們可以跟蹤一節電池使用的時間。我們可以跟蹤每節電池的凈抽取值,該凈值定義為抽入電池的正數值,以及從電池抽取的負數值。如果一節電池的凈值過高,那么就會導致從其他電池接收太多的能量,則表明這是一塊壞電池。這是 SOH計算的一個組成部分,同其他參數類似,例如:電池阻抗和完全充電電量等。
本文小結
側重于安全性和使用壽命的一些新興電池技術,通常都擁有先進的電池平衡和有效的散熱管理。由于新的電池平衡技術可跟蹤單個電池需要的平衡,因此電池組的使用壽命和總體安全性都已提高。在每個周期都對電池進行平衡,可避免電池的不當使用,而它通常是導致更多失衡和早期電池老化的原因。電池化學成份、結構和應用越來越多樣化,要求電池組設計人員也要技術升級。







