- 探究動力電池組測試平臺設計
- 理解數據采集系統硬件結構
- 實現電池容量和能量的高效利用提供數據支持
1 前言
作為電動汽車的能量存儲部件, 電池的功率密度、儲電能力、安全性等不僅決定著電動車的行駛里程和行駛速度,更關系到電動車的使用壽命及市場前景。目前, 電池在實際使用中普遍存在的問題是電荷量不足, 一次充電行駛里程難以滿足實用要求。
另外, 用可測得的電池參數對電池荷電狀態( SOC,S tate- O f- Charge)作出準確、可靠的估計,也一直是電動汽車和電池研究人員關注并投入大量精力的研究課題。因此有必要建立動力電池測試平臺,利用該平臺對電池相關參數進行全面、精確的測量, 實現電池性能試驗, 工況模擬和算法研究, 確定最合理的充放電方式及更為精確的SOC 估算方法, 從而合理的分配和使用電池有限的能量, 盡可能延長電池的使用壽命, 進一步降低電動汽車的整車成本。與以往的電池測試系統相比,該測試平臺可全面監測電池相關參數, 并加入充放電能量的計量, 可從能量的角度對電池的性能進行描述, 從能量狀態( SOE,Sta te- O f- Energy)的角度對電池的使用效率進行分析。系統硬件電路具有電池過電壓、欠電壓保護及均衡功能,可對單體電池進行監視和保護, 減小電池間的不一致性。在充放電設備與上位機之間建立通信, 控制充電機按照編程指令改變控制策略和輸出電流,檢驗充放電電流大小、方式和環境條件對電池的電荷量及使用壽命的影響。
2 測試平臺結構
測試平臺的結構如圖1所示,以單片機為核心的電池數據采集系統直接對電池組的單體電壓、總電壓、溫度、電流、充放電容量、充放電能量等信息進行精確測量,并通過RS232總線將數據發送到上位機。由微型計算機構成的上位機監控系統, 實時顯示并記錄接收到的測試數據, 對數據進行分析,監控測試系統工作狀態。另外可根據具體的實驗要求,控制充放電設備按照編程指令輸出電流,模擬電池在某些特定條件下的使用情況。充放電設備實現電池組的充放電, 完成電池和電網之間能量的雙向流動, 與監控PC 機通過CAN 通信, 可接收監控PC機的編程控制指令。文中主要完成數據采集系統、上位機監控系統的設計并實現各部分之間的實時通訊。

圖1 平臺結構圖
3 系統硬件設計
數據采集系統硬件結構如圖2所示, 主要包括以下幾個模塊:微控制器、電源模塊、電流及安時檢測模塊、瓦時檢測模塊、電壓檢測模塊以及通信接口電路。

圖2 硬件結構圖
微控制器采用的是MC9S12DT128B 芯片, 該芯片具有串行接口、CAN 控制器等豐富的外圍資源,只需加入電平轉換電路即可實現與上位機之間的232通信。本設計使用數字溫度傳感器DS18B20來實現溫度檢測,它支持1- w ire總線協議, 可利用單片機的一個端口來讀取多個檢測點的數字化溫度信息, 擴展方便。
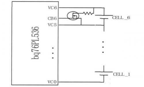
電壓檢測采用bq76PL536 芯片, 它同時檢測3到6節電池, 測量的單只電池的電壓范圍為1~ 5V。
該芯片由所測電池直接供電, 供電電壓范圍為5. 5~ 30V。為了保證芯片在所測電池少于3 節時仍能正常工作, 電路中外接9V 的直流電源。在電池總電壓小于9V 時, 采用外部供電。該芯片具有電池過電壓, 欠電壓保護功能,電壓閾值及檢測延遲時間這些保護參數可通過程序寫入。當某節電池的實際情況超過設定的安全閾值范圍時, 芯片中電池故障寄存器相應字節置位,從而通知充電機動作, 防止電池過充或過放。在芯片外圍, 有MOS管與電阻構成的均衡電路,芯片的CBx管腳可以控制MOS管的導通與關斷, 如圖3所示。通過軟件設置, 當程序判斷出某節電池需要均衡時, 該電池對應的CBx 管腳被置位, 這時與CBx 相連接的MOS管導通, 均衡電路啟動。

圖3 均衡電路
4 系統軟件設計
數據采集系統軟件分為主程序、電流檢測及安時檢測、瓦時檢測、電壓檢測、溫度檢測以及RS232程序。系統上電后,主程序開始運行。首先進行系統初始化, 之后進入主循環, 然后循環調用其他子程序模塊, 完成各個參數的采集、通訊等功能。
上位機監控軟件在VC + + 6. 0 編程環境下完成, 整個應用程序采用模塊化和結構化模式: 各個程序模塊分別設計,然后用最小的接口組合起來, 控制明確地從一個程序模塊轉移到下一個模塊。該監控系統包括:
數據顯示: 實時顯示電池數據采集系統所檢測到的電池總電壓、單體電壓、電流、充放電總容量、充放電總能量、溫度等信息,將接收到的數據按時間先后順序存儲到access形式的數據庫中。讀取已存儲的access庫, 以列表的形式在界面上顯示數據。
參數設置及校準: 在數據采集系統上電后, 通過RS232接口和PC 之間的通訊, 根據事先設定的通信協議, 對電池的信息進行修改,或對芯片進行軟件校準等。
[page]
數據處理: 分析收到的電壓、溫度數據, 計算出最高、最低電壓/溫度, 及其位置信息, 并實時顯示。
另外數據采集系統已實現電池容量變化的實時計算, 但實際應用場合, 通過電流積分來進行SOC 估算存在累計誤差,所以需要定期修正。在上位機程序中, 有預留的模塊添加用于SOC 修正的代碼。在進行SOC 估算的實驗時,可根據實時收到的電池相關參數, 結合程序事先設置好的修正方法, 實現SOC在線估算。
充放電設備控制: 在上位機程序中有預留的模塊用于添加充放電設備的控制程序,使電池的電壓、溫度、充放電容量、充放電能量等相關參數都能參與電池的充放電控制和管理。在電池充放電過程中,上位機分析收到的電池狀態和信息,同時判斷電池組中所有電池是否發生過充電、過放電或過溫, 由于充放電設備與上位機之間存在CAN 通信,會及時按照上位機的程序指令動作。這種控制模式可以方便的用于電池組充放電策略的研究,上位機按照預先設定好的控制策略計算出充放電設備的電壓、電流控制值,并發送給充放電設備使其動作。同時這種控制模式也可以模擬電動汽車的實際運行情況, 提高了充放電設備的智能化水平,簡化了充電工作人員設置充電參數等繁瑣的工作, 使得充電機具有了更好的適應性, 充電機只需要得到上位機提供的指令就能實現安全充電。
5 系統測試
為了測試該系統, 使用3. 7V /80Ah的錳酸鋰電池做恒流恒壓充電試驗。在上位機程序中設置如下參數: 恒流階段充電電流80A, 充電截止電壓4. 2V,恒壓階段截止電流0. 1A, 得到的充電曲線如圖4所示。

圖4 恒流恒壓充電曲線
從圖中可以看到, 在恒流充電時, 電流值保持恒定, 電壓穩步上升, 達到截止電壓后, 電池開始恒壓充電, 電壓值基本穩定,電流值逐漸下降至截止電流, 達到了控制目的。在整個測試過程中, 充電機能夠及時準確的按照上位機的編程指令動作, 系統工作穩定,實時性好, 采樣精度高, 其中電壓測量相對誤差最大值為0. 5%, 電流測量平均誤差為0. 41%,溫度測量誤差為0. 5%, 安時、瓦時計量誤差均在0. 5% 以內, 符合設計要求。6 結論
該測試平臺能夠準確反應電池狀態的變化, 為最大限度的發揮電池性能, 提高電池使用效率, 實現電池容量和能量的高效利用提供數據支持,達到了設計要求。上位機監控程序模塊化, 結構化的優點,保證了系統良好的功能擴展性,為動力電池的性能測試、算法驗證、充電方法研究提供了可靠的平臺,為電動汽車的推廣使用奠定了基礎。



