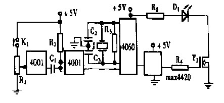
- 光電開關的發光電路
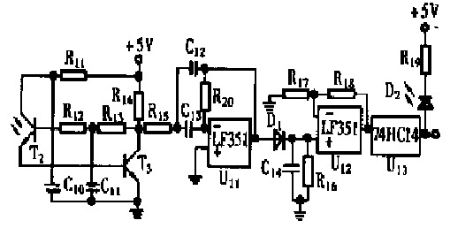
- 帶自動增益控制的光電開關接收電路
光電開關屬于無接觸測量傳感器,其檢測距離范圍比較寬,在計數、測距和行程控制等許多測控系統中得到廣泛應用。但是,光電傳感器的輸出信號與發光管的強度有關,與發光管和接收管的距離有關,與外來干擾光也有關。因此使用每一個光電開關時,必須首先調整接收電路的靈敏度,才能保證光電開關工作于最佳狀態。
本文介紹了一種高可靠性的光電開關電路,帶有穩頻調制光以抗各種干擾,具有大功率驅動電路和光電三極管的自動增益控制特性,檢測電路的輸出級帶有放大和施密特遲滯特性,確保整機的高抗干擾能力。
本電路由發光電路和光電接收電路兩部分組成。它具有抗外光干擾、靈敏度可以不用人工調整,工作穩定可靠等優點,在反射式或對射式光電開關中均可應用。
1 發光電路
圖1 給出了一個具有大功率輸出的發光二極管驅動電路,它具有發射15kHz 調制光的能力。

圖1 發光二極管的大功率驅動器
為了穩定被調制光信號的頻率,電路中使用了分頻器CD4060 。它帶有一個外接晶體振蕩器,內部有多級分頻器。對于1M 晶振來說,經過4 060 的六次分頻,可以得到頻率穩定的151625kHz 的方波,再通過功率場效應管的電流放大,就可以同時驅動上百個發光二極管同時發光。
2 帶自動增益控制的光電開關接收電路
圖2 給出了光電三極管的檢測電路。紅外光電三極管T2 帶有基極引出腳。因此可以對其進行靈敏度控制。它射極輸出的光電流被放大管T3 反相之后,反饋到光電三極管的基極。由于反饋回路中有由R13和C11組成的低通濾波器,因此這個反饋是對于直流工作點的負反饋,也使得交流電壓增益得到控制,這就是自動增益控制(AGC) 電路。

圖2 光電接收電路
圖2 中的U11 組成二階帶通濾波器, 可以濾去151625kHz 以外的信號。該級增益為1 , Q 值為5 ,截止頻率、中心頻率以及濾波特性容易調整。二極管D1 和電容C14組成檢波電路,可以從151625kHz 信號上解調出包絡信號。上述兩部分電路可以濾除陽光、日光燈、白熾燈等干擾源的作用。
圖2 中的輸出電路由放大級U12和施密特電路U13組成。U13的遲滯作用可以消除光電開關的臨界抖動現象,避免光電開關的誤翻現象。最后,光電開關的輸出狀態由發光二極管D2顯示。
[page]
3 實驗數據
表1 為實驗測得的數據。發光管和接收管之間正面相對, 兩者之間無聚焦光學元件。用有無遮光對整機主要參數進行測試。由表可知,兩管表面之間的相對距離在015~170mm范圍內,無需調整靈敏度都能正常工作。

表1 光電開關整機實驗數據
4 結束語
本文所介紹的高級光電開關電路具有如下特點:
- 由于負反饋使接收光電三極管不容易飽和。只要該管不飽和,外來光干擾就能抑制。
- 由于使用了調制和解調電路,所以在各種磁、電、光干擾之下,都能可靠工作。
- 施密特電路可以對開關進行消抖。
- 由于電路盡量采用集成電路,特別是大功率FET 的應用,使本文所介紹的電路更適于陣列式光電開關應用的場合。
- 由于采用了AGC 電路,導致了接收靈敏度幾乎無需調整。




