- 開關互補式交流穩壓器的原理分析
- 開關互補電路的設計
- 利用微處理器進行智能控制和監控管理
1 引言
近年來,在國內電源學術界,交流穩壓器的研究內容主要分為兩類,一類是開關互補式,另一類就是逆變補償式。開關互補式交流穩壓器就是以自耦變壓器----繼電器抽頭式穩壓器為基礎,將電力電子開關與傳統的繼電器觸點相結合,為電能的傳遞增加一個預設的電子通路,以便減少電流切換時產生的沖擊和干擾,因為這種沖擊往往會損壞機械開關、電子器件,甚至用電設備;逆變補償式交流穩壓器,是以補償型交流穩壓器為基礎,從輸入側取得交流電壓,經過整流、高頻SPWM逆變、相位跟蹤和轉換產生幅值、相位、頻率均可變的交流補償電壓進行穩壓,補償是無極的,補償精度高,響應速度快。
目前,這兩類穩壓器的技術都不是很成熟,還沒有人對此進行系統的闡述、分析和具體的設計。本文針對開關互補式交流穩壓器,提出它的原理和設計方法,并按此方法研制出一臺10KVA的開關互補式交流穩壓器,以期達到跟蹤前沿技術,為進一步開發系列開關互補式交流穩壓器做好準備。
2 開關互補式交流穩壓電源工作原理
2.1 整機組成
本穩壓器由補償變壓器組合單元、繼電器單元、開關互補電路、控制電路、過欠壓以及過流保護及故障告警電路、輔助電源等部分組成,整機框圖如下:

2.1.1 穩壓部分的設計
穩壓部分可采用的形式有參數調整(諧振)型、自耦(變比)調整型、大功率補償型、開關型。在這里,我們采用的是大功率補償型作為穩壓部分的主電路,利用繼電器改變自耦變壓器抽頭的方法,來給補償變壓器提供初級電壓。其中,互補開關組合陣列采用的是繼電器并聯式接法。

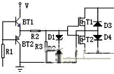
2.1.2 開關互補電路的設計
關互補電路實際上是繼電器的一個旁通電子開關,采用兩只IGBT、兩只二極管構成的交流通路,是互補式交流穩壓器的主要技術點,電路如圖3:

圖3
1、通過合理的布線,盡量減小引線電感,以減小IGBT的關斷振蕩和損耗;
2、每一組互補電路要用專用的輔助電源驅動(典型值是+15V,-5V),既防止因共地而引起的干擾,最主要的是防止了因PN結導通而引起的短路;
3、IGBT的柵極驅動采用電壓跟隨器的設計方式,同時增加RCD吸收電路,精選其電容、電阻參量,從而有效抑制了脈沖結束時IGBT的反向電壓;
4、對IGBT的額定電壓、電流參數,選取時除按理論計算外,還要考慮適當的經驗系數,使IGBT具有更大的安全工作區域;
5、雖然IGBT的導通時間極短,在正常工作時,熱量在還沒有傳出殼外時,IGBT就已關斷,但仍須加一定功率的散熱器,目的是使IGBT工作時,其管芯溫度在允許結溫以下,從而確保IGBT不會因控制電路設計不當造成的損壞。
[page]
2.1.3 功率補償單元
該補償單元由繼電器及其相應的開關互補電路組成,采用并聯的方式連接而成。具體電路如圖4-1:

圖4-1

圖4-2
圖4-2為功率補嘗單元中的繼電器與其對應的開關互補電路的工作波形和工作時序關系,從中我們可以知道,開關互補電路是在繼電器動作之前先導通,在繼電器完成動作后再關斷,這是開關互補式交流穩壓電源成功的關鍵所在。
2.2 功率補償單元的工作原理
為方便闡述,我們把功率補償單元拆分為繼電器J0、J1、J2、J3、J4、J5及其對應的開關互補電路S0、S1、S2、S3、S4、S5。考慮到電網變化的隨機和無序性,設計時采用頂層設計、整體考慮的方法,來確定功率補償單元的工作時序。值得特別強調的是,開關互補電路須采取先開后關的方式工作,即在繼電器動作(包括吸合和斷開)之前,先讓開關互補電路工作,待繼電器工作穩定后,再斷開關互補電路,這是控制的關鍵所在,否則開關補式交流穩壓器將失去意義。為及時判斷繼電器的切換狀態,特設計了雙光耦補償型電路,實現信號的鎖定,以便于單片機的正確判定。表1給出了功率補償單元在不同輸入電壓值時的工作時序。
表1

2.3 軟件的設計
在系統中,單片機擔負著對輸入電壓的實時檢測和處理,控制功率補償單元的工作,對整機提供各種保護、告警和狀態指示。
系統接通市電,合上電源開關后,單片機進行初始化,延時2秒后,進行輸入電壓檢測,若輸入電壓在允許范圍內,則根據電壓值進行相應的電壓補償,否則補償電路不進行任何動作,但要相應的聲光告警;電壓調整完畢達到輸出標準后,自動合上輸出交流接觸器,系統正常輸出。此時,單片機對輸出電壓進行過壓檢測,一旦輸出電壓過高,則切斷輸出,以防輸出電壓過高而影響負載工作,在電壓恢復正常后,自動合閘,輸出電壓。單片機還對輸入電壓進行實時檢測,只要市電發生變化,就進入相應的電壓補償子程序,對補償電壓進行調整。其流程圖見圖5。

圖5
3 實作結果
當輸入交流電壓幅值發生相同的變化時,比較圖6所示的兩種穩壓器輸出電壓波形可發現,有互補電路與沒加互補電路的電源輸出電壓波形,存在很大的差異:在A圖中,沒有互補電路的電源輸出電壓波形,有一明顯缺口,這是輸出電壓波形失真度大、整機電磁干擾強、不能提高功率因數的根本原因所在;而在B圖中,這一缺點得到明顯的改善,輸出電壓波形變得平滑,體現出了互補式交流穩壓電源的優點。

A無關互補電源輸出電壓波形

B互補電路電源輸出電壓波形
圖6
其達到的主要技術指標如下:
1)、交流輸入電壓
220V-30%~220V+20%、50Hz(單相)
2)、額定輸入電流45A
3)、額定輸出功率10KVA
4)、額定輸出電壓220V±5%、50Hz
5)、響應時間≤50ms
6)、正弦波失真度≤1.0%
7)、整機效率≥98%
8)、功率因數>0.95
4 結束語
本電源的研制成功,是在現代電力電子技術與電力傳動技術相結合的基礎上,利用微處理器進行智能控制和監控管理,研制開發的一種新型高性能價格比的交流穩壓器,具有智能化、輕量化、高可靠性的特點。實踐證明,開關互補式交流穩壓器的以上優點以及它的低成本、高質量的供電效果,必將使該種穩壓器具有廣闊的應用前景。



