中心議題:
- 抑制直流供電電源噪聲干擾的濾波器方案設計
解決方案:
- 雙探針測量技術
- 選擇合理的濾波器拓撲結構
本文采用電路測量的方法設計一款通用濾波器,用來抑制數字電路板給直流供電電源帶來的噪聲干擾。本文介紹了雙探針測量技術,使用雙探針法測量出直流供電電源和印制電路板在實際加電工作中的阻抗,用測量出的阻抗信息,選擇出合理的濾波器拓撲結構,并通過計算確定元器件值,而并不需要反復做實驗和付出額外的代價。通過實際進行的測試,驗證了這種濾波器的有效性和可行性。
0 引言
為抑制電磁干擾(EMI),通常在印制電路板(PCB)的輸入電源端放置EMI濾波器。在實際應用中,一個電子產品中的幾塊PCB板常共用一個直流供電電源,這樣造成一塊PCB上的噪聲干擾到另外一塊PCB上的電路。使用電源濾波器可以抑制共用一路電源的PCB板間的耦合噪聲。
1 方案設計
設計PCB上的電源EMI濾波器時,要么按照芯片資料的推薦電路來設計,要么通過試驗來確定濾波器的布局和元器件值。但是對于一塊指定的PCB來說,沒有通用的方法來設計EMI濾波器,這樣就造成了設計時的困難。該文的目標是設計一種通用濾波器,但前提條件是PCB上的噪聲、阻抗和電源是已知的或是可求的。在已知噪聲和阻抗的情況下可以設計出最優的EMI濾波器。
為了測試這種設計,用線性電源(0~32V,5A)來給數字PCB供電。這樣選擇的線性電源不會引入高頻噪聲影響測試結果。直流輸入噪聲的時域和頻域圖如圖1所示。圖1中可以看出,頻率1MHz的噪聲最大,因此EMI濾波器要抑制頻率為1MHz的噪聲。

圖1 直流輸入噪聲的時域和頻域
EMI濾波器通常要削弱5次以上諧波來減少共用電源上其他電路引入的噪聲。然而如果測得的基礎噪聲頻率小于10MHz,設計時要濾掉9次諧波。
在該案例中,測的基礎噪聲主要在1MHz,測量帶寬是0~10MHz,包含9次諧波噪聲。PCB的供電電源輸出阻抗和直流輸入阻抗可用雙探針電路測量方法測出,這樣就可以設計出有效抑制EMI的濾波器。
[page]
1.1 雙探針測量法
圖2簡要地描述了雙探針測量供電電源輸出阻抗的基本理念。測量裝置如圖2(a)所示,供電電源串聯負載電阻R。2個探針分別接至矢量分析儀(VNA)(R&S ZVB8)的端口1和端口2上,并接入電路用于輸入和接收信號。正常工作時,供電電壓6V,輸出電流3mA.因此等效電路選取R=2kΩ。
為了減少電流負載引起的干擾,把2個電流探針的等效電路接入電路。通過把雙探針接入電路反映出的阻抗特性,等效電路如圖2(b)所示。雙探針的阻抗分別為ZM1和ZM2,LW和rW為等效電感和電阻,VM1為VNA端口1的等效電壓。

圖2 雙探針測量阻抗裝置及等效電路
由圖2(b)知,環路電流為:

式中,Zsetup=ZR+ZM2+ZM1+rW+jωLW;ZX=ZPS。
環路中輸入信號的電壓為:

式中,M1為輸入探針與耦合環路的互感應系數;V1為VNA端口1的輸出電壓;Z1為端口1的輸出阻抗;ZP1為從端口1測得的探針阻抗。由接收探針測得的IW為:

這里V2為VNA端口2接收電壓,ZT2為由是制造商給出的接收探針阻抗,將式(2)和式(3)代入式(1),可求出供電電源的阻抗為:

式中,
為頻率特性參數。
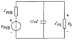
Zsetup和k的值可通過一個用已知電阻代替ZPS等效電路求得。由此ZPS可由式(4)求出,阻抗變化范圍20~120Ω。把PCB電路板代替ZPS接入圖3中,PCB的輸入阻抗為:
![]()
ZT為實測的PCB連續阻抗,得出ZPCB變化范圍200~600Ω。
[page]
1.2 選擇濾波器
第1步應選定濾波器拓撲結構。常用阻抗匹配的拓撲結構有4種,分別是并聯電容、串聯電感、L-C回路和C-L回路。ZPS和ZPCB的阻抗都在幾十歐至幾百歐間,若采用并聯電容拓撲結構,并聯電容的值要遠小于ZPS ||ZPCB的并聯電容,若采用串聯電感拓撲結構,串聯電感的值要遠大于ZPS+ZPCB的串聯電感,按并聯電容和串聯電感拓撲結構分別估算出C和L的值為:

由于電感的計算值為550μH,其體積遠大于電容的體積,因此選定并聯電容拓撲結構,等效電路如圖3所示。

圖3 并聯電容濾波器的等效電路
帶濾波器比不帶濾器時衰減值為:

由式(8)可以求出不同衰減對應的電容值。例如,在1MHz時衰減6dB,對應容值約為7nF。
1.3 驗證
選取一只10nF電容并聯在PCB直流供電電源2端。測試結果如圖4所示。圖4(a)為噪聲頻域圖,頻率1MHz的噪聲輻度由24dB減少至18dB。圖4(b)為噪聲時域圖,均方根振幅由圖2(b)的11.03mV降到濾波后的4.98mV。

圖4 直流輸入噪聲的時域和頻域
選取一只2.2nF電容并聯在PCB直流供電電源2端。頻率1M的噪聲輻度由24dB減少至22.8dB.
2 結束語
通過測試證明基于電路測量方法,抑制數字電路板對供電電源的噪聲干擾的濾波器設計是有效的。需要設計抑制EMI濾波器時,都可以采用這種方法,計算出電源的輸出阻抗和數字電路板的輸入阻抗,得出的阻抗信息可以確定EMI濾波器的拓撲結構和元件值,而不需要額外的試驗和代價。



