- 高頻MOS驅動電路仿真波形實驗波分析
- 保證導通期間GS電壓穩定C值需取大些
- 變壓器選用較高磁導如5K、7K等高頻環形磁芯
1 引言
開關電源由于體積小、重量輕、效率高等優點,應用已越來越普及。MOSFET由于開關速度快、易并聯、所需驅動功率低等優點已成為開關電源最常用的功率開關器件之一。而驅動電路的好壞直接影響開關電源工作的可靠性及性能指標。一個好的MOSFET驅動電路的要求是:

(2)開關管導通期間驅動電路能保證MOSFET柵源極間電壓保持穩定使可靠導通;
(3)關斷瞬間驅動電路能提供一個盡可能低阻抗的通路供MOSFET柵源極間電容電壓的快速泄放,保證開關管能快速關斷;
(4)關斷期間驅動電路最好能提供一定的負電壓避免受到干擾產生誤導通;
(5)另外要求驅動電路結構簡單可靠,損耗小,最好有隔離。
本文介紹并討論分析一下作者在研制開關電源中使用的幾種結構簡單可行的MOSFET管驅動電路。
2 幾種MOSFET驅動電路介紹及分析
2.1 不隔離的互補驅動電路

圖1(a)為常用的小功率驅動電路,簡單可靠成本低。適用于不要求隔離的小功率開關設備。圖1(b)所示驅動電路開關速度很快,驅動能力強,為防止倆個MOSFET管直通,通常串接一個0.5~1Ω小電阻用于限流,該電路適用于不要求隔離的中功率開關設備。這兩種電路結構特簡單。
功率MOSFET屬于電壓型控制器件,只要柵極和源極之間施加的電壓超過其閾值電壓就會導通。由于MOSFET存在結電容,關斷時其漏源兩端電壓的突然上升將會通過結電容在柵源兩端產生干擾電壓。常用的互補驅動電路的關斷回路阻抗小,關斷速度較快,但它不能提供負壓,故其抗干擾性較差。為了提高電路的抗干擾性,可在此種驅動電路的基礎上增加一級由V1、V2、R組成的電路,產生一個負壓,電路原理圖如圖2(a)所示。
[page]
當V1導通時,V2關斷,兩個MOSFET中的上管的柵、源極放電,下管的柵、源極充電,即上管關斷、下管導通,則被驅動的功率管關斷;反之V1關斷時,V2導通,上管導通,下管關斷,使驅動的管子導通。因為上下兩個管子的柵、源極通過不同的回路棄、放電,包含有V2的回路由于V2會不斷退出飽和直至關斷,所以對于S1而言導通比關斷要慢,對于S2而言導通比關斷要快,所以兩管發熱程度也不完全一樣,S1比S2發熱要嚴重。該驅動電路的缺點是需要雙電源,且由于R的取值不能過大,否則會使V1深度飽和,影響關斷速度,所以R上會有一定的損耗。

還有一種與其相類似的電路如圖2(b)所示,改進之處在于它只需要單電源。其產生的負壓由5.2V的穩壓管提供。同時PNP管換成NPN管。在該電路中的兩個MOSFET中,上管的發熱情況要比下管較輕,其工作原理同上面分析的驅動電路,故不再贅述。
2.2 隔離的驅動電路
(1)正激式驅動電路

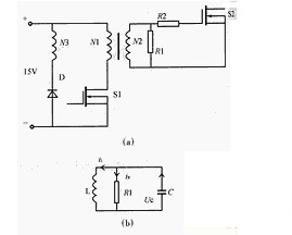
電路原理圖如圖3(a)所示,N3為去磁繞組,S2為所驅動的功率管。R2為防止功率管柵極、源極端電壓振蕩的一個阻尼電阻。因變壓器漏感較小,且從速度方面考慮,一般R2較小,故在分析中忽略不計。其工作波形分為兩種情況,一種為去磁繞組導通的情況,見圖4(a);一種為去磁繞組不導通的情況,見圖4(b)。
等值電路圖如圖3(b)所示,脈沖變壓器的副邊并聯—電阻R1,它做為正激式變換器的假負載,用于消除關斷期間輸出電壓發生振蕩而誤導通,見圖5。同時它還可作為功率MOSFET關斷時的能量泄放回路。該驅動電路的導通速度主要與被驅動的S2柵、源極等效輸入電容的大小、S1的驅動信號的速度以及S1所能提供的電流大小有關。由仿真及分析可知,占空比D越小、R1越大、L越大,磁化電流越小,U1值越小,關斷速度越慢。
該電路具有以下優點:①電路結構簡單可靠,實現了隔離驅動。②只需單電源即可提供導通時正、關斷時負壓。③占空比固定時,通過合理的參數設計,此驅動電路也具有較快的開關速度。該電路存在的缺點:一是由于隔離變壓器副邊需要一個假負載防震蕩,故該電路損耗較大;二是當占空比變化時關斷速度變化加大。脈寬較窄時,由于是貯存的能量減少導致MOSFET柵極的關斷速度變慢。表1為不同占空比時關斷時間toff(驅動電壓從10伏下降到0伏的時間)內變化情況。


(2)有隔離變壓器的互補驅動電路
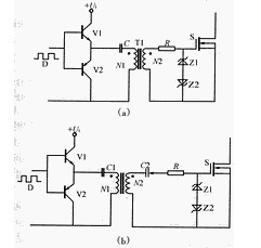
如圖6(a)所示,V1、V2為互補工作,電容C起隔離直流的作用,T1為高頻、高磁率的磁環或磁罐。導通時隔離變壓器上的電壓為(1-D)Ui、關斷時為DUi,若主功率管S可靠導通電壓為12V,則隔離變壓器原副邊匝比N1/N2為12/(1-D)/Ui。為保證導通期間GS電壓穩定C值可稍取大些。實驗波形見圖7(a)。該電路具有以下優點:
①電路結構較簡單可靠,具有電氣隔離作用。當脈寬變化時,驅動的關斷能力不會隨著變化。
②該電路只需一個電源,即為單電源工作。隔直電容C的作用可以在關斷所驅動的管子時提供一個負壓,從而加速了功率管的關斷,且有較高的抗干擾能力。
但該電路所存在的一個較大缺點是輸出電壓的幅值會隨著占空比的變化而變化。當D較小時,負向電壓小,該電路的抗干擾性變差,且正向電壓較高,應該注意使其幅值不超過MOSFET柵極的允許電壓。當D大于0.5時驅動電壓正向電壓小于其負向電壓,此時應該注意使其負電壓值不超過MOSFET柵極的允許電壓。所以該電路比較適用于占空比固定或占空比變化范圍不大以及占空比小于0.5的場合。
6(b)為占空比大于0.5時適用的驅動電路,其中Z2為穩壓二極管,此時副邊繞組負電壓值較大,Z2的穩壓值為所需的負向電壓值,超過部分電壓降在電容C2上,其實驗波形見圖7(b)。
[page]
(3)集成芯片UC3724/3725構成的驅動電路
電路構成圖如圖8所示。
其中UC3724用來產生高頻載波信號,載波頻率由電容CT和電阻RT決定。一般載波頻率小于600kHz,4腳和6腳兩端產生高頻調制波,經高頻小磁環變壓器隔離后送到UC3725芯片7、8兩腳經UC3725進行解調后得到驅動信號,UC3725內部有一肖特基整流橋同時將7、8腳的高頻調制波整流成一直流電壓供驅動所需功率。一般來說載波頻率越高驅動延時越小,但太高抗干擾性變差;隔離變壓器磁化電感越大磁化電流越小,UC3724發熱越少,但太大使匝數增多導致寄生參數影響變大,同樣會使抗干擾能力降低。
故根據實驗研究得出:對于開關頻率小于100kHz的信號一般取(400~500)kHz載波頻率較好,變壓器選用較高磁導如5K、7K等高頻環形磁芯,其原邊磁化電感大小約1毫亨左右為好。這種驅動電路僅適合于信號頻率小于100kHz場合,因信號頻率相對載波頻率太高的話,相對延時太多,且所需驅動功率增大,UC3724和UC3725芯片發熱厲害溫升較高,故100kHz以上開關頻率僅對較小極電容的MOSFET才可以。對于1kVA左右開關頻率小于100kHz場合,它是一種性能良好的驅動電路。該電路具有以下特點:單電源工作,控制信號與驅動實現隔離,結構簡單尺寸較小,尤其適用于占空比變化莫測或信號頻率也變化的場合。
3 結語
本文介紹的幾種MOSFET驅動電路均有以下優點:結構較簡單可靠;單電源工作;適用于中小功率開關電源。以上電路均已應用到不同功率的實際開關電源的原理樣機中,經過了實驗的檢驗。





