【導讀】眼下,太陽能的作用越來越重要,關于太陽能的設計和應用也非常廣泛。從保護環境的角度出發,結合西藏居民華寧和生活習慣二設計了一款環保可靠的太陽能多功能移動電源箱,解決了當地居民用電困難的窘境。
1 方案設計
太陽能是天然可再生能源。它資源豐富,既可無限制的免費使用,又無需運輸,對環境無任何污染。目前 雪域高原是我國污染最輕、環境保護最好的地區,西藏作為我國乃至亞洲重要的生態安全屏障,生態環境的保障至關重要。本設計基于西藏地區豐富的太陽能資源和 藏區人們的生活現狀的的考慮,利用太陽能供電并結合人們日常生活所需而設計。既符合環保要求又方便攜帶,解決了西藏地區人民基本的日常用電需要,可作為綠 色環保產品推廣,具有一定的市場價值。
2 硬件電路設計
2.1 硬件框圖結構設計
本文整體設計硬件框圖結構如圖1所示,電源箱有太陽光和常規市電兩路能量來源。當蓄電池饋電時,在 陽光充足的情況下首先利用太陽能充電,其次通過220 V電源給蓄電池充電。兩種輸入方式相結合,方便而且環保。將兩種輸入能量通過濾波穩壓電路,然后給蓄電池進行充電。其中的過充過放保護電路主要是利用繼電 器電路模塊檢測蓄電池的電量;當過充的時候斷開充電主回路;當蓄電池電壓降到一定范圍的時候接通充電回路;當檢測到過放的時候斷開用電器電路,防止過充過 放,起到對蓄電池保護的作用,整個電路都是由蓄電池供電。該系統有多路輸出端口,既可供LED 照明和為手機、MP3、收音機等多種數碼產品充電還可輸出220 V交流電壓供小功率家用電器工作。

圖1:電路整體結構
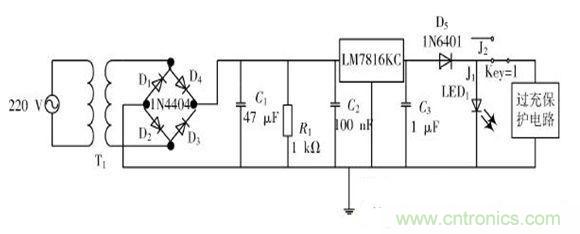
2.2 市電供電模塊
本設計所有電路均基于Multisim仿真軟件的應用。圖2 為市電充電模塊電路,當電源接通后紅色指示燈LED1 點亮,否則熄滅。此電路通過變壓器和電橋電路將220 V 市電轉為28.4 V 直流電壓,再經過RC 振蕩電路進行濾波穩壓后送入LM7815三端穩壓模塊,輸出穩定的直流15 V 電壓,然后通過過沖保護電路給蓄電池充電。開關Key1為供電模式手動選擇開關,當開關J1連接時為選擇市電充電,則紅色LED1 亮。開關J2 連接時為選擇太陽能充電,則紅色LED2亮,如1、2所示。

圖2:市電供電模塊
2.3 太陽能供電模塊
在圖3所示的太陽能供電模塊電路中。當Key1接J2時,選擇太陽能系統供電,此時紅色LED2點亮。電路首先通過整流二極管1N5404整流,然后經RC濾波電路濾波,最后通過穩壓二極管1N47744 將電壓穩定為直流15 V,再通過過充保護電路為蓄電池充電。其中1N5404硅整流二極管,其最大反向峰值電壓為400 V,最大半波整流電流為3 A。穩壓二極管1N4744最大功耗為1 mW,穩定電壓為15 V,最大電流是57 mA。

圖3:太陽能供電模塊
2.4 過充過放電路
如圖所示為過充過放保護電路,本設計主要基于三端可調分流基準源TL431和繼電器的應用,實現對鉛蓄電池充放電保護。如圖4所示,為過充保護電路,供電模塊通過繼電器為蓄電池充電,當電路檢測到蓄電池電壓大于13 V 時,綠色LED4 亮,繼電器將開關向下吸合,斷開充電回路,實現過充保護。

圖4:過充保護電路圖
如圖5所示,為過放保護電路,蓄電池電壓大于12 V時LED6燈亮,繼電器向下吸合為負載提供能量,當蓄電池電壓低于10.5 V時繼電器向上斷開放電回路,實現過放保護。

圖5:過放保護電路圖
2.5 輸出端口
圖6所示為電源箱的輸出端口部分設計圖,其主要采用LM78XX 系列三端集成穩壓器來得到穩定電壓的輸出。當LM78XX 系列三端集成穩壓器輸出電流較大或工作時間較長,LM78XX 散熱較大,應加散熱器。

圖6:輸出端口設計圖
圖6(a)是輸出穩定9 V供收音機工作。圖6(b)為USB接口電路,實際電源箱將輸出多個不同類型的接口供數碼產品充電,例如圖6(b)手機USB充電部分,三端集成穩壓器 LM7805得到穩定直流5 V 輸出,由于手機充電需要的電壓為(5±0.5) V,此時剛好適合手機進行充電,當紅色LED3 亮起時說明此時可以為手機充電了。圖6(c)和(d)均接照明負載,當開關Key2和Key3接通時,通過調節滑動變阻器R2,R3可改變光照強弱,進而 達到使用者所需的光照強度,增加了設計的人性化。相關閱讀:
DIY:教你5步制作太陽能無線充電器
利用太陽能應用系統實現DC-DC優化設計
可利用氧氣“充電”的太陽能電池



