【導讀】UPS短暫斷電應該怎么處理呢?本電路圖通過對UPS供電系統的技術改造、升級,新增的UPS電源保證了各設備能夠實現不間斷供電。一起來看看吧!
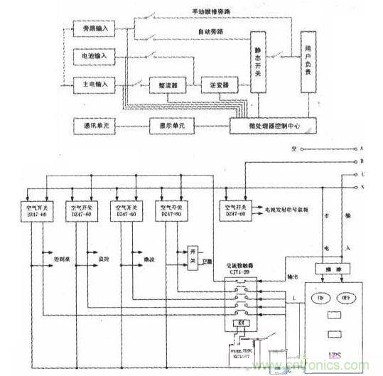
解決UPS短暫斷電問題,對其進行了技術改造,新增UPS電源供電,并對原有供電系統的控制部分進行升級。新增UPS電源為 美國山特CASTLE系列C3K型在線式不間斷電源。在線式UPS的運作模式為市電和用電設備是隔離的,市電不會直接供電給用電設備,而是通過UPS轉換 成直流電,再兵分兩路,一路為電池充電,另一路則轉回交流電,供電給用電設備,市電供電品質不穩或停電時,電池從充電轉為供電,直到市電恢復正常才轉回充 電,UPS在用電的整個過程是全程介入的。
為了配合新增UPS電源,我們利用一個微控定時開關和一個交流接觸器,實現了值班室各設備的自動送、斷電,并兼具直通送電功能。其中,交流接觸器CITl-20具有4組常開接點,兩組常閉接點,把UPS輸出接常開接點,線包電壓用UPS輸出控制微控定時開關KC316T,把市電直通接常閉接點,線包加電后,繼電器吸合,常開接點接通,UPS供電,如果UPS故障,沒有線包電壓,則常閉接點接通,市電直通供電。UPS供電系統改造后的框架圖如下圖所示。
圖:UPS短暫斷電的處理
經過本次改造,UPS電源實現了自動送斷電,早晚班的值班員,不需要再開關UPS電源開關。如果UPS故障時,只需把時控開關前的空氣開關斷開即可,同時應把控制桌打至直通繼續供電。電視發射信號監視部分的空氣開關無需斷開,電視節目關機后,將自動斷電。如果雨季雷電嚴重時,需斷開衛星接收機供電時,只要把控制衛星接收機電源的空氣開關斷開即可。
通過對UPS供電系統的技術改造,新增的UPS電源保證了各設備能夠實現不間斷供電,新增的控制部分實現了各設備在發射機開機前自動送電,關機后自動斷電,基本上實現了整個播出系統的自動化。




