【導讀】電動汽車系統由電動馬達、電力轉換器和儲能器件如鋰離子電池組成。這種新的架構系統必須經過優化來最大限度地提高系統效率,使汽車一次充電能夠達到最長的行駛距離。電子技術的這些發展為減少交通運輸的排放創造了條件。
拯救我們的地球,讓地球遠離污染!這是世界各地的科學家和有識之士對降低溫室氣體排放的一致呼聲。由化石燃料內燃機驅動的汽車是罪魁禍首。雖然推動汽車行進的替代技術有很多種,但目前唯一可行的方案是:電動汽車。
電動推進技術需要在汽車中集成一種全新架構的動力傳動系統,這種新增加的組件要求對相應的系統部件進行多學科的深入研究。電動汽車系統由電動馬達、電力轉換器和儲能器件如鋰離子電池組成。這種新的架構系統必須經過優化來最大限度地提高系統效率,使汽車一次充電能夠達到最長的行駛距離。電子技術的這些發展為減少交通運輸的排放創造了條件。
電動汽車(EV)和混合動力汽車(HEV)
電動汽車(EV)靠電池行駛,混合動力汽車(HEV)也一樣,只是它還利用一個化石燃料點火的內燃機作為輔助。給這些汽車供電的技術要想獲得成功并擁有美好的未來,能效是關鍵,因此需要智能的電源管理機制,最大限度地提高將電池能量轉換為車輪機械驅動力的效率,從而增加單次充電的行駛距離,同時不增加碳排放,理想情況下更是顯著降低碳排放。
電動汽車的碳化硅(SiC)電源
電動汽車的重量、體積和成本以及單次充電的行駛距離與電力轉換系統的效率直接相關。SiC電源部件非常適合在汽車常見的高溫環境中工作。讓我們仔細看看碳化硅電源部件在提高系統效率方面的作用。
更輕的重量意味著里程數的延長。降低電源轉換系統的重量、成本和尺寸的一種典型方式是提高開關穩壓器的開關頻率。我們知道,在較高頻率點工作時,電感、電容和變壓器等有源元件的尺寸和重量可以縮小。擁抱碳化硅(SiC)解決方案吧。
雖然硅(Si)電源器件也能工作在高頻,但SiC的優勢是能夠處理比Si高得多的電壓。SiC是一種寬帶隙的半導體器件,而較寬的帶隙意味著較高的臨界電場(臨界電場是關斷狀態下的阻塞電壓)。寬帶隙(WBG)SiC器件的高壓能力允許它們具有更低的導通電阻,從而實現更快的開關速度和單極性工作狀態,部分原理是其載頻需要被加速至高得多的速度(更高的動能)來克服更寬的帶隙。
雖然砷化鎵(GaAs)和氮化鎵(GaN)也具有很高的臨界電場,也是針對大功率解決方案的改進型器件,但SiC還有其它一些優勢,諸如更高的最大工作溫度,很高的德拜溫度,很高的熱傳導性(在多晶SiC中),在電場中實現快速開關和低電阻率的高載流子飽和速度,方便生成二氧化硅(SiO2)帶來的更低的生產成本,以及很高的閾值能量帶來的更具魯棒性的抗輻射性能。
SiC器件在電動汽車中有許多關鍵應用。現有的電力牽引驅動裝置能夠將85%的電能轉換為機械能來驅動車輪,這個效率是相當高的,但SiC也能幫助提高效率。電能轉換器能夠受益于效率的改進,因為它能將電池能量傳遞給發動機,而且能夠在電池充電器電路和任何需要的輔助電源中使用(圖1)。

圖1:SiC電源器件在電動汽車中有許多用途。
將750V轉換到27V供低壓電動汽車使用的SiC電源,是用SiC功率器件提高電動汽車效率的很好例子。這種架構將效率從88%提高到了驚人的96%,將尺寸和重量減小了25%,并且與Si解決方案相比不需要用風扇來冷卻多余的熱量。表1顯示了電動汽車SiC功率器件的一些重要應用。表格中提到的參考信息可以通過訪問本文末尾的參考文獻1找到。
表1,電動汽車電子架構中的一些SiC應用(摘自參考文獻1)。

(PCU是指電源控制單元;APS是指輔助電源)
電動汽車的氮化鎵電源
氮化鎵(GaN)對于電動汽車的電源改進也功不可沒。電機驅動和直流/直流控制中廣泛使用的IGBT一直是基于硅的產品。這些設計的開關時間通常在10kHz至100kHz數量級,而GaN器件的開關時間可以達到納秒級,并且能夠輕松地工作在200℃的汽車環境下。
就像SiC一樣,GaN器件由于具有更高的開關速度,因此也能縮小電源架構中電感、電容和變壓器的尺寸,還能因無源器件尺寸的縮小而減少總的體積和重量。
我們將根據電動汽車電池的化學成分分析它們的功效,比如基于鋰的化學成分以及具有高能量密度的NiMH。如前面SiC器件部分所述,為了使一次充電能夠行駛更長的距離,同樣需要提高電源轉換架構的效率。
硅器件的開關速度和最小導通電阻已經達到最大極限,GaN似乎是超越這些極限的一種可行的方案。實驗表明,如果開關頻率可以提高5倍,電感和電容的體積就可以縮至五分之一。今天的GaN技術可以支持很高的速度。
GaN功率器件在4個關鍵領域表現相當卓越:高溫工作,更高的擊穿電壓,低導通電阻,適合更高工作頻率的納米級開關速度。在這些優勢方面GaN與SiC類似,而它們的區別有兩點:LED和射頻晶體管一直使用GaN;許多硅制造工藝兼容GaN工藝,與SiC較高的基底成本相比,降低了晶圓成本及工藝成本。
由于早在2003年就解決了可靠性問題,因此今天的技術成就了已經投產的第一批GaN高電子遷移率晶體管(HEMT)器件。這些都是常態導通器件,因此0V的柵極電壓將形成導通狀態,小于0V的任何電壓都將使器件關斷。早期使用的是SiC基底,一旦Si基底能與GaN完美結合,生產成本就能顯著降低。2014年實現的新的級聯架構將常通器件變為了常斷器件。
自那以后驅動技術得到了長足發展,集成度越來越高,電源逆變器也有了顯著進步。GaN器件在電動汽車的電池充電器中也有不凡表現,這些充電器由交流/直流轉換器加直流/直流轉換器組成。這種組合就是一種功率因數控制器(PFC)(圖2)。

圖2:典型的電動汽車電源架構(摘自參考文獻2)。
利用GaN,加上開關速度更高的GaN HEMT,可以實現更小的無源器件。在更高的頻率條件下,用更小的電感可以使電源架構的紋波電流更低,改善了功率因數,并得到體積更小成本更低的電容。更低的紋波電流對電容的應力也更小,從而提高其可靠性和壽命。
過去幾年來GaN的可靠性已經被提高到了一個很高的標準,這是GaN在汽車中使用的關鍵。
利用混合動力汽車傳動系統效率降低溫室氣體排放
目前約72%的交通排放由行駛在道路上的汽車產生。改進混合動力汽車傳動系統設計以提高其效率是降低排放的主要手段。一種方法是增強DC-link電壓控制架構的效率,這意味著首先需要提高串聯式混合動力汽車傳動系統的電源轉換器效率。
DC-link通常連接三個傳動系統:由三相整流器組成的初級電源;由雙路有源橋(DAB)直流/直流轉換器組成的次級電源;由三相位逆變器組成的推進負載(圖3),它們與串聯式混合動力汽車相關。

圖3:混合動力汽車的傳動系統框圖(摘自參考文獻3)。
在DC-link和電池電壓不相等的設計拓撲中,直流/直流轉換器中間解決方案是必需的。論文“用于提高串聯式混合動力汽車中電源電路效率的電壓控制方法”(參考文獻3)描述了研究不同架構的許多方法以及用于各種DC-link電壓和直流/直流轉換器控制的方案。
下面將討論比例控制定律,該定律用于控制動態DC-link電壓以實現DAB直流/直流轉換器橋柵極開關波形之間的相移。這種轉換器位于串聯式混合動力汽車傳動系統的DC-link和電池之間,如圖4所示。在這種情況下,控制器使直流/直流轉換器電能損耗及整個傳動系統的損耗都變得更低。

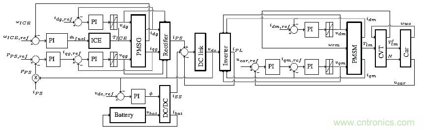
圖4:控制原理圖中的混合動力汽車傳動系統互連圖。內燃機(ICE)、連續可變變速箱(CVT)、永磁同步發電機(PMSG)或混合動力汽車的初級電源、永磁同步電機(PMSM)或混合動力汽車的推進負載都是圖中所示系統的關鍵部件。(摘自參考文獻3)
在這個模型中,柴油機是混合動力汽車的主要動力源,直流電池是次級動力源。管理控制系統(SCS)根據電池電量狀態(SOC)和電機負載來控制這兩個動力源提供的動力比例。
事實上,在這種串聯型混合動力汽車中,DC-link電壓將抑制條件施加于與單位調制指數對應的PMSM和PMSG的理想工作區,這樣系統就能避免出現導致信號失真并降低系統效率的過調狀態。將調制指數保持接近1,可以提高傳動系統中電源電路的總效率,從而最大限度地提高逆變器和整流器的效率,而開關過程是其效率損失的主要因素。因此降低開關電壓可以提高效率。
這種能夠最大限度減小功率損失的永久零壓開關(PZVS)機制最適合具有高混合因子的汽車,特別是在城市環境中。混合因子(HF)是指來自電源的裝機功率與總裝機功率之比。這個混合因子會影響混合動力汽車中的燃油消耗。
汽車逆變器
主電源逆變器控制著電力傳動系統中的電動機,是混合動力汽車/電動汽車中的一個重要部件。電源逆變器就像內燃機汽車中的發動機管理系統(EMS)一樣決定著駕駛行為。這種逆變器適用于任何電機,比如同步、異步或無刷電機,由集成的電子PCB板控制。這塊PCB板是汽車制造商專門設計的,用于最大限度地減少開關損耗,以及最大限度地提高熱效率。逆變器的其它功能是捕獲再生制動釋放的能量,并反饋給電池充電。混合動力汽車/電動汽車的行駛距離與主逆變器的效率直接相關(圖5)。

圖5:混合動力汽車/電動汽車中的英飛凌主逆變器框圖。(摘自參考文獻4中的英飛凌部分)
雙電壓電池系統
管理好混合動力汽車和電動汽車中的電池要求使用高壓技術。結合了12V和48V電池的雙電壓系統需要雙向的直流/直流轉換,如圖6所示,目的是保護電路,支持架構化功能。

圖6:48V到12V的雙向直流/直流轉換器(摘自參考文獻5中的TI部分)。
另外,汽車架構設計中通常有一個單相的3.5kW或7kW板載充電器模塊(OBCM),用于從電網給電動汽車或插電式混合動力汽車(PHEV)充電。反之,電動汽車和插電式混合動力汽車可以用作能源,也可在集成有可再生能源的智能電網中用作儲能設備。智能電網工作時考慮到了給電動汽車和插電式混合動力汽車智能充放電,這也是OBCM必須是雙向直流/直流充電器的原因。
這種設計的最佳架構是升壓系列諧振雙向拓撲,如圖7所示。它工作在諧振頻率之上,具有零壓開關功能,在最小開關頻率點具有最大的功率傳送性能。與單向電源流轉換器相比,這種技術用MOSFET整流器替代了二極管整流器。這種解決方案也具有較高的效率和較寬的電池容量。圖7所示的這種架構的一個主要缺點是整流橋在關斷時具有較大的損耗,這一問題在未來的設計中必須解決。

圖7:設計師有時使用調制過的DAB轉換器控制簡單高頻隔離,這種架構的優勢是器件的應力較低;其主要缺點是,ZVS(零壓開關)無法擴展到整個輸出范圍,特別是在輕負載條件下。這張圖顯示,升壓系列諧振雙向轉換器是一種更好的架構(摘自參考文獻6)。
Delphi集成和布線
Delphi集成了本文討論的所有元器件和其它一些混合電動汽車功率電子器件 (圖8),這令人驚嘆。

圖8:Delphi在混合動力汽車/電動汽車中實現高度集成(摘自參考文獻7)。
混合動力汽車/電動汽車中使用合適的內部連接器也十分重要(圖9)。

圖9:混合動力汽車/電動汽車的關鍵要素是將質量最小化。Delphi在小規程電纜技術、絕緣材料和重量更輕的銅替代品(比如鋁或一些特殊專有合金)方面有著重要創新(摘自參考文獻7中的Delphi部分)。
電力車輪驅動系統
“輪轂電機電動汽車應用中電力驅動系統的設計與實現”(參考文獻8)一文推薦了一種適合混合動力汽車和電動汽車的輪轂驅動系統,一種提供計算性能的輪轂驅動混合動力汽車的Matlab SIMULINK模型已開發成功。兩個14kWDC無刷直流(BLDC)電機根據文獻設計制造而成,安裝在混合動力汽車車輪的輪輞內。
另外,兩個獨立驅動的后輪也安裝在菲亞特的Linea車上。通過對方向盤的角度進行檢測,電子控制技術取代了機械差動裝置。汽車的電力驅動控制系統和電子控制單元(ECU)之間通過CAN總線進行通信。電力驅動后輪和ICE驅動的前軸之間實現了成功的級聯。

圖10:一個后輪的無刷直流電機圖像(摘自參考文獻8)。
這種設計選擇了帶集中線圈的無刷直流電機,因為它具有很低的功率重量比和很高的效率,并且容易控制。

圖11:車輪輪輞和電動發電機裝置中的直接驅動型無刷直流電機分解圖(摘自參考文獻8)。
驅動器
無刷直流電機的電力驅動器由一個集成的電源模塊(IPM)、一個8位的微控制器和一個電子控制系統組成。驅動器軟件開發用于IGBT換流控制和電機脈寬調制(PWM)電壓控制。系統具有光耦隔離、電流和溫度保護,而且系統中還嵌入了速度、電流和電壓傳感器。
綜上所述,本文介紹了在電動汽車和混合動力汽車電源管理方面最近幾年的一些發展成果。今后肯定還會涌現出更多的開發成果,進一步改進這些系統,使我們的地球受益。
參考文獻
- Silicon Carbide Power Electronics for Electric Vehicles, Andrii Stefanskyi, ?ukasz Starzak,Andrzej Napieralski, 2015 Tenth International Conference on Ecological Vehicles and Renewable Energies (EVER)
- Gallium Nitride Semiconductors in Power Electronics for Electric Vehicles: Advantages and Challenges, Adrien Letellier, Maxime R. Dubois, João P. Trovão, Hassan Maher, IEEE 2015
- Voltage Control for Enhanced Power Electronic Efficiency in Series Hybrid Electric Vehicles, Mark Roche, Wassif Shabbir, and Simos A. Evangelou, IEEE 2016
- Infineon main HEV inverter
- Driving the green revolution in transportation, Karl-Heinz Steinmetz, Texas Instruments
- High Efficiency Wide Range Bidirectional DC/DC Converter for OBCM Application, Gang Liu, Dan Li, Jian Qiu Zhang, Min Li Jia, IEEE 2014
- Advancing Automotive Innovation Hybrid & Electric Vehicle Systems, Delphi.
- Design and Implementation of an Electric Drive System for In-Wheel Motor Electric Vehicle Applications, R.Nejat Tuncay, Ozgur Ustun, Murat Yilmaz, Can Gokce, Utku Karakaya, IEEE 2011
本文來源于電子技術設計。
推薦閱讀:




