【導讀】工業和儀器儀表(I&I)、電信以及醫療應用的一個關鍵要求是需要一個可靠接口來傳輸數據。(I2C)總線是一種雙線制雙向總線,用于集成電路之間的低速、短距離通信。(I2C)是由飛利浦公司于20世紀80年代早期為單個電路板上的IC開發,其應用依然在不斷增長。電源管理總線(PMBus)是一種速度相對較慢的雙線式通信協議,該協議基于(I2C),可針對電源進行數字管理。PMBus協議定義了一種開放標準數字電源管理協議,能為電源轉換器或連接的其他器件通信提供便利。
圖1顯示隔離柵在(I2C)接口和與該接口相連的每個系統之間提供電流隔離,既允許在兩點之間傳輸數字數據,又可防止接地電流流過;這樣可以消除耦合到通信總線上的噪聲,從而降低信號失真和誤差。

圖1. 隔離功能
電信應用中使用的PCB通常集成數字控制電源轉換器以及工作在不同地電位的電路。 為確保實現無差錯的卡片插入/移除操作以及魯棒的工作性能,必須隔離每一個接口;但(I2C)接口隔離很復雜,因為總線是雙向的。 光耦合器就不滿足這樣的要求,因為它是單向的。 圖2顯示PMBus通信鏈路,該鏈路可將原邊上的ADM1075(-48 V熱插拔)以及數字電源監控器與副邊相隔離,它采用12 V和3.3 V電源供電。ADM3260雙通道I2C隔離器集成DC-DC轉換器,可隔離SDA和SCL信號。其隔離電源(3.3V_ISO)為ADuM3200雙通道數字隔離器供電,后者可用來隔離SHDN和RESTART信號。

圖2. 典型的隔離式PMBus通信鏈路
由于在低壓域中,原邊參考–48 V而副邊參考地,因此需進行隔離。 如果(I2C)端口不小心直接連接–48 V電源,那么隔離可以防止器件永久性受損。 隔離還能提供針對線路浪涌或接地環路產生的高壓或電流的保護——系統有多重接地時便可能會發生這種情況。 隔離電源通道(3.3 V_ISO)允許副邊為原邊供電,無需另行使用低壓電源——這種低壓電源在–48 V域中不常見,且難以生成。 跨越隔離柵的全部額外I/O信號都需要使用同樣可由ADM3260供電的隔離器。 為實現魯棒的數據通信鏈路,連接(I2C)總線的每個(I2C)器件都必須隔離。
隔離式(I2C)應用示例有:
- I2C、SMBus或PMBus接口隔離
- 用于電源的電平轉換I2C接口
- 網絡
- 以太網供電
- 中央交換
- 電信與數據通信設備
- 隔離數據采集系統
- −48 V分布式電源系統
- −48 V電源模塊
通常需通過I2C總線并跨越隔離柵傳輸精密轉換器數據(ADC或DAC)。 圖3顯示兩個隔離數據采集系統。 這些應用還需要隔離式電源來為副邊的轉換器和放大器供電。


圖3. (a)隔離式I2C ADC與放大器 (b)隔離式I2C DAC與放大器
某些應用要求通道間隔離,其中每條通道都與其他所有通道隔離,如圖4所示。

圖4. 通道間隔離I2C ADC與放大器
在較為龐大的系統中,不同的電壓域之間需要進行電平轉換。 一個例子便是在電信機架式系統中的每個線路卡上隔離PMBus。 圖5是一款典型的電信應用,具有多個線路卡,可插入到–48 V背板中。 本應用中,隔離器對I2C邏輯信號進行電平轉換操作,將其從–48 V背板轉換為完全隔離式+12 V系統。
使用隔離式DC-DC電源或ADI的isoPower®集成式DC-DC轉換器技術可實現I2C通信鏈路的電源隔離。 使用光耦合器或ADI的iCoupler技術可實現信號隔離。

圖5. –48 V應用中的PMBus信號隔離與電平轉換
實現隔離式I2C接口
必須在原邊智能器件(比如ADC或DAC)與副邊處理器之間實現雙向數據傳輸,并且電源必須從原邊傳輸至副邊。 如需隔離數據鏈路,就必須同時隔離數據線路和電源。 所有連接I2C鏈路的器件都必須與I2C總線隔離,如圖6所示。
圖6. 隔離式I2C接口
隔離式I2C接口挑戰
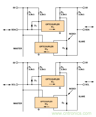
由于I2C接口是雙向的,進行隔離的同時避免總線毛刺和鎖定將有一定難度。 圖7是一個基于光耦合器的接口。 光耦合器是單向的,因此每條雙向I2C線路必須分割為兩條單向線路。 隔離一個完整的I2C接口需要用到4個光耦合器和幾個無源器件。 由此產生的成本、PCB面積以及復雜性降低了簡單的低成本雙線式I2C接口本身的價值。 注意,還需要一個隔離式電源。

圖7. 基于光耦合器的I2C接口
隔離技術: 數據和功率
圖8比較了兩種主要的隔離技術。iCoupler技術(a)使用厚膜工藝技術構建微型片內變壓器,實現2.5 kV隔離。 較古老但廣泛采用的光耦合器解決方案(b)則采用發光二級管(LED)和光電二極管。 LED用于將電信號轉換為光,光電二極管則用于將光轉換回為電信號。 電光轉換本身的低轉換效率導致功耗相對較高;光電二極管的慢速響應則限制其速度;而老化問題會限制其使用壽命。
通過使用晶圓級工藝制造片內變壓器,則iCoupler通道能以較低的成本相互集成,以及與其他半導體功能集成。 一個例子便是集成DC-DC轉換器的熱插拔雙通道I2C隔離器ADM3260。iCoupler隔離技術在很多方面克服了光耦合器所造成的限制: 這些易于使用的器件縮小整體解決方案尺寸、系統成本和功耗,同時提升了性能和可靠性。 此外,采用iCoupler技術,則性能不會因為電流傳輸比(CTR)而下降——標準光耦合器的CTR會隨著時間推移而老化——并且iCoupler是雙向技術,而光耦合器技術是固有單向技術。

圖8. 隔離技術比較: (a) iCoupler隔離 (b) 光耦合器隔離
不久前,在隔離端創建一個低壓電源尚需使用相對較大且昂貴的獨立DC-DC轉換器,或者需采用定制的分立電路,如圖9所示。這些方法是僅有的替代方案,哪怕對于I2C數據通信或其他只需少量隔離式電源的應用亦是如此。

圖9. 用于電源隔離器的分立式–48 V至5 V電源解決方案
為了解決這一問題,ADI開發了一款完整的全集成式解決方案,利用微變壓器跨越隔離柵實現信號和電源傳輸。 這是對我們完善iCoupler技術的延伸,是一種突破性的替代方案,稱為isoPower。 該方案可利用單個元件實現高達5 kV的信號與電源隔離,無需使用隔離式電源,大幅縮小典型I2C總線的PCB面積、縮短設計時間并降低總系統成本。
集成DC-DC轉換器的雙通道I2C隔離器
圖10將使用分立元件的PMBus隔離解決方案與完全集成式解決方案進行了比較。 這款分立式方案需要使用4個光耦合器進行隔離、一個隔離式電源以及復雜的模擬電路來防止閂鎖并抑制毛刺。 隔離式電源采用變壓器驅動器IC來驅動分立式變壓器,并與簡單的整流器和低壓差調節器配合,凈化隔離供電軌。 該設計需要8個IC和多個無源器件,導致接口成本上升、PCB面積增加、可靠性下降。
集成式解決方案采用單個IC,搭配所有I2C接口都會配備的去耦電容以及上拉電阻后,可提供完全隔離的雙向I2C接口與隔離電源。 ADM3260不會產生任何毛刺和鎖定問題,具有經過UL認證的2.5 kV rms隔離額定值,采用20引腳SSOP封裝。 該器件提供雙向隔離式數據與時鐘線路和隔離式電源,無光耦合器的尺寸、成本和復雜性問題。
該單芯片解決方案能夠顯著縮減隔離式I2C接口所需的成本、設計時間和PCB面積,同時提升可靠性。 該產品無需修改即可采用3.3 V或5 V電源供電,避免采用分立式設計時所必需的設計變更,同時提供150 mW輸出功率(5 V)或65 mW輸出功率(3.3 V),可用來上電ADC、DAC或隔離端的其他小系統。

圖10. 隔離式I2C設計對比: (a) 分立式解決方案 (b) 集成式解決方案
瞬變保護
為了讓隔離式接口能夠在工業應用等惡劣工作條件下運行,iCoupler和isoPower隔離技術提供高于25 kV/ìs的共模瞬變抗擾度。 它確定原邊和隔離端之間電位差上升沿和下降沿上的最大壓擺率,確保耦合到總線的瞬變信號不會損壞連接總線的器件或破壞已傳輸的數據,同時增強數據鏈路可靠性。
2.5 kV隔離保護和認證
該隔離解決方案的器件原邊與隔離端之間隔離額定值為2.5 kV rms。 此隔離額定值保證電流無法從原邊流入I2C總線,并且耦合至總線的電壓或瞬變信號不會到達邏輯端。 2.5 kV隔離保護還意味著,可以保護邏輯端的用戶與設備不受總線端的高電壓或瞬變影響。 ADM3260的2.5 kV隔離額定值正在接受下列機構的認證: 美國保險商實驗所(UL)、德國電氣工程師協會(VDE)和加拿大標準協會(CSA)。 UL 1577認證要求所有器件的隔離柵都要100%經過生產測試。 ADM3260提供:
- UL認證
- 依據UL 1577,1分鐘2500 V rms
- VDE合格證書
- IEC 60747-5-2 (VDE 0884, Part 2)
- VIORM = 560 VPEAK
- CSA元件驗收通知#5A
PCB布局
進行正確的PCB布局對于確保在實際設計中實現2.5 kV的額定隔離性能至關重要。 主要考慮因素是邏輯端GND和總線端GND之間的爬電距離(導線表面之間沿殼體的最短距離)和電氣間隙(最短空氣距離)。 ADM3260的邏輯接口不需要外部電路。 輸入和輸出供電引腳需要電源旁路,如圖11所示。欲了解有關PCB布局指南和電磁輻射(EMI)控制的更多信息,請參考AN-0971應用筆記"isoPower器件的輻射控制建議"。

圖11. ADM3260推薦的印刷電路板布局
ADM3260應用與優勢
ADM3260熱插拔隔離器同時提供數據和電源隔離。 兩路無閂鎖、雙向通信通道支持完整的隔離式I2C/PMBus接口和集成式DC-DC轉換器,提供最高150 mW、3.15 V至5.25 V范圍的隔離式電源。擁有雙向通道則無需將I2C/PMBus信號分成單獨的發送信號與接收信號,供獨立光耦合器使用。集成式DC-DC轉換器能以小尺寸實現完整的隔離式I2C/PMBus接口。 采用20引腳SSOP封裝的ADM3260如圖12所示,該器件具有5.3 mm爬電距離,工作溫度范圍為–40°C至+105°C,千片訂量報價為2.99美元/片。
除了為熱插拔中央交換局線路卡提供I2C總線隔離,ADM3260還可用來隔離惡劣工業環境下的數據采集設備、通過以太網提供電源和電平轉換,以及用于其他各類應用中。

圖12. ADM3260隔離式I2C/PMBus接口
結論
工業與儀器儀表、電信和醫療應用中的隔離式I2C/PMBus鏈路解決方案要求做到尺寸小、性能穩定、價格適中。 通過集成芯片級變壓器隔離,單芯片可實現完全隔離式I2C/PMBus數據鏈路,并包含隔離式電源。 熱插拔、雙通道I2C隔離器ADM3260集成DC-DC轉換器,是一款緊湊、可靠、低成本、高性能解決方案,可用于這些標準嚴苛的應用中,并顯著減少電路復雜程度,大幅縮短設計時間。
參考文獻
I2C數字隔離器
數字隔離器產品選型與資源指南
采用isoPower™技術的iCoupler®產品:利用微變壓器跨越隔離柵實現信號和功率傳輸
推薦閱讀:





