【導讀】各位工程師在設計電路時,可能會遇到需要負電壓供電的系統,例如使用負電壓為IGBT提供關斷負電壓、運放系統中用正負對稱的偏置電壓供電。那么該如何產生一個穩定可靠的負電壓呢?本文將為你介紹不同的解決方案。
負電壓設計根據不同的負載電流有很多不同方案,以下是給出幾種目前市面比較常見的負電壓方案,可以根據不同場合使用合適的方案。
一、工頻變壓器輸出正負電壓

圖1 工頻變壓器正負輸出電源
各位工程師看到圖1的電路是否有很強的親切感,是否能想起大學時接觸電子設計時的情景?此經典電路優點比較明顯,電路結構簡單、極低干擾噪聲、穩定性好;同時此電路也有缺點,輸入交流電范圍窄(一般是220VAC±5%),體積重量大;雖然此電路缺點明顯目前還有一些應用采用此方案設計。此方案主要是利用變壓器產生負電壓在通過線性穩壓器7905進行穩壓。
二、電源模塊輸出負電壓
由于電子元件制造工藝技術越來越好,能量損耗越來越低,這樣一來越來越有利于電源的模塊化發展。而且在設計上也能做到小型化,輕型化設計。
1、非隔離負壓輸出負電壓

圖2 非隔離穩壓輸出模塊

圖3 非隔離模塊的正輸出與負輸出接法
如圖3所示,此電源模塊應用與常用的LM7805類似,而且不需要安裝散熱片。如上圖,我們需要正負電壓給運放等供電時,只需要兩個E78xxOS-500電源即可實現。
2、隔離電源模塊輸出正負電壓

圖4 隔離電源模塊正負雙路輸出

圖5 E_URADD-6W電源典型應用
在電力、工業、通訊等對抗干擾性能要求較高的場合,一般需要對電源進行隔離處理來隔離從總電源端的干擾。此種應用時如果需要用到負電壓,可以直接采用隔離電源模塊直接輸出正負電壓給系統供電。
三、Buck-Boost拓撲設計輸出負電壓
除了采用隔離模塊方案,我們還可以選擇芯片自己設計負壓電路,此處我們介紹一下較容易設計的非隔離負壓輸出Buck-Boost電路。如圖6此電路只需要主控芯片、電感、電容等芯片,目前MPS的DC-DC電源芯片都支持Buck-Boost的設計結構,可以根據不同輸出電流選擇合適型號。

圖6 Buck-Boost拓撲原理
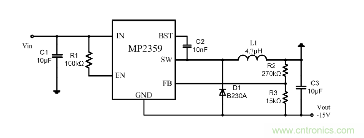
從圖6的拓撲中可以看出輸入電壓與輸出電壓極性是相反的,因此Buck-Boost拓撲結構又簡稱為倒相拓撲。圖7是采用MP2359DT設計的-15V電源電路,MP2359DT是采用SOT23-6的封裝,整個電路占用PCB面積較小。

圖7 MP2359負電壓輸出電路
四、總結
負電壓設計方案多種多樣,哪一個方案適合你的設計,還是需要綜合考慮不同應用、不同技術要求而定。
推薦閱讀:




