【導讀】電動汽車逐漸成為近年來的一個熱門話題。這種"綠色"汽車依靠串聯電池組來獲得足夠高的電壓,從而有效驅動電機。全電動汽車 (EV) 和混合動力汽車 (HEV) 均采用這種高壓 (HV) 電池組。HEV 依靠內燃機 (ICE) 充電,而且在許多情況下,內燃機也會提供動力。 EV 則必須插入電源中充電,有些新型混合動力設計稱為"插電式混合動力汽車"(PHEV),它基本上可視為一種 EV,但配有內燃機以延長行駛里程。
高壓電池組已廣泛用于許多工業和交通運輸業以外的領域,通常可用作:以直流形式儲存輸電網電能的不間斷電源 (UPS); 48-V 通信設備中的應急直流電源;起重機和電梯系統中的應急電源;以及緊急情況下驅動風力渦輪機的葉片。雖然本文討 論汽車中電池組的使用,但一些根本問題在所有類型電池組中都會存在。
交通運輸應用中的電池組一般含有 100 塊甚至更多的電池,可提供數百伏電壓。一般公認50 V 或60 V 以上的電壓可以致 命,而可能導致電子設備損壞的電壓則更低(考慮利用某些類型電化學反應的電池穩定性),因此安全問題至關重要。雖然 這些電池組本身具有危險性,但仍然必須與電池殼內的電池監控電子設備通信。因此,通信方式必須安全可靠。
高壓電池組中的電池結構
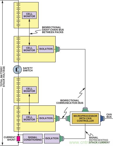
原始設備制造商一般要求將電池裝到保護殼中,稱為"電池包",通常含有 6 到 24 塊串聯電池。含有較多電池的電池包體積更大,也不易放入典型的汽車空間中。相關的電池監控集 成電路靠近受監控的電池,并由電池本身供電。是否有必要監控各電池的電壓,取決于電池的化學原理。例如,我們非常了解基于鎳氫 (NiMH) 化學原理的高壓電池組性能,因此一般無 需測量各電池電壓,只需測量特定電池包內所有電池的總電壓即可。而基于鋰離子(Li-Ion) 化學原理的電池組,則必需監控各電池的電壓,以便檢測電池串中的任一電池有無發生過壓或 欠壓情況。一般不必測量各鋰離子電池的溫度,但應提供相關測量功能。因此,鎳氫電池組的監控電子設備比鋰離子電池組的監控電子設備簡單得多。圖1 顯示一種構建和監控高壓電池 組的常用方法。
電池監控器 IC 通常處理 6 塊或 12 塊電池。目前,ADI 公司提供兩種專用特殊用途 (ASSP) 產品用于電池監控: AD72801 基于高速多路復用 12 位模數轉換器,主要用作主監控器;另一種器件基于一系列窗口比較器,用作備用或冗余監控器。本文不會深入討論這些產品,但仍需說明這些器件在電池組配 置中如何通信。每個電池為上方電池的測量輸入確立共模電平。菊花鏈接口允許電池組的各AD7280 直接與其上或其下的AD7280 通信(從而沿著堆疊上下傳遞數字信息),而無需隔離。最底部AD7280 的SPI 接口用來與系統微控制器交換整個 電池組的數據和控制信號。此處必須采用高壓電流隔離,以保護系統中的其它低壓電子器件。

圖1. 電池組中的串聯電池監控和隔離
圖 1 中,串聯電池串的中間有一個開關或接觸器。一般情況下,無論汽車正常行駛還是停車,該開關始終閉合。車輛維修時或緊急情況下,需將該開關拉開或離開所在位置,禁止電池 組端電極出現電池組電壓。為了不影響開關斷開所提供的隔離性能,必須確保沒有任何電子器件橋接開關端子。因此,開關斷開時,電池組的上半部分應與下半部分應保持電氣隔離。這 意味著,電池組上半部分的電池數據必須通過其最底部的電池監控器通信,跨過隔離柵,傳輸至管理整個電池組數據流入流出的微處理器或微控制器。類似地,電池組下半部分也必須與 此微處理器或微控制器隔離,因此也有與上半部分相同的隔離柵。
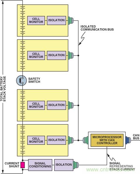
除電池監控器外,電池組中還有一個電流監控器,用來測量并報告電池組的電流。該監控器一般放在電池組底部,也需要考慮隔離。霍爾效應電流傳感器本身具有電流隔離功能,無需再 配置隔離電路。不過,如果該電流傳感器采用分流元件,則相關的分流監控電路需要單獨的隔離柵。使用分流方法檢測電流越來越受歡迎,它比霍爾效應檢測更穩定、更精確,而且價格 也更有競爭力。使用低值分流電阻和低成本、高分辨率監控電子器件(例如通過AEC-Q100 認證的AD820x 和AD821x 系列 分流監控器 , 至今針對汽車插座的出貨量已超過1 億片),可以將自發熱降至極小,使這種方法的傳統弊端不復存在。因此,除非電流檢測監控器能夠接入最底部的電池監控器,共用 其隔離柵,否則圖 1 中的系統需要三個獨立的隔離柵。另一種頗受歡迎的構建電池組方法是將電池包分為一系列電氣獨立的電池群組(圖 2)。每個電池群組最底部的監控器跨過 專用隔離柵,將本地電池狀況回傳給非隔離端的微控制器.
另一種頗受歡迎的構建電池組方法是將電池包分為一系列電氣 獨立的電池群組(圖 2)。每個電池群組最底部的監控器跨過專用隔離柵,將本地電池狀況回傳給非隔離端的微控制器。

圖2. 并行接入電池包的電池組
這種方法會使用更多的數字隔離器,因此成本比圖1 所示系統更高,但它可以同時要求所有電池群組報告電池組內電池監控器所監測到的信息,從而能在更短的時間內回讀所有電池數 據。另一個好處是,當菊花鏈發生問題時,如斷線或連接器接觸不良等,備用監控器可以繼續監控。將剩余電池包電壓與總電池組電壓進行相關分析,仍然可以確定停止工作電池包的數據。
這種方法的確需要更多電纜,由于高達 75% 的電磁兼容性(EMC) 問題與輸入/輸出(I/O) 端口有關,因此這可能會引發問題。 I/O 端口是一種開放式通路,供靜電放電電荷、快速瞬變放電電荷或浪涌進入一臺設備,以及供干擾信號逃逸——通過傳導I/O 線路上的雜散信號,或者通過I/O 電纜的輻射。電池 組電纜較多的話,若不特別注意信號的穩定性以及所選的通信協議,其 EMC 性能會大幅下降。因此,與端口相連的 I/O 設備的 EMC 性能對于整臺設備的 EMC 性能至關重要
頗受歡迎的SPI通信協議適合同一印刷電路板 (PCB) 上的器件之間通信,但單端信號可能難以經由 24 至36 英寸電線實現 可靠傳輸,尤其在高噪聲環境中。如果數字信號要在板外傳輸,則謹慎起見,系統設計中可能需使用差分收發器,例如 ADM485. 這些收發器可以采用低端電源供電,無需直接耗用 電池組中的電池電源。
隔離技術是電池組通信的關鍵
為了提高電池組電壓,以便滿足重型私家車以及輕型卡車、貨車的更高功率電機需求,必須增加電池組中的電池數量。除了增加串聯電池數量之外,現在的許多電池包還含有并聯電池串,目的是提高整個電池包的安培小時(AH) 容量。必須監控各并聯電池串,因而需要收集大量數據。與所有這些電池相關的電池監控器數據,必須在系統集成商設定的系統環路時間要求范圍內,可靠地回傳給電池測量系統(BMS) 微控制器。
因此,跨越系統間邊界提供可靠數據通信的難度也隨之增加。獲得汽車應用認證的隔離技術,正是跨越典型電池組內如此眾多的隔離邊界實現可靠通信的關鍵因素, ADI 公司就能夠提供這種技術。該技術的基礎是"磁隔離",變壓器則采用高性價比標準 CMOS 工藝以平面方式制造(參見圖3)。這有利于將多個隔離通道集成到單個器件中,或者將隔離通道與其它 半導體功能,如線路驅動器和模數轉換器等(例如隔離Σ-Δ調制器AD7400 )集成于一體。

圖3. 四通道隔離器ADuM1402功能框圖
不像光耦合器,這些iCoupler®數字隔離器的性能在汽車整個使用期限內都不會下降,可以適應因季節變化經常會遇到的惡劣工作條件。表1 所列為最近發布的系列器件,這些器件已通過 AEC-Q100 認證,工作溫度最高可達 125°C,所用材料與ADI 公司iCoupler 系列產品中廣泛認可的對應器件相同,至今該系列出貨量已超過3 億片。表中雙通道、3 通道和 4 通道 數字隔離器系列的數據速率最高可達25 Mbps,傳播延遲低至32 ns。
表 1. 通過AEC Q100 認證的 i Coupler 隔離器

平面變壓器本身是雙向的,因此信號可以沿任一方向傳送。在總通道數范圍內,驅動通道和接收通道可以任意組合使用。 例如,雙通道 ADuM120xW、3 通道 ADuM130xW 和 4 通道ADuM140xW 單獨或一起可提供7種不同的通道配置(4-0、3-1、2-2、3-0、2-1、2-0、1-1),確保所有情形下都能采用最 佳解決方案。圖4歸納了可提供的各種不同配置。

圖 4. ADuM120xW/ADuM130xW/ADuM140xW的七種不同配置
iCoupler 技術有兩個突出特點:支持高數據速率,以及可以采用低電源電流工作。iCoupler 通道耗用的電源電流主要取決于它所承載的數據速率。采用 3V 電源工作、數據速率最高為 2 Mbps 時, ADuM140xWS 兩端及所有四個通道的總電源電流典型值為1.6 mA(最大值4 mA)。因為在ADuM140xWS 的隔離端或"熱"端,電源來自電池本身(通過一個穩壓器),所以低功耗十分重要。監控器也采用同一電壓源供電,因 此,監控和通信電路所有元件的功耗越低越好。所有隔離產品均提供小尺寸、薄型、表貼8 引腳SOIC_W或16 引腳SOIC_W封裝,并且已通過 UL、CSA 和 VDE 安全認證。隔離額定值 最高可達2.5 kV(有效值),工作電壓最高可達400 V(有效值)。
iCoupler 技術孕育出isoPower 集成式隔離電源
i Coupler 技術最激動人心的一項成果是將電源輸送與信號傳輸集成在同一封裝中。現在,利用與信號隔離所用的微變壓器相似的技術,可以跨越隔離柵輸送電源,從而為電池組中的數據 隔離器提供完全集成的遠程供電解決方案。本地電源供給振蕩電路,它通過一個芯片級空芯變壓器切換電流。輸送至隔離端的電源經過整流和調節,穩定在 3.3 V 或 5 V。隔離端控制器 通過產生一個PWM 控制信號,對輸出進行反饋調節,該控制信號經由一個專用iCoupler 數據通道送回本地端。 PWM控制信號調制振蕩器電路,以控制送至隔離端的電源。使用反饋功能可以明顯提高功率和功效比。
ADuM540xW 是4 通道數字隔離器,內置isoPower®集成式隔離DC-DC 轉換器;輸入電源為5.0 V 或3.3 V 時,可提供最高500 mW的穩壓隔離功率。與標準iCoupler 器件一樣,它可提供多種不同的通道配置和數據速率。由于isoPower 器件利用高頻開關元件通過其變壓器輸電,因此進行 PCB 布局時必須特別小心,確保符合電磁輻射標準。有關電路板布局考量因素 的詳細信息,請參考應用筆記 AN-0971 :" isoPower器件的輻射控制建議"。ADuM540x 系列目前正在進行 AEC-Q100 認證。
推薦閱讀:





