【導讀】紫外殺菌盒利用紫外線進行消殺細菌的原理,紫外LED可產生260nm~280nm波段的紫外線,直接切斷細菌DNA/RNA,徹底殺死細菌,殺菌率高達99%。LED紫外殺菌技術,最早應用于美國航天水消毒,現在逐漸應用于日常生活中,LED強紫外能量能分解氣味分子結構,有效去除化妝品、眼鏡、手表等物件的霉味。可用于寶寶用品消毒,日常物品消毒。
TI提供了紫外殺菌盒的系統解決方案,原理框圖如下。

圖 1: 紫外殺菌盒的系統框圖(無電池版本)

圖 2: 紫外殺菌盒的系統框圖(有電池版本)
供電方案
UCC2891x系列為采用調頻+調幅混合控制的flyback控制器,集成了700V MOSFET,支持85-265VAC母線電壓。其中,UCC28910最高可以實現9.5W的輸出功率,UCC28911最高可以實現12W的輸出功率。
其優點如下:
1. 輕載時低頻工作以提高效率;
2. MOSFET在波谷開通以減小開關損耗;
3. 具有恒壓輸出和恒流輸出兩種模式;
4. 最大開關頻率為115kHz,通過抖頻提高EMC性能;
5. 完善的保護特性:AC 母線保護、輸出過壓保護、過溫保護、短路保護;
6. 采用原邊反饋方式,減少了光耦和TL431,可以實現±5%的V/I調節精度;
7. 無需外部電流檢測電阻;
8. 可以實現30mW以下的系統待機功耗;
9. 幾乎沒有可聞噪聲;

圖 3: TIDA-00473的系統框圖
TLV742P 是一款極具有性價比的線性穩壓器,支持寬電壓范圍輸出,具有優異的性能,非常適合5V及以下電壓范圍系統。TLV742P系列產品可以直接應用于單節鋰離子電池系統,輸入輸出電壓壓降低至0.85V。TLV742P具有主動輸出放電功能,有助于確保在系統禁用、待機模式或睡眠模式下保持低輸出。此外,過電流保護用于在輸出短路和熱關機的情況下保護設備,以防止過熱。

圖 4: TLV742P簡化原理圖
TLV704系列低壓差線性穩壓器具有極低的靜態電流,適用于省電的應用場合。在全負載范圍和全溫度范圍,其靜態電流幾乎不變。對于低功耗MCU(比如MSP430)來說,此器件是理想的電源管理器件。TLV704的輸入電壓范圍為2.5V到24V,因此該器件既適用于電池供電應用,又適用于母線浪涌較大的工業應用。

圖 5: TLV704簡化原理圖
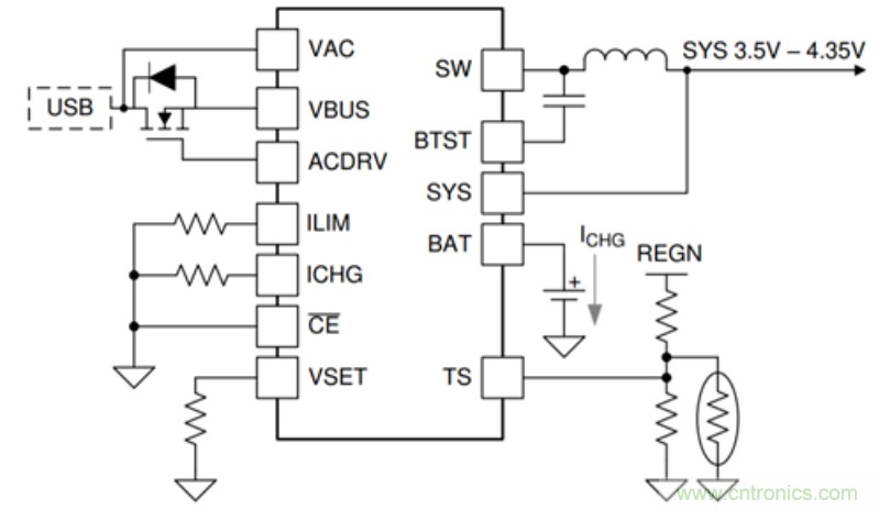
充電方案
BQ25619是一款高度集成的1.5A電池充電管理和系統電源路徑管理器件,適用于單節鋰離子和鋰聚合物電池。輸入電壓范圍為3.9V到13.5V,適用于各種應用場合。BQ25619內部集成了輸入反向阻斷FET(RBFET,Q1)、高側開關FET(HSFET,Q2)、低側開關FET(LSFET,Q3)、電池FET(BATFET,Q4)和自舉二極管,簡化了系統設計。BATFET導通電阻只有19.5mΩ,低阻抗電源路徑可優化運行效率,縮短電池充電時間并延長放電階段的電池運行時間。5V輸入,1A充電電流時,充電效率可達94%。出廠模式只有3µA的電流消耗,保證了電池電量充沛,具有充電和系統設置的I2C接口使其成為真正靈活的解決方案。

圖 6: BQ25619 簡化原理圖
與BQ25619相比,BQ25616為獨立式電池充電管理器件,最大充電電流為3A,充電速度更快。

圖 7: BQ25616簡化原理圖
BQ2970提供針對鋰離子/鋰聚合物電池的保護功能,并且監控外部功率MOSFET,以便在高充放電電流時提供保護,包括過充保護、過放保護、充放電過流保護、短路檢測。在正常模式運行中消耗的電流只有4µA,減少了電池的電量消耗。尺寸只有1.5mm*1.5mm*0.75mm,有利于減小電池包的體積。

圖 8: BQ2970簡化原理圖
LED驅動方案
在智能家居以及配備人機交互功能的其他應用中,高性能 RGB LED 驅動器必不可少。LED 動畫效果(如閃爍、呼吸以及追逐)可極大地改善用戶體驗,同時最大限度地降低系統噪聲也至關重要。
LP5012是一款12 通道恒定電流阱 LED 驅動器。LP5012包含集成式色彩混合和亮度控制,并且預配置特性可簡化軟件編碼過程。為每個通道配備的集成式 12 位、29kHz PWM 發生器可使 LED 色彩流暢、生動,并消除可聞噪聲。每個 LED 獨立控制,有助于實現平滑的調光效果。獨立的色彩混合和亮度控制寄存器使軟件編碼變得非常簡單。在以淡入淡出類型的呼吸效果為目標時,全局 R、G、B 組控制可顯著減輕MCU負載。LP5012還可以實現 PWM 相移功能,以幫助在多個 LED 同時打開時降低輸入功率。LP5012可實現自動節能模式,以實現超低靜態電流。當所有通道都關斷 30ms 時,該器件的總功耗會降至 10µA,這使得 LP5012器件成為電池供電終端設備的潛在選擇。

圖 9: LP5012簡化原理圖
TPS61169 是一款升壓型LED驅動器,內部集成一個 40V、1.8A MOSFET,可針對小型或大型面板背光照明驅動單個 LED 或 LED 串。默認的白色 LED 電流通過外部傳感器電阻 RSET 設定,反饋電壓穩壓至 204mV。運行期間,LED 電流可通過施加到 CTRL 引腳上的脈寬調制 (PWM) 信號加以控制,該信號的占空比決定反饋基準電壓。TPS61169 不會突發 LED 電流,因此不會在輸出電容器上產生可聞噪聲。為提供最佳保護,該器件集成了 LED 開路保護特性,該特性會在 LED 開路狀態下禁用 TPS61169,以防止輸出電壓超過 IC 最大絕對額定電壓。

圖 10: TPS61169簡化原理圖
主控方案
MSP430FR211x這款超低功耗、低成本的 MCU具有功能強大的 16 位 RISC CPU,提供2KB~4KB的 FRAM 和1KB的SRAM。串行接口有UART和IrDA或SPI,集成了6位DAC和8通道10位ADC,具有12個GPIO口,其低功耗的優點和QFN24(3*3mm)的封裝極適合應用于便攜式設備。

圖 11: MSP430FR211x的內部資源
音頻方案
TPA6203A1是1.25W單聲道全差分音頻放大器,供電范圍為2.5 V到 5.5 V,可以驅動至少8 Ω的喇叭。靜態電流僅有1.7mA,shutdown模式下僅消耗10 µA, 2mm*2mm極小封裝,且僅有5個外圍器件,大大節省PCB板面積。

圖 12: TPA6203A1的參考原理圖
推薦閱讀:



