【導讀】在插電式電動汽車 (PEV) 系統中,充電器可分為三個級別:AC Level 1 (<1.92 kW)、AC Level 2 (<19.2 kW) 和 DC Level 3 (>19.2 kW)。1由于其體積和重量,不建議在高功率 3 級系統中使用車載充電器。
在插電式電動汽車 (PEV) 系統中,充電器可分為三個級別:AC Level 1 (<1.92 kW)、AC Level 2 (<19.2 kW) 和 DC Level 3 (>19.2 kW)。1由于其體積和重量,不建議在高功率 3 級系統中使用車載充電器。
本文將為功率高達 22 kW 的非車載非隔離式直流快速充電器提出兩種拓撲結構。該充電器的典型模塊方案包括一個 AC/DC 整流器級,然后是一個 DC/DC 轉換器。AC/DC 級通常使用單相或三相應用來實現,具體取決于電網要求。三相選項提供了為電網接口和 DC/DC 級共享相同硬件的好處。在此處閱讀原文。
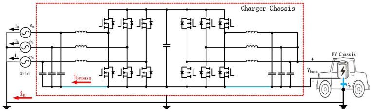
漏電流
漏電流是非隔離直流快充的典型問題。圖1中的紅線表示漏電流可以流過電網地和EV底盤的路徑。2,3此問題的一個常見解決方案是引入隔離式變壓器(電源轉換級)。然而,與非隔離式拓撲相比,隔離式系統的成本要高得多,體積也更重/更大。此外,變壓器會造成額外的功率損耗,從而降低效率。
圖 1:EV 充電系統中的漏電流路徑
根據 IEC 61851-1 標準,電動汽車充電器不強制使用變壓器,4如果電動汽車系統中包含剩余電流裝置 (RCD),則無需額外的電氣隔離。基于上述因素,建議采用非隔離式直流快速充電器來解決漏電流問題,而無需使用額外的變壓器。
充電器配置
提議的充電器解決方案符合國際 (IEC) 和美國(IEEE、NEMA)標準。對于 IEC 標準,電源電壓為 240 V 或 400 V(三相),線路頻率為 50 Hz。在建議的直流充電器中,選擇 390 V 和 650 V 作為直流母線。
基本的兩級開關臂、Supper 和 Slower,以及 LC 濾波器構成了建議的充電器。鑒于其高額定電流和電壓,Wolfspeed C2M0025120D SiC MOSFET 被選為電路的主要開關。考慮到快速充電的功率級別 3 要求和設備的額定電流,為電網接口側選擇了32A rms額定開關臂電流。下一節解釋了選擇額定電流值 (32 A rms ) 的基本原理。
綜上所述,二級雙向非隔離直流快速充電器的設計一直基于圖2所示的配置選項。
圖 2:快速直流充電器配置選項
拓撲結構
針對所提出的充電解決方案引入了單相和三相兩種拓撲結構。
對于單相拓撲,可以使用圖 3 中的公式確定相電流,其中U grid、I grid和α分別是單相電壓、電流和功率因數。根據這個等式,在給定功率要求和電網電壓的情況下,可以計算出所需的電流。
圖 3:單相拓撲的相電流計算
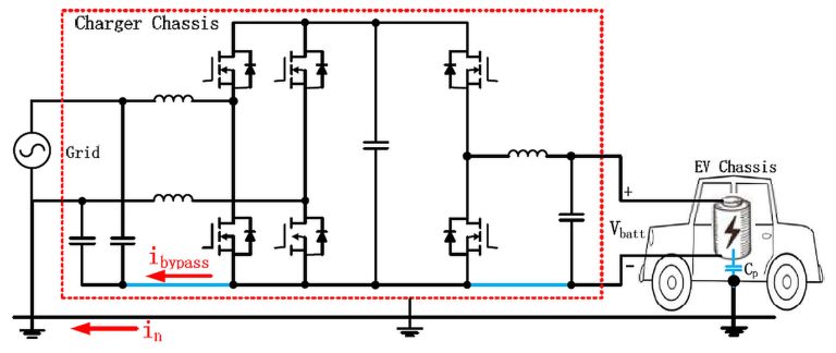
相應的拓撲結構如圖 4 所示。
兩個開關臂在 AC/DC 側組合形成一個全橋整流器。DC/DC 轉換器只需一個開關臂即可為電池提供直流電源( 8 kW)。
圖 4:非隔離單相充電器的拓撲結構
與前一種情況類似,當功率率和電網電壓已知時,可以確定相電流,如圖 5 所示。然后可以評估并聯開關臂的總數 (32 A rms ) 。
圖 5:三相拓撲的功率計算
在圖 6 中,顯示了相關的拓撲結構。三個開關臂構成三相整流器的交流/直流側。三個開關臂并聯用于 DC/DC 轉換器為電池提供直流電源( 22 kW)。
圖 6:非隔離式三相充電器的拓撲結構
可以看出,AC/DC 和 DC/DC 轉換器共享相同的直流母線。
硬件設計
實驗硬件由以下部分組成:
三相逆變器板,基于六個 C2M0025120D SiC MOSFET、六個 CRD-001 柵極驅動器、九個直流總線電容器 (B32774D8505K) 和一個直流電壓傳感器 (RP1215D)
組件板,基于九個三相電容器(B32774D8126K000,12 μF)、三個電壓傳感器(RP1215D)、三個電流傳感器(CKSR 25-NP)和三個功率繼電器(T9SV1K15-12)
三相平面電感器,專為非隔離式快速充電器應用而設計
微控制器:TMS320F28377S MCU 用于為 AC/DC 轉換器和 DC/DC 轉換器生成 PWM 信號。
保護裝置:為了自動切斷輸出和電池之間的連接,在電池本身和DC/DC轉換器之間安裝了一個直流斷路器(M9U21240)。在電網接口和 AC/DC 轉換器之間,連接了一個斷路器 (F204A-63/0.03) 和 RCD (M9F22463)。交流斷路器將防止在電網和接口之間流動的交流電流發生過電流。如果電網漏電超過閾值,RCD 會檢測到并斷開電網與逆變器的連接。
AC/DC 側的對稱電路示意圖如圖 7 所示。逆變器板和元件板由高壓區域隔開,距離為 8 mm,提供 800-V 隔離。
圖 7:電網側三相充電機示意圖
除了硬件保護外,軟件保護用于在出現意外情況時禁用充電器。
建議的拓撲結構的優點
所提出的兩種非隔離拓撲都是無變壓器的,這大大減少了充電系統的空間和重量。所有組件都可以放置在一個 450 × 400 × 200-mm 的封裝中,而估計的 0.6 kW/L 功率密度顯著高于目前市場上競爭的快速充電設備。
與獨立充電器相比,所提出的拓撲通過消除變壓器造成的損耗來提高效率。圖 8 顯示了 DC/DC 轉換級的評估效率。
圖 8:經測試的 DC/DC 級效率
峰值效率達到99.3%,而在額定功率為22kW時,峰值效率為98.8%。額定功率下的平均效率為 98.5%。零序電流控制可以避免漏電流,因為網側電容器的公共點連接到直流母線。泄漏電流將被限制在較低水平并滿足標準要求。
(出處:powerelectronicsnews)
免責聲明:本文為轉載文章,轉載此文目的在于傳遞更多信息,版權歸原作者所有。本文所用視頻、圖片、文字如涉及作品版權問題,請聯系小編進行處理。
推薦閱讀:
瑞薩電子將與Fixstars聯合開發工具套件用于優化R-Car SoC



