【導讀】在幾乎所有機電應用中,電機控制都是電子設計的一個基本方面。機器人和電動汽車 (EV) 等領域需要對電機進行電路和固件控制,以可靠地影響給定設備的運動。
在幾乎所有機電應用中,電機控制都是電子設計的一個基本方面。機器人和電動汽車 (EV) 等領域需要對電機進行電路和固件控制,以可靠地影響給定設備的運動。
每種類型的電機都有自己的控制要求,需要獨特的電路和正確操作的理解。在本文中,我們將了解直流電機控制、H 橋電路和互補PWM等控制技術。
H 橋工作原理——什么是 H 橋電路?
在驅動和控制直流電機時,基本和應用廣泛的電路是 H 橋。可以在TI 的數據表中看到一個示例。
如圖 1 所示,H 橋由四個開關組成,通常使用圍繞直流電機的“H”形拓撲結構中的 金屬氧化物半導體場效應晶體管 (MOSFET) 來實現。

圖 1.用于直流電機控制的標準 H 橋電路
H 橋可以作為直流電機控制的有用電路,因為它通過有選擇地打開和關閉一系列這些開關來控制電機的方向和速度。
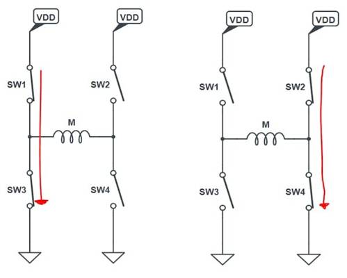
如圖 2 所示,通過在 SW2 和 SW3 關閉的同時打開 SW1 和 SW4,我們可以控制電流以特定方向流過電機,從而使其朝一個方向轉動。

圖 2. 有選擇地打開和關閉這些開關將控制電機的速度和方向
要以相反的方向轉動電機,我們執行相反的操作,讓 SW1 和 SW4 保持關閉狀態,同時打開 SW2 和 SW3。
非重疊或互補 PWM
實際上,H 橋中的開關實際上是使用 MOSFET 實現的,如圖 3 所示

圖 3. 使用 MOSFET 的 H 橋實現
盡管情況并非總是如此,但H 橋通常設計為將高側開關(即連接到 VDD 的 FET)實現為 PMOS 器件。而低側開關(即連接到 GND 的 FET)作為 NMOS 器件實現。
在驅動電機時,我們旨在控制的主要兩件事是它的速度和方向。要在實踐中做到這一點,標準做法是使用 PWM 驅動 MOSFET 柵極。使用 PWM,我們可以通過控制電機的占空比(即它打開的時間百分比)來控制電機的速度,這樣我們就可以根據需要為電機提供盡可能多或盡可能少的功率。
在圖 3 中進一步顯示,Q1 和 Q4 的柵極以及 Q2 和 Q3 的柵極由彼此互補的信號驅動。這種控制方案,其中多個門由 PWM 信號 180° 異相 [視頻] 彼此驅動,被稱為互補 PWM。
如圖 4 所示,此設置可確保當 Q1 的柵極為低電平時,Q4 的柵極同時為高電平。

圖 4.互補 PWM 信號
由于 Q1 是 PMOS,Q4 是 NMOS,該動作同時關閉開關 Q1 和 Q4,允許電流正向流過電機。在此期間,Q2 和 Q3 必須打開,這意味著 Q2 的柵極為高電平而 Q3 的柵極為低電平。
電機控制安全:PWM 直通
在 H 橋中使用互補 PWM 時的一個主要考慮因素是短路的可能性,也稱為“直通”。
如圖 5 所示,如果同一橋臂上的兩個開關同時導通,則 H 橋配置可能會在電源和地之間造成直接短路。

圖 5.如果同一支路上的兩個開關同時導通,則可能會發生擊穿
這種情況可能非常危險,因為它可能導致晶體管和整個電路過熱和損壞。
由于固有器件延遲和非理想情況(例如柵極電容和二極管反向恢復效應),直通成為基于 FET 的 H 橋的主要考慮因素。這些影響的結果是 MOSFET 不是理想的開關,并且在柵極控制信號打開/關閉與 MOSFET 本身打開/關閉之間存在小的時間延遲。
由于這種延遲,互補 PWM 信號可能會意外導致同一橋臂上的 H 橋 MOSFET 同時導通,從而導致擊穿。
用于直流電機控制的 PWM 死區時間
為了解決由 FET 非理想情況引起的直通,標準解決方案是在 PWM 控制中實施死區時間。
在直流電機控制的背景下,死區時間是在驅動同一 H 橋橋臂上的開關的 PWM 信號的開關邊沿之間插入的一小段時間(圖 6)。

圖 6.互補 PWM 信號之間的死區時間。圖片由Widodo 等人提供
通過在一個 FET 關閉和另一個 FET 導通之間留出時間緩沖,死區時間可確保同一支路上的兩個晶體管不會同時導通,從而防止擊穿。
雖然存在死區時間電路,但它通常在固件中實現,其中微控制器 (MCU)定時器可以在互補信號之間生成所需的死區時間。
免責聲明:本文為轉載文章,轉載此文目的在于傳遞更多信息,版權歸原作者所有。本文所用視頻、圖片、文字如涉及作品版權問題,請聯系小編進行處理。
推薦閱讀:





