【導讀】無刷直流電機(BLDC) 取代了交流感應電機,在風扇、空氣凈化器、洗衣機和烘干機泵以及醫用 CPAP 鼓風機等通用電器的應用中變得越來越普遍。
無刷直流電機(BLDC) 取代了交流感應電機,在風扇、空氣凈化器、洗衣機和烘干機泵以及醫用 CPAP 鼓風機等通用電器的應用中變得越來越普遍。
然而,BLDC 電機的調制會產生噪音,這會導致環境背景噪音,尤其是在開放式概念平面規劃在辦公室和家庭環境中非常流行的情況下。
為了幫助解決這些與噪聲相關的問題,德州儀器 (TI)今天宣布推出 兩款全新 70 W 無傳感器 BLDC 電機驅動器,即MCT8316A和MCF8316A。這些驅動程序聲稱是高度集成的無代碼芯片組,分別使用梯形控制和磁場定向控制(FOC)。

電器常見噪音水平的幾個例子。屏幕截圖由 Texas Instruments 提供
這些新芯片的總體目標有三個:減少來自日常應用的可聞噪聲源,將解決方案板尺寸縮小多達 70%,,縮短 BLDC 調諧的總體設計時間(可能縮短至 10 分鐘).
考慮到這些目標,讓我們來看看 TI 的產品。
MCx8316A 芯片概述
MCT8316A 和 MCF8316A 以通用電氣參數運行,包括 4.5 V 至 35 V 的工作范圍和高達 8A 的峰值輸出。此外,這些芯片專為需要 12 V 至 24 V BLDC 或永磁同步電機的速度控制電機應用而設計。

MCx8316A 芯片概述。屏幕截圖由 Texas Instruments 提供
MCx8316A 驅動器系列的一項決定性功能是降低噪音。具體而言,MCT8316A 支持 120° 和 150° 調制,可通過梯形控制方案改善聲學性能。
同時,采用FOC方案的MCF8316A利用自動死區時間補償來減少饋送到電機的諧波含量,從而降低可聽范圍內的噪聲。
一個家族,兩種芯片,兩種控制方案,不禁要問,梯形控制和磁場定向控制有什么區別?
BLDC 電機中的梯形控制與 FOC
有兩種一般類型的 BLDC 電機,包括霍爾效應傳感器驅動架構和無傳感器架構。盡管更復雜,但無傳感器架構是更受歡迎的選擇。對于無傳感器操作,出現了兩種控制方案。

梯形控制方案的時序圖。截圖由Texas Instruments提供
梯形控制的工作原理是在任何給定時間斷言兩個相位。因此,如上所示,在任何相位的過零期間都不會產生扭矩。
該方案的效果是在每 60° 過零相位處產生紋波,從而產生諧波。在 120° 模式下,BLDC 驅動器將在每個周期的剩余 60°中使用高阻態。
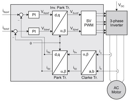
相反,磁場定向控制方案在反饋控制的轉換中需要明顯更多的復雜性。
三相逆變器的輸出產生一個正弦信號,該信號被采樣并通過Clarke 變換然后通過Park 變換進行饋送。

磁場定向控制的基本框圖。截圖由Texas Instruments提供
這兩個變換的結果通過將定子電流矢量從三相時變系統轉換為雙坐標時不變系統來實現直接轉矩控制。
MCx8316A 芯片如何降低噪音
用于控制 BLDC 電機的兩種控制方案各有優缺點。每種方法都會產生有助于聲學噪聲的諧波偽影。

兩種無傳感器 BLDC 控制方案的優缺點。屏幕截圖由 Texas Instruments 提供
據說調制和死區時間補償對于減少電機運動中存在的可聽噪聲至關重要。準確地說,MCF8316A使用諧振控制器補償高側和低側開關 MOSFET 之間的 死區時間,以將諧波含量降至零。

在 MCF8316A 內部啟用死區時間補償可消除可聽諧波(左),從而產生更純凈的正弦信號(右)。截圖由Texas Instruments提供
對正弦輸出和隨后的快速傅立葉變換 (FFT) 的影響如上所示。
類似地,梯形控制方案(如 MCT8316A)的 FFT 響應通過利用芯片的可變換向方案在 120° 和 150° 之間動態切換而得到改善,方法是“窗口化”電機相位處于 Hi-Z 模式的時間量.
總而言之,這種降噪解決方案似乎對許多應用很有前景,尤其是對消費產品而言。
免責聲明:本文為轉載文章,轉載此文目的在于傳遞更多信息,版權歸原作者所有。本文所用視頻、圖片、文字如涉及作品版權問題,請聯系小編進行處理。
推薦閱讀:






