【導讀】傳統的基站射頻解決方案采用分立器件設計,新的SDR SoC實現了高度集成。相比于早期用于小基站的SDR解決方案,新的宏基站射頻解決方案甚至可以不用再記1000多個寄存器的用途,而直接當成黑盒子來編程設計。

無線連接現在是無時不在、無時不有,它們包括人和人、人和設備、設備和設備之間的連接。人和人之間的連接除了傳統的語音通話、發短信外,隨著智能手機的普及,人們對高速數據業務的需求被極大地釋放出來。設備和設備之間的連接,則隨著智能家居、智能汽車、智能電網等各種智能應用的推廣,對于設備之間連接的需求也是越來越大。上個月,NB IoT標準被3GPP通過,明年它就會正式商用。這就會帶來更多的設備與設備間的連接。
更多的高速連接帶來的是數據流量呈指數級的增長。數據流量的增長必然對移動通信網絡的容量有越來越高的要求。提高網絡容量,除了傳統的網絡擴容方式之外,為了滿足未來海量的數據連接,和大量的數據流量增長,我們需要提出全新的網絡架構,ADI公司通信基礎設施業務部門中國區戰略市場經理解勇在日前的RadioVerse技術和設計生態系統發布會上向記者表示。

他指出,到2020年,5G網絡相比現有的4G/LTE架構,終端用戶的數據速率會有100倍增長,連接設備數會增長100倍,網絡延遲要低5倍(車聯網、VR需要低延遲的實時連接),電池續航時間要提高10倍,移動數據流量提高1000倍。
更高的數據速率需求對帶寬的要求必然更高。在現有無線通信頻段,我們已經很難找到連續的高帶寬頻譜了。因此,5G除了要解決空口的新技術外,還有一個方向是將頻率上移到微波/毫米波頻段,解經理表示。另外,網絡的演進還包括:提高安全性;提高能效,包括數字預失真(DPD)、包絡跟蹤等技術;降低延遲(改進算法),滿足高實時性應用;以及降低成本,這是客戶一向的追求。
從客戶的需求看,產品需要做到上市速度快,特別是在現在基站通信行業競爭越來越激烈的時候。在靈活性和通用性上,各種各樣的通信制式和頻段之前是需要各種各樣的設備來支持,因此客戶需要一個相對通用的平臺來覆蓋不同的應用。另外,尺寸、重量和功耗要求越來越低,復雜度和成本也是要降低。
RadioVerse是ADI的一個全新的、專門針對收發機解決方案的品牌,包括技術、產品、生態系統,重點介紹的產品是AD9371。解經理指出,ADI RadioVerse首先能幫助客戶解決復雜度的問題,因為它是一個全集成的SoC芯片——除了把以前離散的射頻信號鏈集成,還集成了ARM處理器,來做相應算法——然后通過軟件配置的方式實現軟件定義無線電(SDR)的解決方案。另外,它的靈活性和通用性也提高了,從而使最終產品上市速度也提高了。
“ADI一直以來倡導的是系統級解決方案,特別是在無線通信這個領域。而且客戶也是希望芯片廠商提供這樣的解決方案,這樣他們就能專注于其他的軟件、系統、應用的研發。”解經理說。
另外,ADI通信解決方案包括以下五大應用:無線電接入、微波點對點通信、衛星通信、光通信、電纜通信。其中電纜通信在歐美使用得比較多,而在中國則是光通信用得比較多。從應用來看,在無線電接入這塊,ADI提供的幾大核心產品包括:高速數據轉換器、收發機、射頻集成器件(針對衛星通信應用)、微波(針對點對點和未來5G)、和射頻及高速數據轉換器配套的電源和時鐘、精密的數據轉換器和電流傳感器等控制芯片。
AD9371集成20個器件,是要針對宏基站提供更高帶寬和性能解決方案
傳統的射頻解決方案是通過離散器件去搭建。ADI在2013年推出的AD9361/64射頻捷變收發器主要是針對小基站應用,要滿足宏站的話帶寬和性能是不夠的。AD9371的推出豐富了ADI的收發機產品系列,并且它的應用覆蓋的帶寬更寬。在無線接入這塊,除了有傳統的宏基站,小基站的應用也越來越多。
RadioVerse品牌的理念包含三個層次。第一層是收發機技術。“ADI的這些收發機產品的特點是:高性能,不是針對手機等終端設備對性能要求不是很高、對成本要求很低的應用;高帶寬;功耗盡量在同等產品里做到最低;基于創新的零中頻架構(減少了兩級中頻濾波器),這樣便可以幫助客戶實現軟件定義無線電(SDR)設備;集成度很高,接收通道包括了射頻低噪放、混頻器、射頻放大器、數字可變增益放大器(DVGA)、高速ADC,發射通道包括了高速DAC、調制器、混頻器、DVGA、射頻放大器(AD9371將DPD反饋通道也集成在芯片內部,包括混頻器/解調器和ADC,以及頻綜PLL和VCO、LDO)。”解經理說。
“除了集成度,還需要提供好用的軟件,這樣客戶才能很容易地將其移植到應用內,簡化設計。基于SDR的架構可以給客戶提供足夠的靈活度和通用性,來覆蓋不同的制式和頻段。”解經理補充說。
第二層是設計環境/生態系統。為了幫助用戶很好地開發產品,ADI提供了開發工具包,包括評估板和評估軟件,以及各種代碼(開源、非開源,以及FPGA代碼)。另外,ADI還和第三方(IDH、方案商等)合作,他們基于ADI的收發機來做相對產品級的解決方案,加快客戶概念的評估、驗證、樣機再到產品化的過程。
最后一層是,ADI通過一系列產品,獲得了很多設計和應用的技術積累。同時,在幫助客戶解決問題的過程中,對于客戶不同系統的問題,ADI也得到了解決方法的積累。另外,ADI對市場也一直在跟蹤、研究,產品的定義也是把握了市場未來趨勢。“也就是說,基于我們對技術和市場的積累,我們去把我們的見解通過白皮書、技術文章等方式分享給廣大客戶。”他解釋道。
隨著現在各種各樣的通信制式和不同頻段的使用越來越多,頻譜變得越來越擁擠,這對射頻工程師帶來很大技術挑戰,這包括:1.頻率規劃變得難做——因為對于一個基站來說,其它基站的信號相當于干擾信號,需要把其它信號落到帶外;2.濾波器變得難做,因為頻率較近,過渡帶變窄,射頻濾波器就很難實現;3.共存共址問題,不同的無線設備/基站設備離得較近,會有相互干擾,因此設計時需要通過高質量的雙工器/濾波器排除外部干擾;4.設備本身對線性度和動態范圍的要求也提高了,因為濾波器無法完全將干擾信號(進入到帶內的阻塞信號)濾除,需要用高線性度的ADC來扛帶內的阻塞。
ADI的理念是要簡化射頻設計,幫助客戶解決難題,這表現在:1.創建一個通用的硬件無線電平臺,通過軟件配置的方式支持各種不同應用和頻段。2.大幅降低設計復雜度,因為芯片的硬件集成度已非常高(將之前大約20顆離散器件集成了進來),對于整個系統來說,電源設計和時鐘設計也大大簡化,因此客戶設計的難度和門檻得到降低。3.從軟件角度來說,ADI提供API,客戶不用去關心器件內部的含義——之前的AD9361內部有上千個寄存器,客戶需要去理解每個寄存器的意思和怎么去配置——現在可以把它當成一個黑盒子,只需通過API軟件去編程即可。4.這些優勢給客戶帶來的直觀的競爭力是減少了設備的尺寸、重量和功耗(SWAP)——至少降低一半以上。
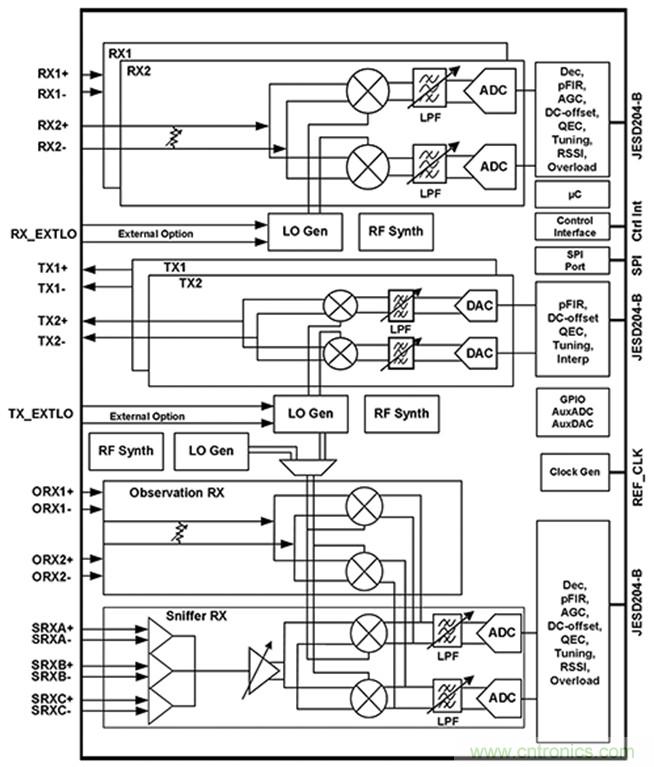
下面來看AD9371芯片的框圖。射頻收發機射頻調諧范圍為300MHz到6GHz,覆蓋所有主流頻段;FDD/TDD都可以支持;性能上支持多載波(AD9361僅支持單載波),包括連續多載波和非連續多載波。接收機有2個獨立的接收通道,最大信號帶寬為100MHz。發射機有2個獨立發射通道,最大信號帶寬為100MHz,應用時最大合成帶寬為250MHz。DPD反饋通道有兩個射頻輸入口,最大帶寬250MHz。有的小基站需要偵聽通道偵聽空中頻譜,確定可用頻譜進行配置切換。因此,AD9371增加一個偵聽通道,偵聽接收機帶寬20MHz,支持3個輸入。DPD反饋通道和偵聽通道分時復用ADC。

發射、接收和反饋通道各集成一個本振,系統總共有三個PLL和VCO。系統也支持外部本振,將內部旁路掉。在數字功能和算法上,因為是零中頻,AD9361上就集成了鏡像抑制校準、本振泄漏校準,這些在AD9371上都有,但是由于集成了ARM內核,可以做實時跟蹤校準,因此性能有了很大提升。此外,它還集成了AGC、可編程放大濾波器,以及輔助ADC、DAC、GPIO、時鐘發生器等,并提供API支持。
在功耗方面,如果支持最大帶寬、運行在最大速率上,2個接收通道是2W,2個發射通道是2W,再加上DPD反饋通道0.8W,AD9371總功耗為4.8W。
另外,在評估系統上,ADI提供兩種評估板(EVB),為客戶提供性能測試。一種是窄帶(是指在特定頻段上進行了優化,里面用的巴倫是窄帶的),針對1.8GHz到2.8GHz,其實1GHz頻帶并不窄,這個頻帶基本覆蓋現在主流的無線通信頻段。一種是寬帶,支持300GHz到6GHz整個射頻頻率范圍的評估。它不是針對某個頻段做優化來評估性能,而是提供了一個平臺來評估各個頻段性能,因為內部用的是一個很寬帶的巴倫,插損較大,尤其是在頻率的高低兩端插損較大,因此對性能有影響。它提供的是通用性的評估,真正應用時需要針對各個頻段做優化。像頻譜儀之類的應用就需要很寬的頻段。

AD9371在軟件上提供兩種選擇。一種是評估軟件,對評估板做評估驗證。它提供基于Windows的GUI,可以在上面運行API。FPGA方面則配合Xilinx ZC706母版做評估,提供二進制JESD204B IP代碼。一種是樣機開發軟件。對于這個軟件,評估系統不限于Xilinx,Altera等其他的母版也可以去連接。
【推薦閱讀】



