【導讀】射頻(RF)和微波放大器在特定偏置條件下可提供最佳性能。偏置點所確定的靜態電流會影響線性度和效率等關健性能指標。雖然某些放大器是自偏置,但許多器件需要外部偏置并使用多個電源,這些電源的時序需要加以適當控制以使器件安全工作。本文概述了偏置時序控制要求和使用不同偏置條件的影響,并且介紹了一種利用有源偏置控制器/微波放大器的最佳解決方案。
本應用筆記概述了偏置時序控制要求和使用不同偏置條件的影響。本應用筆記還介紹了一種利用有源偏置控制器(如HMC980、HMC980LP4E、HMC981、HMC981LP3E、HMC920LP5E等)偏置射頻/微波放大器的 最佳解決方案。
偏置放大器
電源時序控制
使用外部偏置放大器時,電源時序控制非常重要,原因如下:
● 不遵守正確的電源時序會影響器件的穩定性。超過擊穿電壓可能會導致器件立即失效。當超過邊界條件的狀況多次發生且系統承受壓力時,長期可靠性會降低。此外,連續違反時序控制模式會損壞片內保護電路并產生長期損害,導致現場操作故障。
● 不僅在上電和掉電期間,而且在常規工作期間優化偏置電平,可以改善射頻放大器的性能,具體情況取決于配置和應用要求。對于某些應用,可以改變放大器的射頻性能以適應不同的現場情況。例如,在雨天可以提高輸出功率以擴寬覆蓋范圍,在晴天可以降低輸出功率。放大器的外部柵壓控制可以實現這些功能。
ADI公司擁有各種各樣的射頻放大器。許多射頻放大器是基于耗盡型高電子遷移率(pHEMT)技術。該工藝中使用的晶體管通常需要電源來為漏極引腳和柵極引腳供電。此靜態漏極電流與柵極電壓相關。典型場效應晶體管(FET)工藝的典型IV特性參見圖1。

圖1.典型FET工藝的典型IV特性
隨著柵源電壓(VGS)提高,更多電子進入溝道,產生更高的漏源電流(IDS)。
另外,隨著漏源電壓(VDS)提高,拉動電子的電場力會變得更大,因而漏源電流也會增大(在線性區間中)。
在實際放大器中,由于溝道長度調制等效應,可將這些放大器大致歸為兩類:自偏置放大器和外部偏置放大器。
自偏置放大器
自偏置放大器有一個內部電路用來設置適合工作的最佳偏置點。這些放大器通常最適合寬帶低功耗應用。自偏置放大器的典型引腳排列參見圖2。

圖2.帶多個偏置引腳的多級自偏置放大器的典型引腳排列
自偏置放大器雖然容易使用,但可能無法提供最佳性能,因為內部阻性偏置電路無法充分補償批次、器件和溫度差異。
外部偏置放大器
在特定偏置條件下,外部偏置放大器提供的性能往往高于自偏置放大器。放大器的靜態漏極電流會影響功率壓縮點、增益、噪聲系數、交調產物和效率等參數。對于這些高性能外部偏置放大器,正確的電源時序控制對于確保器件以最佳性能安全工作至關重要。
圖3顯示了外部偏置放大器引腳和對應晶體管引腳的典型連接。圖3中的引腳映射是放大器的簡化示意圖。

圖3.外部偏置放大器的典型連接
此外,許多外部偏置放大器通過多級來滿足增益、帶寬和功率等要求。圖4所示為多級外部偏置放大器HMC1131的典型框圖。

圖4.HMC1131多級外部偏置放大器
HMC1131偏置和時序控制要求
HMC1131是一款砷化鎵(GaAs)、pHEMT單片微波集成電路(MMIC)中功率放大器。工作頻率范圍為24 GHz至35 GHz。該4級設計提供的典型性能為22 dB增益、23 dBm輸出功率(1 dB壓縮,即P1dB)和27 dBm飽和輸出功率(PSAT),對應的偏置條件為VDD = 5 V且IDQ = 225 mA,其中VDD為漏極偏置電壓,IDQ為靜態漏極電流。HMC1131數據手冊中針對24 GHz至27 GHz頻率范圍的電氣規格表給出了此信息。圖4顯示了HMC1131的引腳連接。
為了實現225 mA的目標靜態漏極電流(IDQ),應將柵極偏置引腳電壓(VGG1和VGG2)設置在0 V到−2 V之間。要設置該負電壓而不損壞放大器,上電和掉電期間應遵守建議的偏置序列。
下面是HMC1131上電期間的建議偏置序列:
- 連接到地。
- 將VGG1和VGG2設置為−2 V。
- 將漏極電壓偏置引腳VDD1至VDD4設置為5 V。
- 提高VGG1和VGG2以實現225 mA的IDQ。
- 施加射頻信號。
下面是HMC1131掉電期間的建議偏置序列:
- 關閉射頻信號。
- 降低VGG1和VGG2至−2 V以實現大約0 mA的IDQ。
- 將VDD1至VDD4降低到0 V。
- 將VGG1和VGG2提高到0 V。
- 當柵極電壓(VGGx)為−2 V時,晶體管會被夾斷。因此,IDQ典型值接近0。
一般而言,大多數外部偏置放大器的建議偏置序列是相似的。不同器件會有不同的IDQ、VDDx和VGGx值。為了關閉器件,GaAs器件的VGG一般設置為−2 V或−3 V,而對于氮化鎵(GaN)放大器,該電壓可能是−5 V至−8 V。類似地,GaN器件的VDDx可能達到28 V,甚至50 V,而GaAs放大器通常小于13 V。
多級放大器的VGG引腳一般連在一起并一同偏置。遵循相同的程序,用戶便可獲得數據手冊上提供的典型性能結果。在不同偏置條件下使用放大器可能會提供不同的性能。例如,將不同的VGGx電平用于HMC1131柵極偏置引腳以獲得不同的IDQ值,會改變放大器的射頻和直流性能。
圖5顯示了HMC1131在不同電源電流下P1dB與頻率的關系,圖6顯示了不同電源電流下輸出三階交調截點(IP3)性能與頻率的關系。

圖5.不同電源電流下P1dB與頻率的關系

圖6.不同電源電流下輸出IP3與頻率的關系,POUT/信號音 = 10 dBm
利用多個VGGx引腳偏置放大器的另一種方案是獨立控制柵極偏置引腳。該工作模式通過優化特定參數(如P1dB、IP3、NF、增益和功耗等)來幫助用戶定制器件。
這種靈活性對某些應用很有利。如果放大器數據手冊上提供的性能數據能夠輕松滿足應用的某些要求,但與其他要求略有差距,那么在不超過數據手冊給定的絕對最大額定值的情況下,測試不同偏置條件下的性能可能會有益。
偏置外部偏置放大器的另一種方案是設置VGGx以獲得所需的225 mA IDQ,并在正常工作期間使用恒定柵極電壓。這種情況下,放大器的IDD會在射頻驅動下提高。此行為參見HMC1131數據手冊中的30.5 GHz功率壓縮圖(如橙線所示)。柵極電壓恒定的放大器和IDD恒定的放大器可能提高不同的性能。
共源共柵放大器
ADI公司寬帶分布式放大器常常使用共源共柵架構來擴展頻率范圍。共源共柵分布式放大器使用一個基頻單元,后者由兩個FET串聯而成,源極到漏極。然后多次復制該基頻單元。這種復制會提高工作帶寬。圖7所示為基頻單元的原理示意圖。

圖7.基頻共源共柵單元原理示意圖
除了一些例外之外,共源共柵寬帶放大器一般是外部偏置。
HMC637A是一款采用共源共柵拓撲結構的寬帶放大器。HMC637A是一款GaAs、MMIC、金屬半導體場效應晶體管(MESFET)分布式功率放大器,工作頻率范圍為DC至6 GHz。圖8顯示了HMC637A的引腳連接。

圖8.HMC637A引腳連接
該放大器提供14 dB增益、43 dBm輸出IP3和30.5 dBm輸出功率(1 dB增益壓縮),偏置條件為VDD = 12 V、VGG2 = 6 V和IDQ = 400 mA。HMC637A數據手冊中的電氣規格表給出了此信息。
為了實現建議的400 mA靜態漏極電流,VGG1必須位于0到−2 V之間。要設置所需的負電壓,上電和掉電期間應遵守建議的偏置序列。
下面是HMC637A上電期間的建議偏置序列:
- 連接到地。
- 將VGG1設置為−2 V。
- 將VDD設置為12 V。
- 將VGG2設置為6 V(VGG2可通過電阻分壓器從VDD獲得)。
- 提高VGG1以實現400 mA的典型靜態電流(IDQ)。
- 施加射頻信號。
下面是HMC637A掉電期間的建議偏置序列:
- 關閉RF信號。
- 降低VGG1至−2 V以實現IDQ = 0 mA。
- 將VGG2降至0 V。
- 將VDD降至0 V。
- 將VGG1提高至0 V。
利用有源偏置控制器偏置外部偏置放大器
偏置外部偏置放大器主要有兩種方法:
● 恒定柵極電壓方法。這種方法首先通過改變柵極電壓值來實現所需的IDQ值。然后,此柵極電壓值在工作期間保持不變,這通常導致射頻驅動下的漏極電流(IDD)會發生變化。
● 恒定IDD方法。這種方法首先改變柵極電壓值以實現所需的IDQ值,然后監視放大器的IDD值,并且不斷調整柵極電壓值,從而在不同射頻驅動水平下具有相同的IDD值。有源偏置控制器使被測器件(DUT)的IDD保持恒定。
還有一種方法,它屬于恒定IDD方法,步驟如下:先按照恒定IDD方法操作,然后根據現場具體情況的需要,在多個恒定IDD電平之間切換。例如,在雨天,用戶可以偏置發射機的功率放大器級以獲得高電流水平,從而補償額外的雨致衰減。而在晴天,用戶可以偏置該功率放大器以獲得低電流水平,從而降低功耗。
ADI公司的射頻放大器一般采用恒定柵極電壓方法和臺式電源單元來標定。因此,利用恒定IDD方法偏置這些放大器可能導致其射頻性能不同于放大器數據手冊給出的性能。
設計放大器偏置電路以使漏極電流保持恒定并提供必要的時序控制會很麻煩。這種控制電路會很復雜,不僅需要多個外部器件,如低壓差穩壓器(LDO)、電荷泵、電壓時序控制和保護電路等,而且需要校準周期。此類實施方案通常要占用比放大器本身大得多的印刷電路板(PCB)面積。
HMC920LP5E將所有必需的工作模塊集成在一個緊湊型5 mm × 5 mm塑料表貼(SMT)封裝中。與分立式偏置方案相比,該緊湊型方案消除了多個IC和外部器件,因而占用的PCB面積更小。
與HMC920LP5E相似,有源偏置控制器需要的PCB面積也小于分立式晶體管解決方案。采用HMC980LP4E時,偏置時序控制、恒定柵極電壓調整、短路保護和負電壓產生特性全都在10 mm × 15 mm的PCB面積內實現。
HMC981LP3E、HMC980LP4E和HMC920LP5E分別是3 mm × 3 mm、4 mm × 4 mm和5 mm × 5 mm塑料封裝有源偏置控制器。圖9顯示了典型應用需要的PCB面積,包括外部無源器件。

圖9.典型應用需要的PCB面積
ADI公司有源偏置控制器系列具有多方面關健優勢:
● 內部負電壓發生器在VGATE引腳產生外部偏置放大器所需的負電壓。這些發生器的存在使得電壓逆變器不再需要,器件數量、PCB面積和系統成本得以減少。
● 連續內部柵極電壓調整確保DUT漏極電流恒定不變。
● 由于器件間差異的影響降低,偏置精度會提高。對于器件型號相同的不同放大器,由于器件間差異,獲得期望IDD所需的最佳柵極電壓電平是不同的。因此,對各DUT設置相同的柵極電壓值會產生不同的射頻性能。有源偏置控制器會調整各個DUT的柵極電壓電平,從而降低器件間差異引起的性能差異。
圖10和圖11顯示了器件間差異影響降低的情況。

圖10.典型放大器在固定外部VGATE偏置下的偏置電流差異

圖11.利用HMC920LP5E偏置時,相同放大器的偏置電流差異得到改善
● 內部偏置時序控制電路確保在VGATE負電壓不存在時,不向DUT供應VDRAIN引腳和VG2引腳上的正電壓。這樣在DUT上電和掉電期間,就無需外部器件來執行時序控制。
● 在VGATE引腳之后,短路保護電路禁用VDRAIN引腳,確保DUT即便在短路情況下也是安全的。

圖12.HMC980LP4E的典型應用電路
柵極電壓自動控制功能通過內部反饋使恒定的靜態偏置電流流經偏置下的放大器,該電流與溫度和放大器閾值變化無關。靜態偏置電流利用外接電阻來調整。圖12顯示RSENSE電阻(R10)連接到HMC980LP4E的引腳20。
關于如何計算RSENSE和VDD值的更多信息,請參閱有源偏置控制器數據手冊。
ADI公司提供三款有源偏置控制器:HMC920LP5E、HMC980LP4E和HMC981LP3E。表2詳細列出了這些有源偏置控制器的部分重要特性。
HMC980LP4E能夠向漏極提供高電流,而HMC981LP3E最適合需要較低漏極電流的器件。除負電壓發生器之外,HMC920LP5E還集成了正電壓調節器,能夠向漏極引腳供電。
工作原理
對于外部偏置放大器,ADI公司數據手冊電氣規格表的底部特別說明了VGG和IDD的偏置要求。例如,HMC637A要求將其VGG1從−2 V調整到0 V以獲得典型值為400 mA的IDQ。不過,應遵循推薦的上電和掉電序列,以免損壞HMC637A。
HMC980LP4E利用集成控制電路來管理目標放大器的安全上電和掉電序列。
上電期間,偏置控制器的VDD和VDIG電源接通,然后由內部負電壓發生器(NVG)產生VNEG。VNEG在達到其默認值(通常為−2.46 V)時,便開始下降并停止。VGATE輸出電壓也開始下降。通常,一旦達到VNEG = −2.5 V和VGATE = −2.1 V,VDRAIN輸出就會使能,VGATE開始向0 V提高,以獲得DUT需要的IDD值。
類似的掉電保護電路也會使DUT安全掉電。掉電期間,VGATE總是在VDD之后關斷,即使VDD引腳或DUT的VGG引腳短路也是如此。在DUT IDD電流過大的情況下,此特性可為DUT提供高級保護。

圖13.HMC981LP3E供電軌使能序列
調整默認VNEG和VGATE閾值
VNEG典型值為−2.46 V,如圖14所示。由于HMC980LP4E的內部邏輯,此默認值會限制HMC980LP4E的VGATE輸出電壓擺幅能力。

圖14.VNEG默認值
采用默認配置時,VGATE典型輸出擺幅在−2 V到0 V之間。但是,
● 某些DUT可能需要小于−2 V的柵極電壓。
● 某些DUT的柵極電壓絕對最大額定值(AMR)大于−2.1 V,例如為−1.5 V。這種情況下,要求DUT的典型柵極電壓高于VGATE的AMR值,例如為−1 V。但在上電期間,HMC980LP4E的VGATE輸出總是降至−2 V的典型值。
通過外部電阻調整VNEG和VGATE的默認值,可以同時解決上述兩個問題。圖15所示的電阻R5、R6、R7和R8就是用于此目的。

圖15.用于調整VNEG和VGATE默認值的外部電阻
如果所需VNEG < −2.46 V,則R5 (kΩ) = 開路,且R6 (kΩ) = 50/(50 × (所需VNEG − 0.815)/(262 × (0.815 − 1.44)) − 1)。
如果所需VNEG > −2.46 V,則R5 (kΩ) = 262/(262 × (1.44 − 0.815)/(50 × (0.815 − 所需VNEG)) − 1),且R6 (kΩ) = 開路。
如果所需VGATE < −2.46 V,則R7 (kΩ) = 開路,且R8 (kΩ) = 50/(50 × (所需VGATE − 0.815)/(262 × (0.815 − 1.44)) − 1)。
如果所需VGATE > −2.46 V,則R7 (kΩ) = 262/(262 × (1.44 − 0.815)/(50 × (0.815 – 所需VGATE)) − 1),且R8 (kΩ) = 開路。
上電期間,如果VNEG達到默認值−2.46 V,則VNEG使能。因此,VNEG值必須小于VGATE值。
建議將HMC980LP4E的VNEG值配置為大于−3.5 V。
例如,若所需VNEG = −1.5 V且VGATE = −1.3 V,則R5 = 631 kΩ,R7 = 477 kΩ,R6 = R8 = 開路。此外,若所需VNEG = -3.2 V且VGATE = -3 V,則R6= 221 kΩ,R8= 303 kΩ,R5= R7 = 開路。
減少VGATE上升時間
使能信號到達有源偏置控制器使能引腳的時刻,與DUT VGATE輸入引腳的VGATE電壓電平建立至所需值的時刻之間存在一個延遲。偏置控制器的內部傳播延遲和VGATE信號的建立時間共同引起此延遲。有源偏置控制器VGATE輸出與DUT VGATE輸入引腳之間的連接上使用的分流電容會影響VGATE建立時間。HMC980LP4E典型使能波形(參見圖16)表明VGATE建立時間大于1 ms。

圖16.HMC980LP4E典型使能波形
外部電路會影響柵極上升時間,但不影響傳播延遲。圖17顯示了HMC980LP4E和DUT放大器之間的典型VGATE連接。分流電容C1一般用在放大器的VGG引腳上,R1通常為0 Ω,即不使用。

圖17.HMC980LP4E和DUT之間的VGATE連接電路
當C1 = 10 μF時,典型上升時間大于1.5 ms(參見圖18)。C1減小到1 μF時,上升時間減少到131 μs(參見圖19)。

圖18.C1 = 10 μF時的典型VGATE上升時間

圖19.C1 = 1 μF時的典型VGATE上升時間
當C1 = 100 nF時,VGATE上升時間減少到15.5 μs,但過沖會引起響鈴振蕩(參見圖20)。給C1 = 100 nF增加一個值為68 Ω的串聯電阻R1,可以改善響應性能并使上升時間保持在類似水平(參見圖21)。

圖20.C1 = 100 nF時的典型VGATE上升時間

圖21.C1 = 100 nF且R1 = 68 Ω時的典型VGATE上升時間
菊花鏈配置
當多個有源偏置控制器偏置多個DUT時,可以讓其構成菊花鏈配置。當VDRAIN、VG2和VGATE輸出建立時,有源偏置控制器產生TRIGOUT輸出。利用TRIGOUT信號通過使能引腳(EN)使能另一個偏置控制器,可以提高系統安全水平。菊花鏈配置有很多應用,圖22和圖23顯示了兩種應用。DUT級數和偏置控制器數量可以增加。

圖22.級聯配置的兩個放大器的菊花鏈配置

圖23.DUT放大器位于不同信號路徑上的菊花鏈配置
圖24顯示了菊花鏈配置中兩個有源偏置控制器的VDRAINx和VGATEx響應,每個偏置控制器為一個DUT供電。第二偏置控制器由第一偏置控制器提供的觸發信號使能。這種架構確保第二DUT在第一DUT使能后使能。

圖24.菊花鏈配置中兩個有源偏置控制器的VDRAINx響應,每個偏置控制器為一個DUT供電

圖25.菊花鏈配置中兩個有源偏置控制器的VGATEx響應,每個偏置控制器為一個DUT供電
測試有源偏置控制器的功能
有源偏置控制器的VDRAIN和VGATE輸出可以偏置DUT,例如有外部偏置要求的FET或放大器。一旦將DUT連接到偏置控制器,反饋環路便閉合,偏置控制器即可工作。
對于帶固定負載(如電阻)的有源偏置控制器,由于環路未閉合,因而無法測試其功能。
雖然測試無DUT的有源偏置控制器不會提供有用信息,但可執行如下診斷檢查。
● IDD = 0 mA時,VDD輸入和VDRAIN輸出上的壓降可忽略不計;因此,VDRAIN幾乎等于VDD。 ● VNEG典型值為−2.46 V。 ● VGATE最大值為VNEG + 4.5 V,典型值為2.04 V。
對于其他偏置控制器,這些值可從數據手冊中獲得。
利用單個有源偏置控制器偏置多個DUT
可以利用單個有源偏置控制器來偏置兩個或更多DUT。為此,計算RSENSE值時應考慮DUT的總漏極電流。
但應注意,使用這種方法會限制有源偏置控制器的優勢,原因如下:
● 有源偏置控制器無法補償GaAs器件常見的器件間柵極電壓差異。因此,兩個器件可能利用同一柵極電壓來偏置,達不到最佳性能。
● 如果某個DUT由于短路或其他故障而消耗過大電流,偏置控制器會關閉所有受偏置的DUT。雖然這不會損壞器件,但會影響系統功能。
有源偏置控制器電路示例
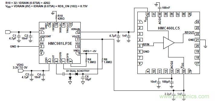
利用HMC981LP3E偏置HMC460LC5
要利用HMC981LP3E偏置HMC460LC5,請執行如下程序:
● 將R10設置為426 Ω,以設置HMC981LP3E的IDD = 75 mA。可以使用常見電阻值430 Ω。
● 計算VDD值為8.75 V。
● 利用R4和R6確保VGATE電壓在HMC981LP3E數據手冊給出的絕對最大額定值以內。詳情參見“調整默認VNEG和VGATE閾值”部分。
● 可以減小VGG分流電容值以增加上升時間(參見圖26中的HMC460LC5)。詳情參見“減少VGATE上升時間”部分。

圖26.利用HMC981LP3E偏置HMC460LC5的應用電路
利用HMC980LP4E偏置HMC1082LP4E
要利用HMC980LP4E偏置HMC1082LP4E,請執行如下程序:
● 將R10設置為680 Ω,以設置HMC980LP4E的IDD = 220 mA。
● 計算VDD值為5.62 V。
● 利用R5和R7確保VGATE電壓在HMC980LP4E數據手冊給出的絕對最大額定值以內。詳情參見“調整默認VNEG和VGATE閾值”部分。
● 可以減小VGG分流電容值以增加上升時間(參見圖27中的HMC1082LP4E)。詳情參見“減少VGATE上升時間”部分。

圖27.利用HMC980LP4E偏置HMC1082LP4E的應用電路
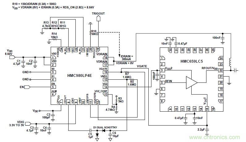
*利用HMC980LP4E偏置HMC659LC5 *
要利用HMC980LP4E偏置HMC659LC5,請執行如下程序:
● 將R10設置為500 Ω,以設置HMC980LP4E的IDD = 300 mA。
● 使用常見電阻值510 Ω。
● 計算VDD值為8.84 V。
● 利用R3和R4設置HMC980LP4E的VGG2。
● 利用R5和R7確保VGATE電壓在HMC980LP4E數據手冊給出的絕對最大額定值以內。詳情參見“調整默認VNEG和VGATE閾值”部分。
● 可以減小VGGx分流電容值以增加上升時間(參見圖28中的HMC659LC5)。詳情參見“減少VGATE上升時間”部分。

圖28.利用HMC980LP4E偏置HMC659LC5的應用電路
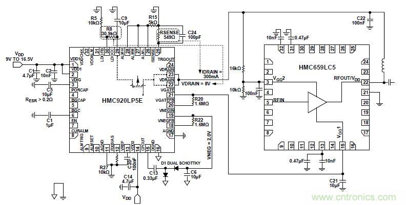
*利用HMC920LP5E偏置HMC659LC5 *
要利用HMC920LP5E偏置HMC659LC5,請執行如下程序:
● 將RSENSE設置為549 Ω,以設置HMC920LP5E的IDD = 300 mA。
● 將R8設置為30.9 kΩ以設置VDRAIN = 8 V。
● 利用R20和R22確保VGATE電壓在HMC920LP5E數據手冊給出的絕對最大額定值以內。詳情參見“調整默認VNEG和VGATE閾值”部分。
● 可以減小VGGx分流電容值以增加上升時間(參見圖29中的HMC659LC5)。詳情參見“減少VGATE上升時間”部分。

圖29.利用HMC920LP5E偏置HMC659LC5的應用電路
結論
在上電和掉電期間,遵循外部偏置器件的建議偏置序列以確保器件安全。利用有源偏置控制器來操作放大器可確保器件按正確時序運行并處于所需的電平,從而改善系統整體性能。
ADI公司的有源偏置控制器系列可以滿足外部偏置射頻/微波器件(如FET、放大器、倍頻器、光學調制器驅動器和頻率轉換器等)的偏置要求。DUT的柵極電壓通過閉環反饋來調整,以提供所需的漏極電流。在上電和掉電期間,偏置控制器的VGATE、VDRAIN和VGG2輸出的時序控制特性確保DUT受到很好的保護。
推薦閱讀:





