【導讀】我們都知道示波器的探頭需要校準補償,但是不知道做這個操作的根本原因是什么,看到有篇文章講解的很清楚,貼出來給大家分享下,希望有所幫助!
我們都知道示波器的探頭需要校準補償,但是不知道做這個操作的根本原因是什么,看到有篇文章講解的很清楚,貼出來給大家分享下,希望有所幫助!
示波器輸入電阻
示波器探頭無法將電路信號送入示波器,咋一想,似乎直接連起來就能用了吧。
但是我們使用萬用表測量示波器探頭兩端的電阻,居然有將近 9M 歐姆這么多,如下圖所示:
而我們來看示波器,細心的朋友們會發現在示波器的 BNC 輸入接口旁邊一般都標記有 1MΩ的對地輸入電阻參數。很多人可能不理解這個是代表了什么。

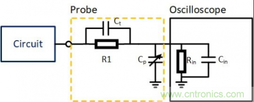
其實,在使用示波器探頭測量電路的時候,由于不希望示波器探頭的接入而改變被測電路本身的工作狀態,因此示波器探頭一定是高阻的,即輸入阻抗比較大(兆歐級別)。而示波器是有一定的電壓輸入范圍的,但是不同的測量場合又會有不同的電壓,所以示波器探頭會有不同的衰減比(1X,10X,100X……)。那么最簡單的信號衰減實現就是電阻分壓,如下圖所示:

圖中,R1 為示波器探頭上的電阻, Rin 為示波器的輸入電阻。一般 Rin = 1MΩ ,100X 下為 R1 = 99 MΩ ,10X 下 R1 = 9MΩ ,而 1X 下理論上應該為 0Ω ,但實際上 R1 約為幾百歐,一般在 300 歐以內

示波器輸入電容
那么按照上面介紹的電阻分壓電路是不是示波器就能用了呢?不是的。
大家都知道,實際中,任何電路都不是理想電路,或多或少都有寄生參數。示波器與示波器探頭的接口也不例外。由于示波器接口需要同時將信號與 GND 連接到示波器探頭上(如下圖所示,一般外圈的金屬是 GND,可以起到與外部屏蔽的作用,內部的金屬為輸入信號),因此,輸入的信號和 GND 之間就形成了電容。無論怎樣改進示波器接口的設計,都無法消除示波器的輸入電容的寄生參數。
一般示波器的輸入電容典型值為 15pF,14pF,12pF 的都有,圖中所示為 14pF。

有 R 又有 C,這不就是 RC 低通濾波器嗎?

我們算下這個 RC 電路的截止頻率。考慮 10X 的檔位,R1 = 9MΩ,Rin = 1MΩ,Cin = 14pF , 截止頻率為

這樣一來,凡是高于 12.64kHz 的信號都被衰減到不能看了。那么如何解決這個問題?減小 Cin ,不可能,物理的限制就決定了 Cin 必然存在,而且 14pF 本身已經是一個相當小的容值了;減小 R1 和 Rin?過小的電阻必然會對測量的電路造成影響。似乎沒有其他的辦法了。但總歸是有聰明人能夠找到解決辦法:補償電容

只要滿足

就能使得在比較高的頻率下,仍然能夠按照正確的 10:1 的衰減比進行信號的傳輸而不發生信號的畸變。
但是新的問題又來了,不同的示波器 Cin 不一樣,即便型號一樣,但是由于制造的參數不一致問題可能不同的示波器用同一個探頭就不一定都能滿足上面的比例關系。那豈不是要針對每一個示波器都要去單獨制造特定的探頭呢?怎么解決通用性問題呢?很簡單,再增加一個可變電容。圖中 Cp 所示。

這樣一來只需要去調節探頭上的可變電容的大小,并從示波器上看波形畸變情況,就可以解決這個問題。
示波器一般都會輸出一個 1KHz,5V(或以下)的方波信號,該信號用作探頭補償校準。該信號常用一個方波符號加一個接地符號標示。我們可以將這個信號作為信號源。啟動示波器,按下圖所示,把探頭的 BNC 接至通道 1,另一端接到方波信號輸出端口。

當出現以下兩種情況時,說明探頭補償不正確,需要使用“調節棒”對探頭上的補償電容進行調節。


用調節棒擰動探頭螺絲孔內的螺絲,調節補償電容,以得到正確波形。

也有的探頭將其設置在探測頭一端,如下圖:

所以,當示波器更換新探頭或探頭長時間未使用時,我們應該對探頭進行補償校準。





