【導讀】汽車電氣化推動了電子保險絲“eFuse”取代機械繼電器和熔斷器,以實現更緊湊、更高效的解決方案。NIV3071 eFuse可保護下游電路免受過流、過溫和接地短路事件的影響,并可通過開漏FAULT引腳提供故障指示器。該器件具有四個集成高側通道,可以通過EN引腳獨立控制,也可以并聯在一起以用于更大的負載。該器件具有可配置的電流限制功能和導通時間,可支持多種負載。
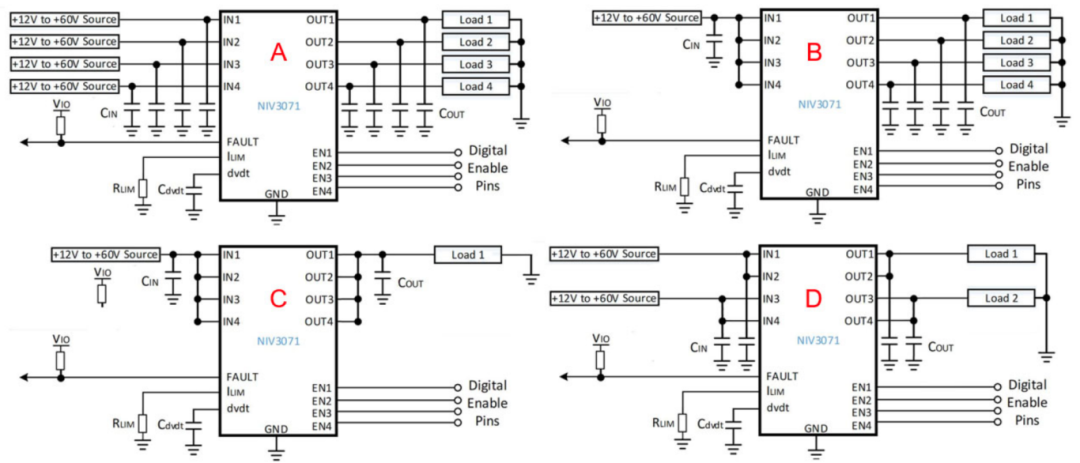
汽車電氣化推動了電子保險絲“eFuse”取代機械繼電器和熔斷器,以實現更緊湊、更高效的解決方案。NIV3071 eFuse可保護下游電路免受過流、過溫和接地短路事件的影響,并可通過開漏FAULT引腳提供故障指示器。該器件具有四個集成高側通道,可以通過EN引腳獨立控制,也可以并聯在一起以用于更大的負載。該器件具有可配置的電流限制功能和導通時間,可支持多種負載。 汽車應用中的NIV3071 在汽車應用中使用NIV3071有幾個優勢。該器件采用6x5mm封裝,與機械繼電器和熔斷器等傳統解決方案相比,大大減少了所需的電路板面積。與這些傳統解決方案相比,eFuse在發生故障時無需更換,因為其保護功能將同時保護器件和負載,從而在整個車輛中實現分布式區域控制架構。該器件有兩個版本:鎖存型和自動重試型。如果發生故障,鎖存器件將鎖閉,直到通過切換EN引腳或功率循環發送命令為止。自動重試器件將等待3ms,如果進入熱關斷保護,則會等待足夠冷卻芯片的時間,然后再嘗試重新導通。 與傳統保險絲相比,NIV3071的另一個優勢是在發生故障時,其短路響應時間非常快,僅為6s。與圖1所示的傳統保險絲相比,這分別降低了峰值電流和功耗,對任何相關線束的峰值電流和額定功率都有益。此外,快速響應時間可防止輸入電源電壓驟降,從而保護任何安全攸關的負載以及使用同一電源的其他負載,如圖2所示。 圖1.左側插片式保險絲,中心PTC,右側NIV3071 eFuse 圖2.同一電源上有多個eFuse NIV3071由四個集成通道組成,可以獨立驅動,也可以并聯在一起,以提供更多負載電流,如圖3所示。輸入可以由不同的電源或公共電源供電。憑借這種靈活性,NIV3071可以通過同一器件輕松支持48V和12V負載。這在汽車應用中非常有利,因為通過一個器件即可保護ECU(電子控制單元)中的48V和12V負載。 圖3.NIV3071的配置 該器件應與穩壓電源搭配使用。由于該器件具有UVLO功能且無反向電流保護,因此不建議用在需要冷啟動和拋負載(負載突降)的其他汽車應用。 動態特性和注意事項 導通時序 NIV3071 具有受控導通功能,可以通過導通延遲時間 (tDLY(On)) 和導通時間 (tRAMP(On)) 進行描述,如圖4所示: 圖4.NIV3071的導通時序 導通延遲時間定義為EN引腳達到其最大值的90%到輸出端達到標稱電壓的10%之間的時間。導通時間定義為輸出端達到標稱電壓的10%至90%之間的時間。如果EN引腳上出現任何瞬時電壓尖峰,或者微控制器在加電時發送正確邏輯信號略有延遲,則導通延遲時間會用作去毛刺濾波器,以確保在預期導通時間安全啟動負載。 導通時間功能可以通過外部電容進行配置。要正確使用導通時間功能,必須考慮負載類型。雖然對于容性負載來說,增加導通時間有助于減少浪涌電流尖峰,但對于阻性負載,隨著輸出電壓上升,消耗的電流將持續增加。由于該直流電流和延長的輸出導通時間會導致在器件上產生電壓梯度,器件將消耗大量功率,并可能在器件完全導通之前進入熱關斷狀態以保護芯片。這取決于輸入電壓、輸出電壓導通時間、負載電流曲線和環境溫度。 浪涌電流控制 以下關系式可用于控制給定Cload下的峰值電流: 導通時間與 dv/dt 引腳電容的關系,TJ = -40°C 圖 5.導通時間與 dv/dt 引腳電容的關系 使用上述公式和圖5,用戶可以設置導通容性負載時的最大浪涌電流。下面的圖6和圖7提供了一個測試用例: 圖6.浪涌電流控制測試用例 圖7.測試用例的測量結果 大容性負載和肖特基二極管 圖8:使用肖特基二極管防止反向電流情況 圖9.測量流經器件和外部肖特基二極管的電流 關閉感性負載 隨著汽車市場的電氣化趨勢不斷升級,且48V系統越來越普及,NIV3071 在汽車應用中具有諸多優勢。 本文轉載自:安森美



NIV3071 和安森美 (onsemi) 的其他eFuse具有浪涌電流控制功能,可限制導通容性負載時出現的峰值電流。該功能由一個外部引腳控制,該引腳可以保持開路,或者在dvdt引腳和地之間使用一個較小值的陶瓷電容。通過向該引腳添加電容,可以延長輸出導通時間,從而降低峰值電流,可以表示為:



對于較大的容性負載(和低電流直流負載),可以在輸出和輸入之間放置一個肖特基二極管,如圖 8 所示,以在器件關斷時保護 eFuse 的體二極管免受過大反向電流的影響。一旦輸入電壓降至 UVLO 以下,器件就會關斷,由于輸出電容在完全放電之前維持輸出電壓,這會在器件上產生反向電壓。與此同時,負電壓對肖特基二極管進行偏置,提供了在器件周圍放電的路徑,如圖 9 中的測量結果所示。

在輸出端發生接地短路或過流故障事件期間,NIV3071可快速關斷以同時保護器件和下游電路。如果電源路徑中存在很大的電感(例如電纜),則快速關斷將導致電壓尖峰超過器件的額定電壓。為了緩解這些電壓尖峰,可以使用多種選項。可以在輸入和接地端之間放置一個 TVS 二極管,而肖特基二極管可以作為續流二極管與負載并聯放置。此外,RC緩沖電路可與負載并聯使用。如果具體應用中的預期電感超過 5uH,則強烈建議使用外部肖特基二極管或緩沖器。
免責聲明:本文為轉載文章,轉載此文目的在于傳遞更多信息,版權歸原作者所有。本文所用視頻、圖片、文字如涉及作品版權問題,請聯系小編進行處理。
推薦閱讀:



